Wednesday, February 9th, 2022 AT 3:57 PM
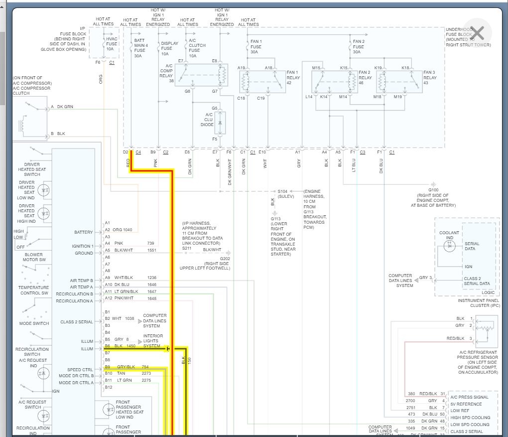
I have a unique problem. End of summer blower for the climate control stopped working during a hot summer day last year. It was just for a moment and started back up after an engine restart. It was fine for 2 weeks, then it happened again. But this time for a little over a week. Came back to life on a lunch break. It was fine for 2 weeks, then it stopped running again. Never came back. I checked all my fuses. The are fine. Even replaced the HVAC fuse anyways. I replaced the blower resister to no avail. I had the blower tested and it was fine. I changed it anyways. No go. I returned it the AutoZone. All the climate controls work. If I turn on AC, the compressor turns on. If I change the vents to defrost and other positions, it works fine. Just no air. Heat works, just no air. You can hear the diverters working. Fresh air will deliver a little heat when I'm moving. The blower will not start. At my wits end. I need heat. It's cold. I cannot find any other forums online about this specific problem. Next step is to replace the control module. It's a manual control unit with no heated seats. I cannot find any cheap brand new. Please help!






