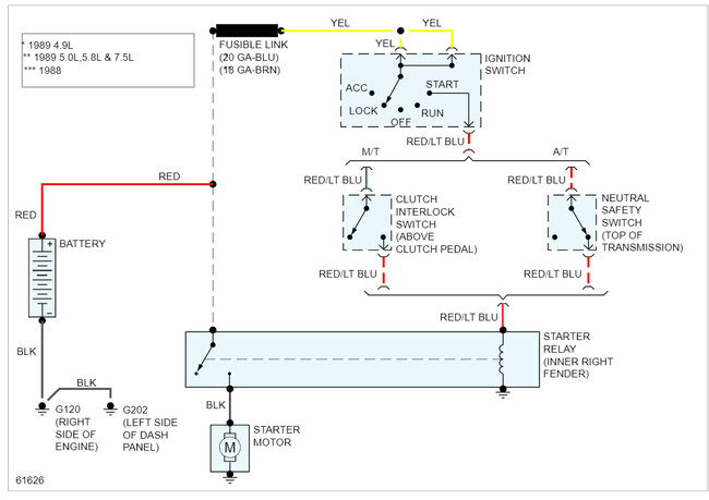
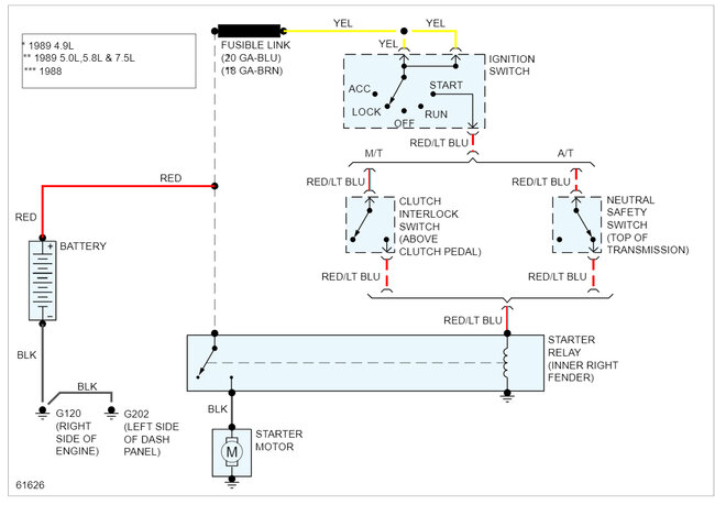
I can literally wait a few seconds and try it again and it might turn over or not turn over. Wait a few seconds and turn the key and it will turn over and start.
Of course, I have none of these issues after the engine has cooled down. It fires right up just fine.
What would be your diagnosis protocols?
Thursday, November 9th, 2023 AT 8:23 AM


