Horn relay location

Tiny
TENNIS12
  • MEMBER
  • 2012 FORD F-150
  • 3.5L
  • 6 CYL
  • 2WD
  • AUTOMATIC
  • 161,000 MILES
Horn not working at all, chirp when locking or at dash. Cruise control works. The fuse is good can’t find the horn relay, none listed in owners manual in either fuse box under the hood or on passenger side under dash. Do have both diagrams and listings for fuse boxes. Trying to find horn relay!
Saturday, January 18th, 2020 AT 2:40 PM

8 Replies

Tiny
MASTERWRENCH
  • MECHANIC
  • 258 POSTS
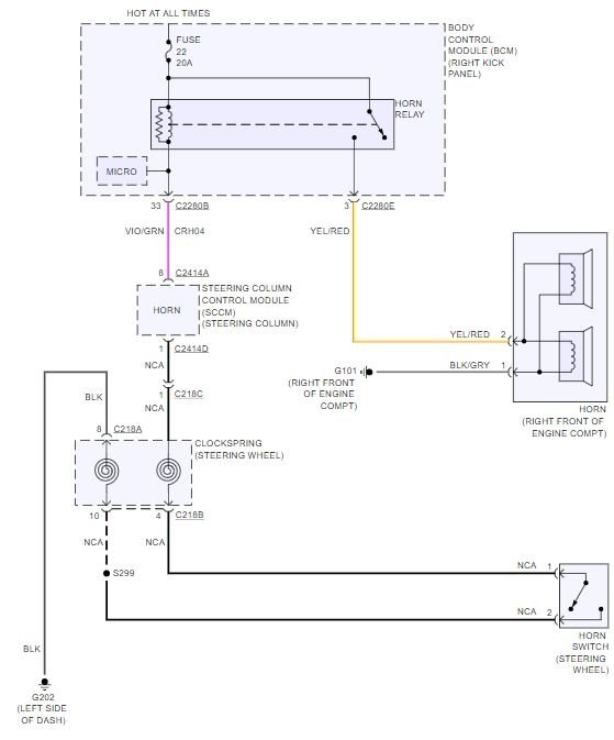
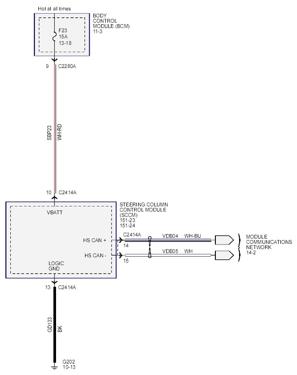
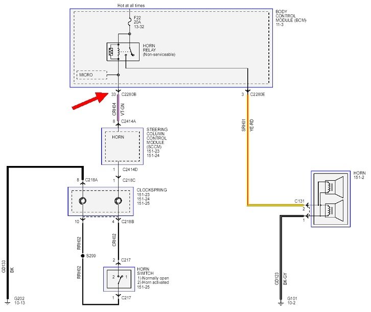
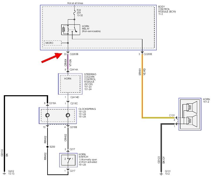
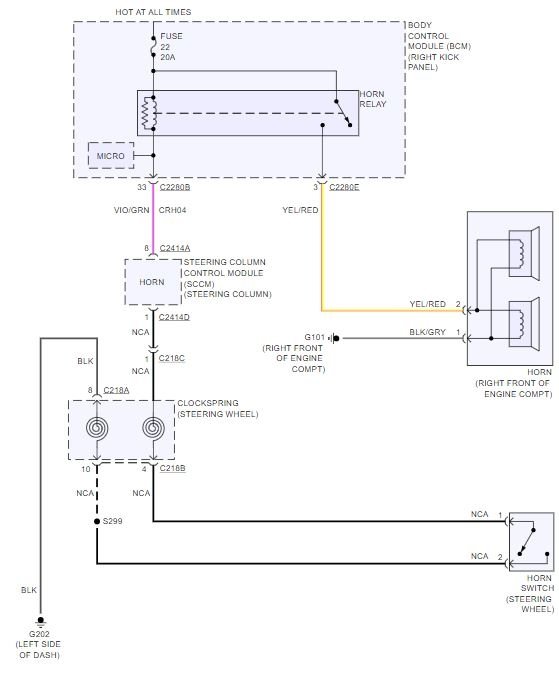
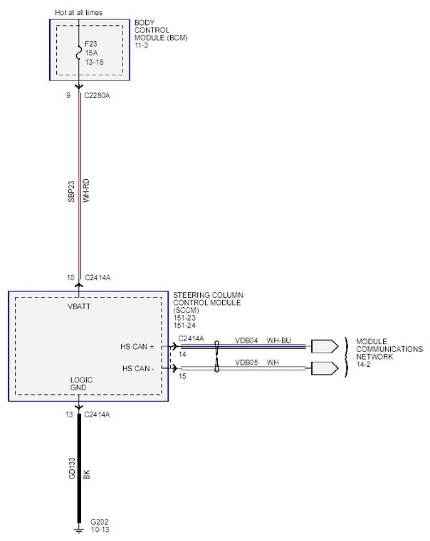
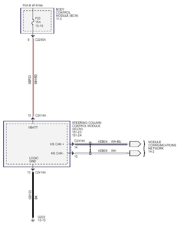
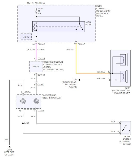
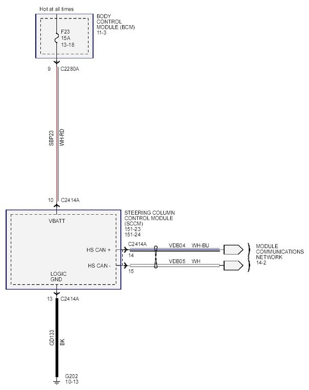
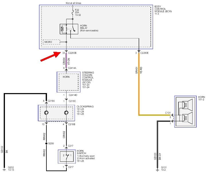
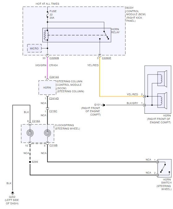
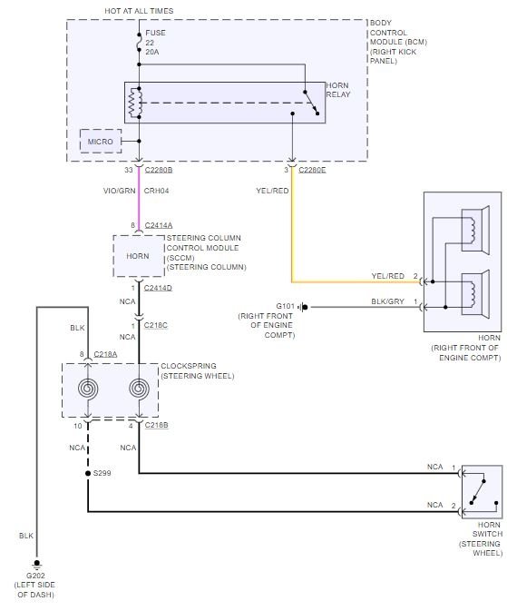
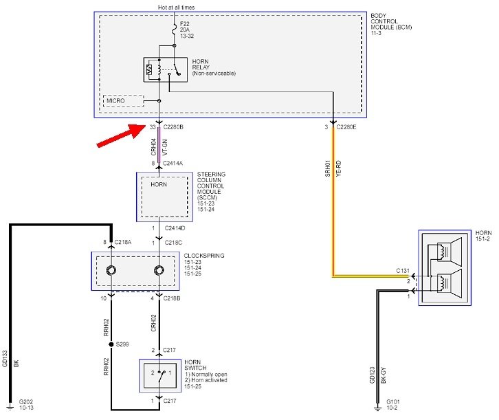
The horn relay on your vehicle appears to be built into the Body Control Module. Make sure you're checking the correct fuse (fuse 22 on the BCM). I've attached a few diagrams of the complete horn circuit and the front of the BCM showing the fuse location.
Was this
answer
helpful?
Yes
No
+1
Saturday, January 18th, 2020 AT 3:11 PM
Tiny
CARADIODOC
  • MECHANIC
  • 34,481 POSTS
You're falling victim to the insane engineers. The horn relay is inside the Body Computer and is not serviceable. Since the early 2000's, the engineers don't know how to run a horn without involving two computers modules. This system is actually less complicated than those on some car models.

You can eliminate the horn switch wiring as a suspect by locating the Steering Column Control Module, (SCCM) and grounding terminal 1 in the 10-pin plug. That's shown with the red arrow pointing to it in the third drawing. If the horn turns on, there's break in that wire or the switch is defective.

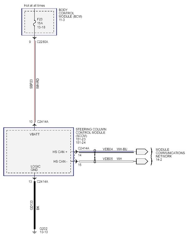
The way the diagram shows the circuit representation, it looks like you can ground terminal 33 in connector C2280B at the Body Computer, and that will ground the horn relay's coil to make it turn on, however, all my training told me those two computers talk back and forth with digital signals. I'd be nervous about grounding a digital communications wire.

A better alternative is to use a scanner that can access both computers to see how far the "horn request" signal is getting and which modules are recognizing it. If you see the Body Computer sees the horn request signal but doesn't perform the task, for example, that would be the logical suspect.
Was this
answer
helpful?
Yes
No
-1
Saturday, January 18th, 2020 AT 3:42 PM
Tiny
CARADIODOC
  • MECHANIC
  • 34,481 POSTS
Hi MASTERWRENCH. It never occurred to me to mention the obvious. If the fuse you pointed out is blown, a shorted horn is the best suspect.
Was this
answer
helpful?
Yes
No
Saturday, January 18th, 2020 AT 3:46 PM
Tiny
TENNIS12
  • MEMBER
  • 4 POSTS
I have no scanner.
Was this
answer
helpful?
Yes
No
Saturday, January 18th, 2020 AT 4:56 PM
Tiny
TENNIS12
  • MEMBER
  • 4 POSTS
Can I test the horn by hooking directly to the battery?
Was this
answer
helpful?
Yes
No
+1
Saturday, January 18th, 2020 AT 4:59 PM
Tiny
MASTERWRENCH
  • MECHANIC
  • 258 POSTS
Sure, you can jump 12v directly to the the yellow/red wire at the horn connector. Double check that fuse first though. If the horn circuit is shorted somewhere as CARADIODOC mentioned, you could let the smoke out.

The fact that the horn doesn't activate with the horn pad switch or chirp with your key fob suggests that there is an internal issue with the BCM(assuming the fuse isn't blown). The horn chirp sound is an internal BCM signal. If the fuse isn't blown and you're able to sound the horn by jumping 12v, I'm pretty sure you're looking at a BCM.
Was this
answer
helpful?
Yes
No
Saturday, January 18th, 2020 AT 5:35 PM
Tiny
TENNIS12
  • MEMBER
  • 4 POSTS
Will get back on it in the morning and hook the horn to the battery. If it doesn’t sound I would assume it’s bad? Thanks
Was this
answer
helpful?
Yes
No
Saturday, January 18th, 2020 AT 6:07 PM
Tiny
MASTERWRENCH
  • MECHANIC
  • 258 POSTS
Sounds good. Make sure the ground is good at the horn too (black/grey wire). But other than that, yes I would say the horn is bad if it doesn't sound with the battery.
Was this
answer
helpful?
Yes
No
Saturday, January 18th, 2020 AT 7:02 PM

Please login or register to post a reply.