Horn wiring diagram needed?

Tiny
PIMINHS3500
  • MEMBER
  • 2005 CHEVROLET IMPALA
  • 3.4L
  • V6
  • 2WD
  • AUTOMATIC
  • 200,000 MILES
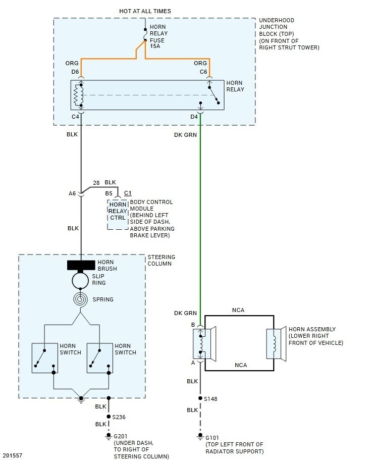
I would just like the wiring schematic for my horn because my horn fuse keeps blowing as soon as I put a fuse in it, it blows. So, I'm grounded out somewhere on my horn wiring and I would just like the schematics please. Thank you
Thursday, September 5th, 2024 AT 7:45 PM

1 Reply

Tiny
STEVE W.
  • MECHANIC
  • 15,679 POSTS
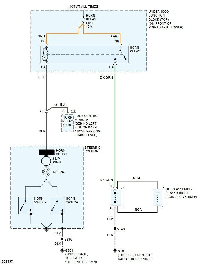
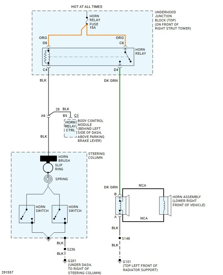
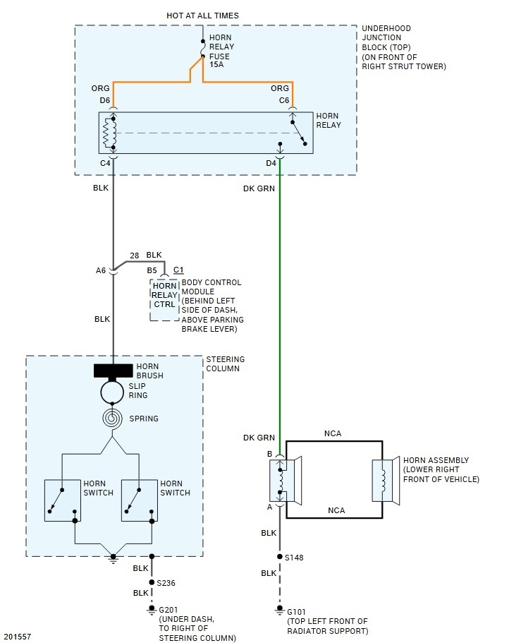
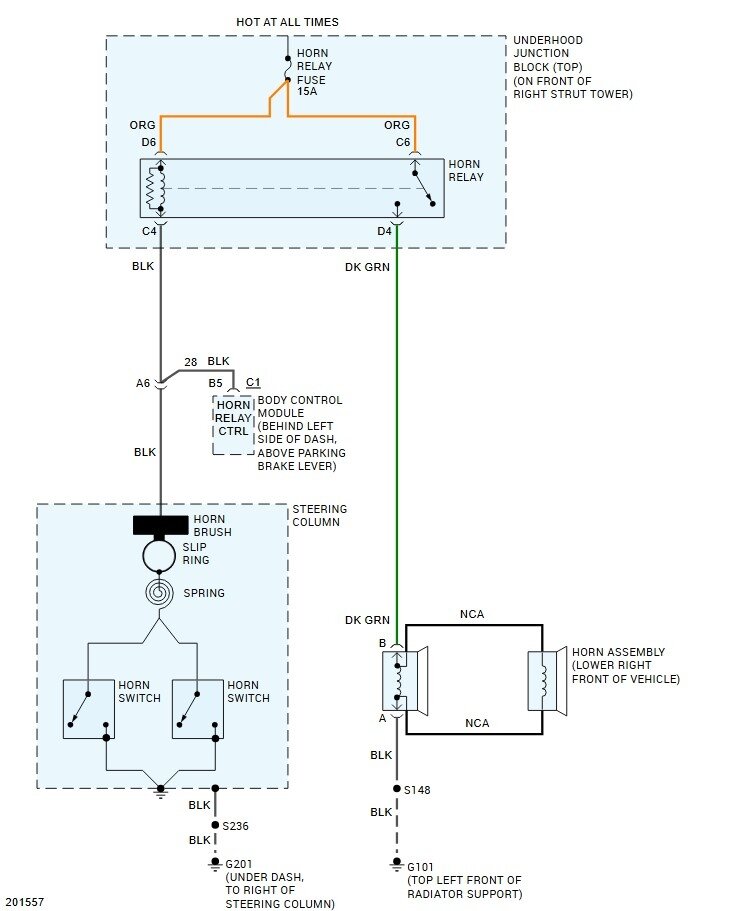
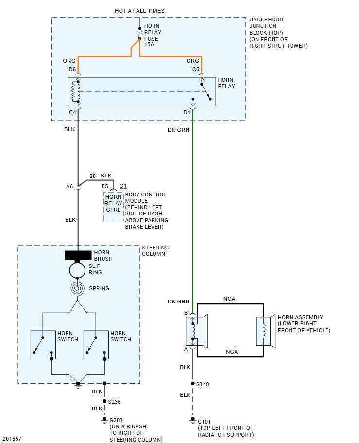
That car has a simple horn system compared to some. The fuse feeds the relay and the switch in the column simply provides a ground that turns the relay on. The relay then sends power to the horns. To find the problem I would first pull the relay out and install a fuse. If it still fails instantly the issue is probably in the junction block the relay is in on the orange wire that feeds the horn relay. I would suspect the issue is on that side anyway as the relay isolates the other parts of the circuit. If the short was on the control side like the horn switch or the BCM, the relay would be stuck on and because that side goes to ground through the relay it would either cause the horns to stay on all the time or it would burn the coil in the relay to an open circuit and the fuse wouldn't blow. If the relay was bad and the contacts were fused, then the horns would also be on all the time. As you don't say that they are on or that they sound for a while when the fuse is installed it points to it being in the fuse to junction block wiring.
Was this
answer
helpful?
Yes
No
Friday, September 6th, 2024 AT 8:59 AM

Please login or register to post a reply.