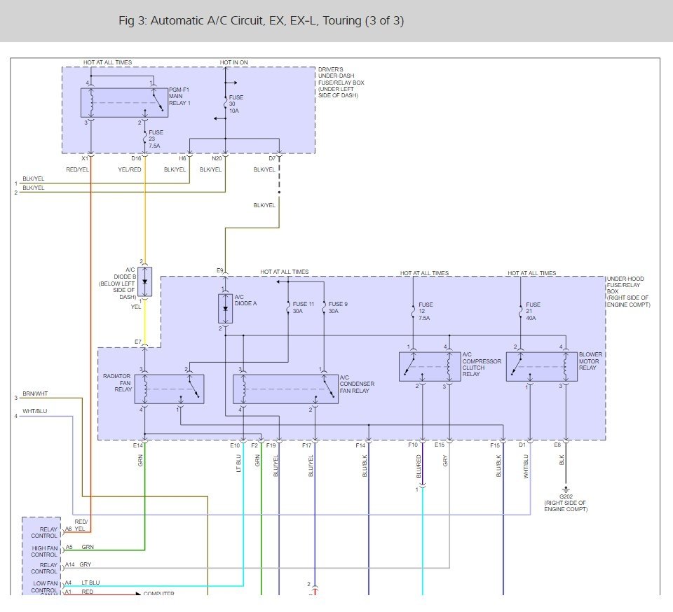
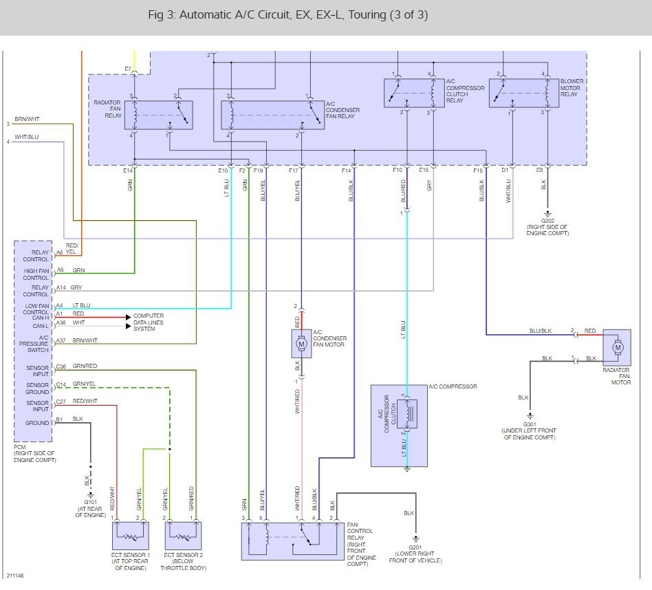
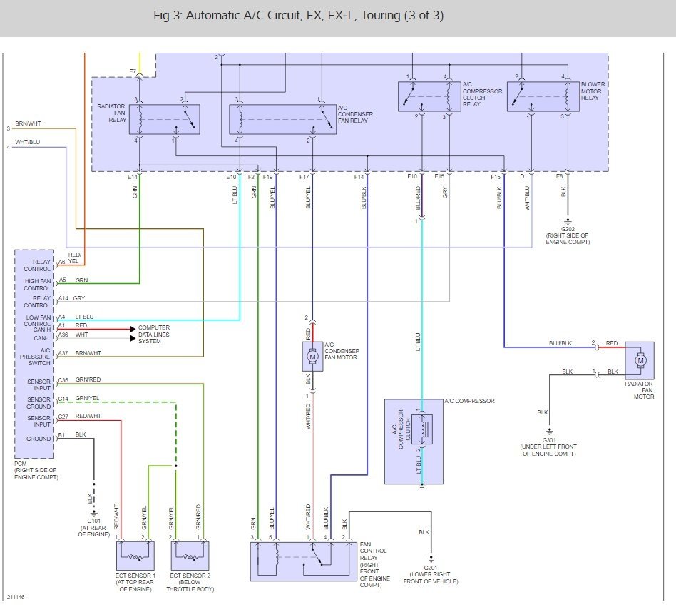
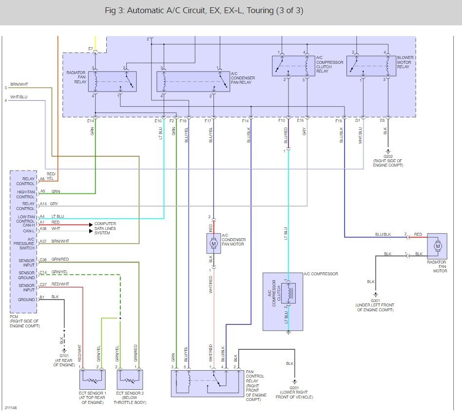
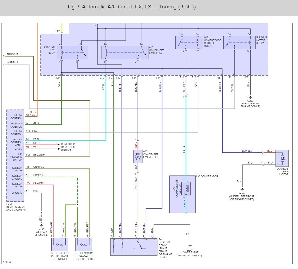
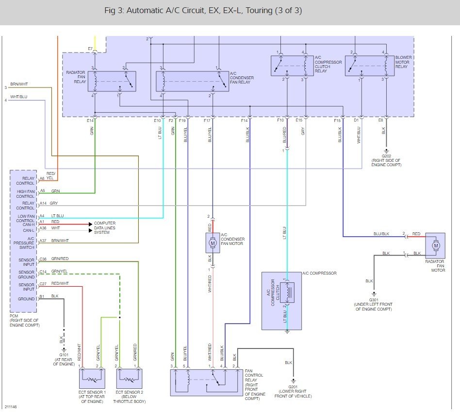
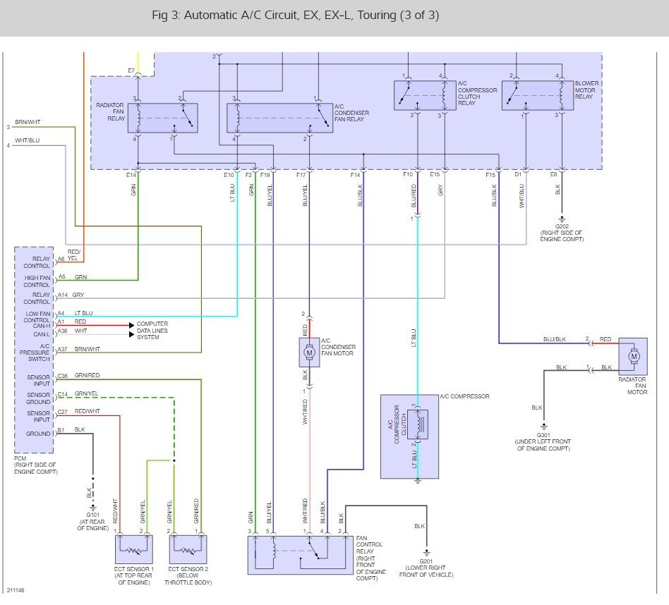
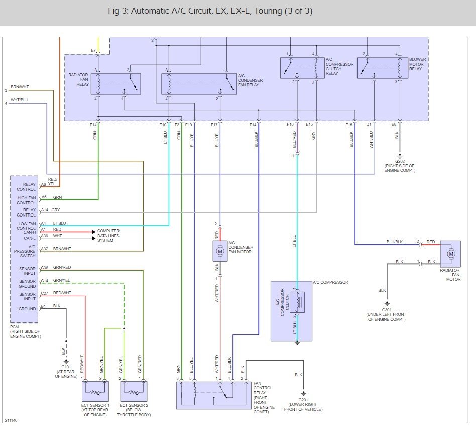
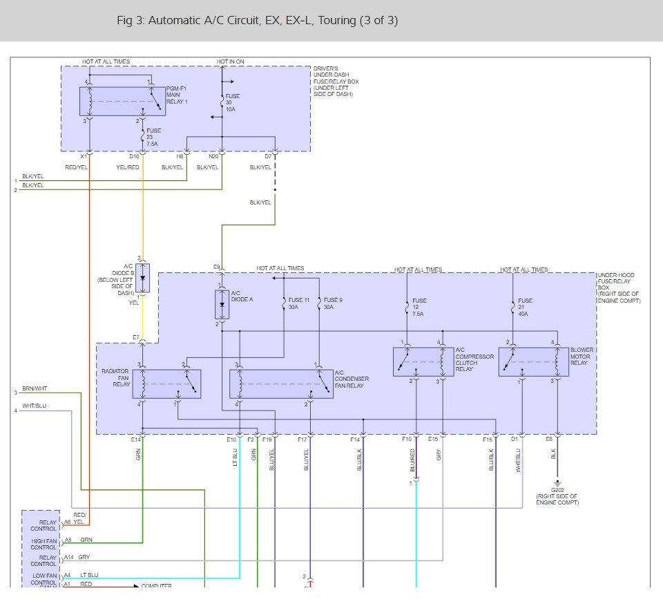
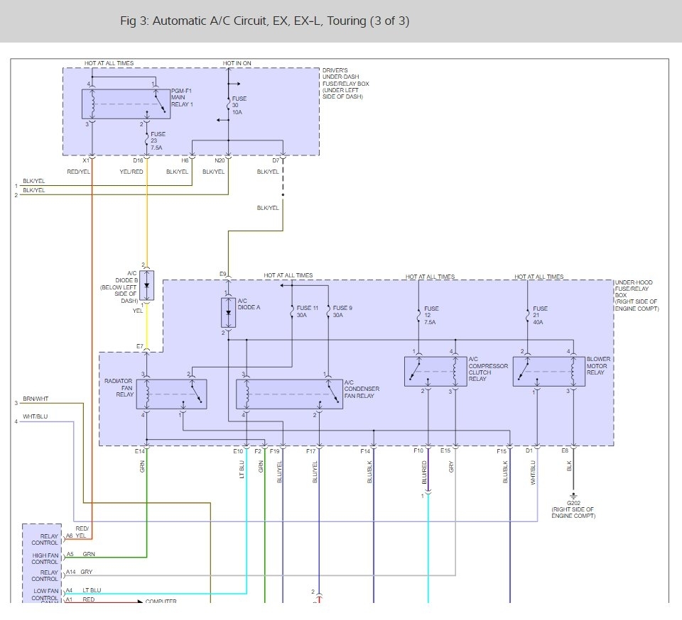
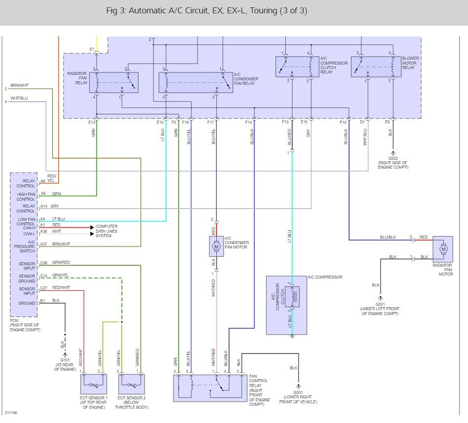
Rear a/c and heat work fine via front and rear controls. Front has no airflow (cold or hot) from vents. Is there a separate blower for front and rear or is it the same? Is there a fuse for each, etc? What can I look for.
Thanks, Mike
Sunday, November 7th, 2010 AT 12:57 PM























