Cruise Control

Tiny
STOWMAN47
  • MEMBER
  • 2002 HONDA CIVIC
Electrical problem 4 cyl Two Wheel Drive Manual 91000 miles

I spilled some juice on the steering wheel and the cruise control stopped working. I changed the switch that is attached to the steering wheel, but, it didn't fix the problem. Got any ideas?
Friday, January 2nd, 2009 AT 4:27 PM

3 Replies

Tiny
KHLOW2008
  • MECHANIC
  • 41,814 POSTS
Hi stowman47,

Does the main switch light shows when switch is turned on? Other things to check are : Check the No. 10 (7.5A) and No. 4 (10A) fuses in the under- dash fuse/relay box, and the No. 7 (15A) fuse in the under-hood fuse/relay box. Check that the horn sounds. Check the tachometer to see if it works properly.

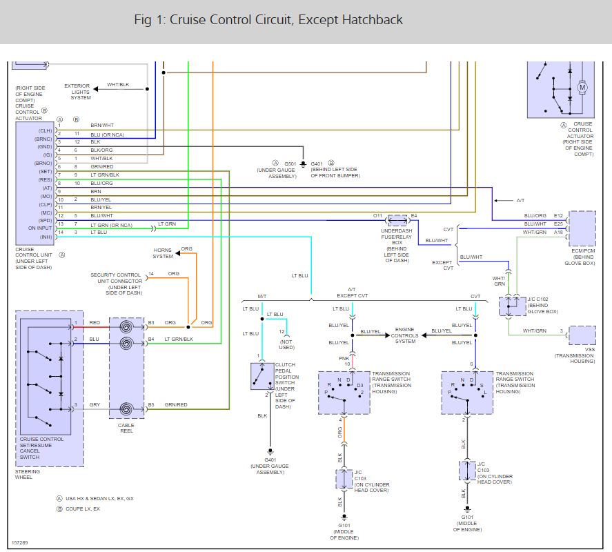
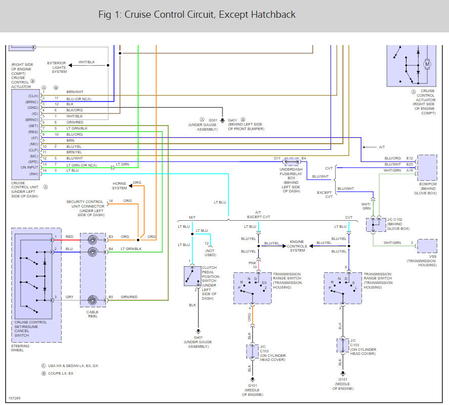
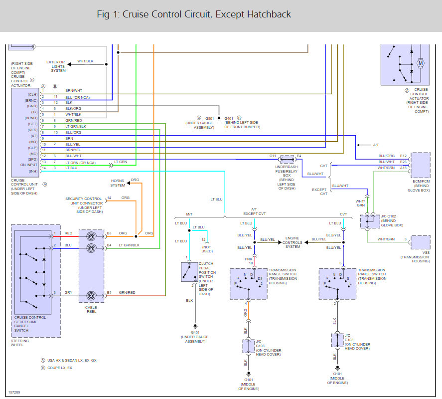
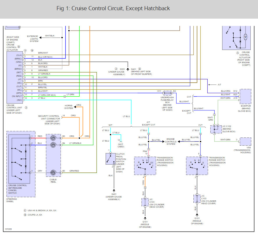
Here are some guides and a cruise control wiring diagram so you can check the connections.

https://www.2carpros.com/articles/how-to-use-a-test-light-circuit-tester

and

https://www.2carpros.com/articles/how-to-check-wiring

Check out the diagrams (Below)

Please let us know what you find.

Cheers, Ken
Was this
answer
helpful?
Yes
No
-1
Friday, January 2nd, 2009 AT 5:43 PM
Tiny
STOWMAN47
  • MEMBER
  • 2 POSTS
RE: Cruise stopped working after juice was spilled on Steering Wheel. Changed Wheel Mtd. Switch, did not help. You suggested checking fuses #10, 4, & Under hood #7. All of them are ok. The horn works and the tach is fine. Any other ideas?
Was this
answer
helpful?
Yes
No
Saturday, January 3rd, 2009 AT 10:59 AM
Tiny
KHLOW2008
  • MECHANIC
  • 41,814 POSTS
Hi stowman47,

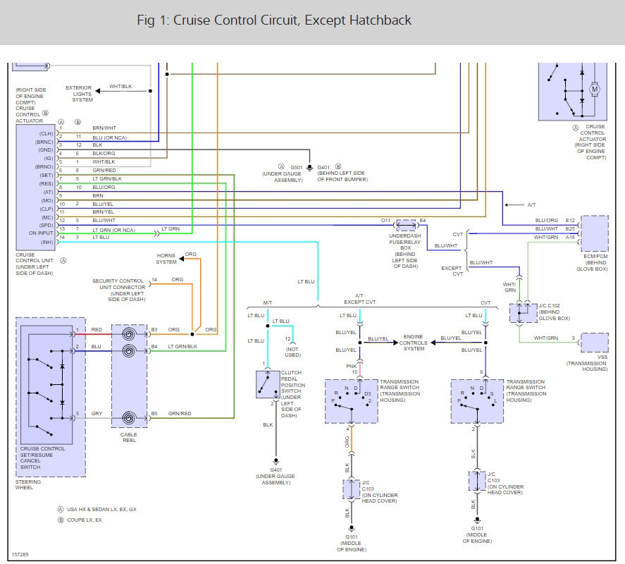
If I were you it sounds like the brake light switch has gone bad which will cause the cruise control to stop working. Here is a diagram to help you get it changed out.

Check out the diagrams (Below)

Please let us know if you need anything else to get the problem fixed.

Cheers, Ken
Was this
answer
helpful?
Yes
No
+1
Saturday, January 3rd, 2009 AT 6:13 PM

Please login or register to post a reply.