Cruise Control not working

Tiny
K3N3T1K_K
  • MEMBER
  • 1994 HONDA CIVIC
  • 1.6L
  • 4 CYL
  • FWD
  • AUTOMATIC
  • 172,800 MILES
The cruise control button to engage works, but it will not set the speed on the steering wheel. Even when you go 25 mph or more for the cruise control to kick in. No light on the dash as well.
Friday, May 27th, 2016 AT 3:19 AM

1 Reply

Tiny
KASEKENNY
  • MECHANIC
  • 18,907 POSTS
We have a couple things that we have to check to find out what the issue is.

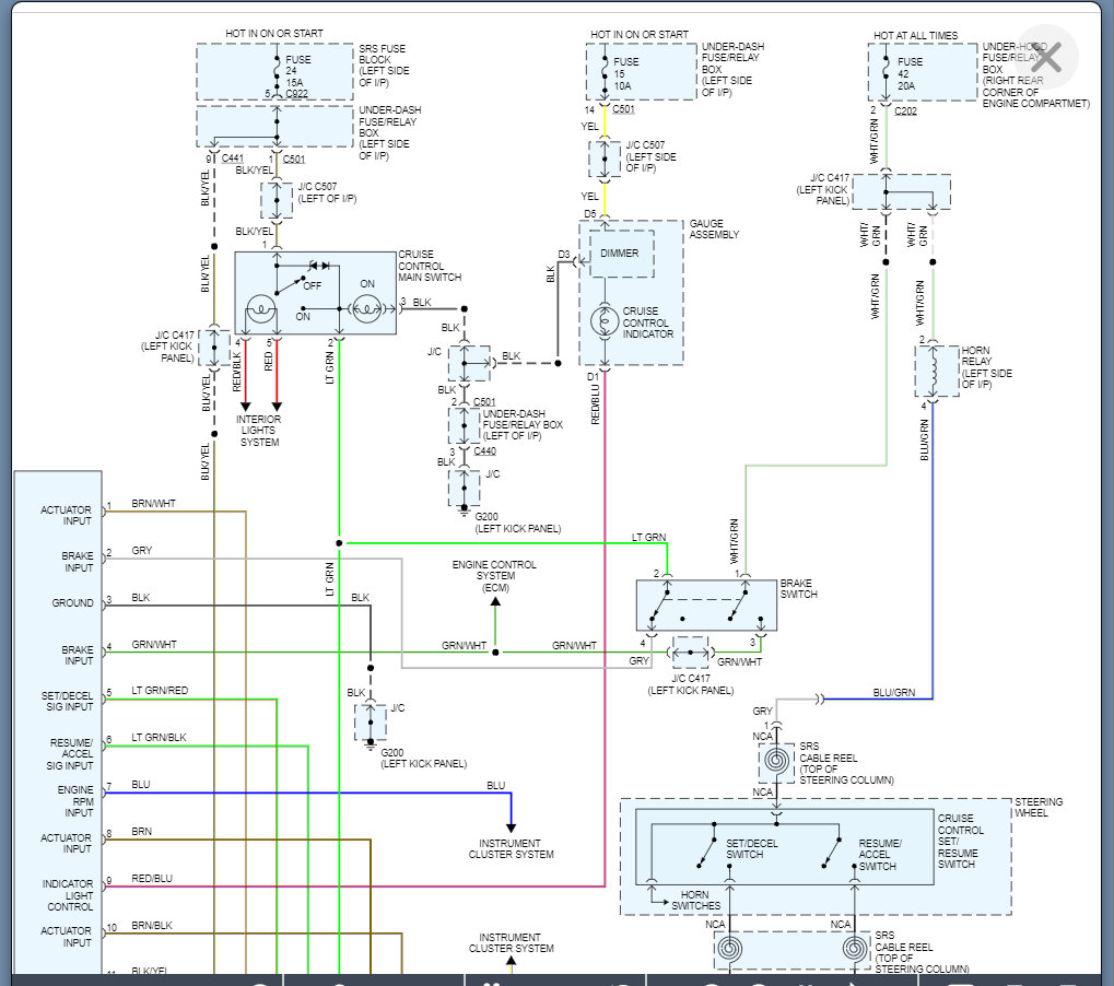
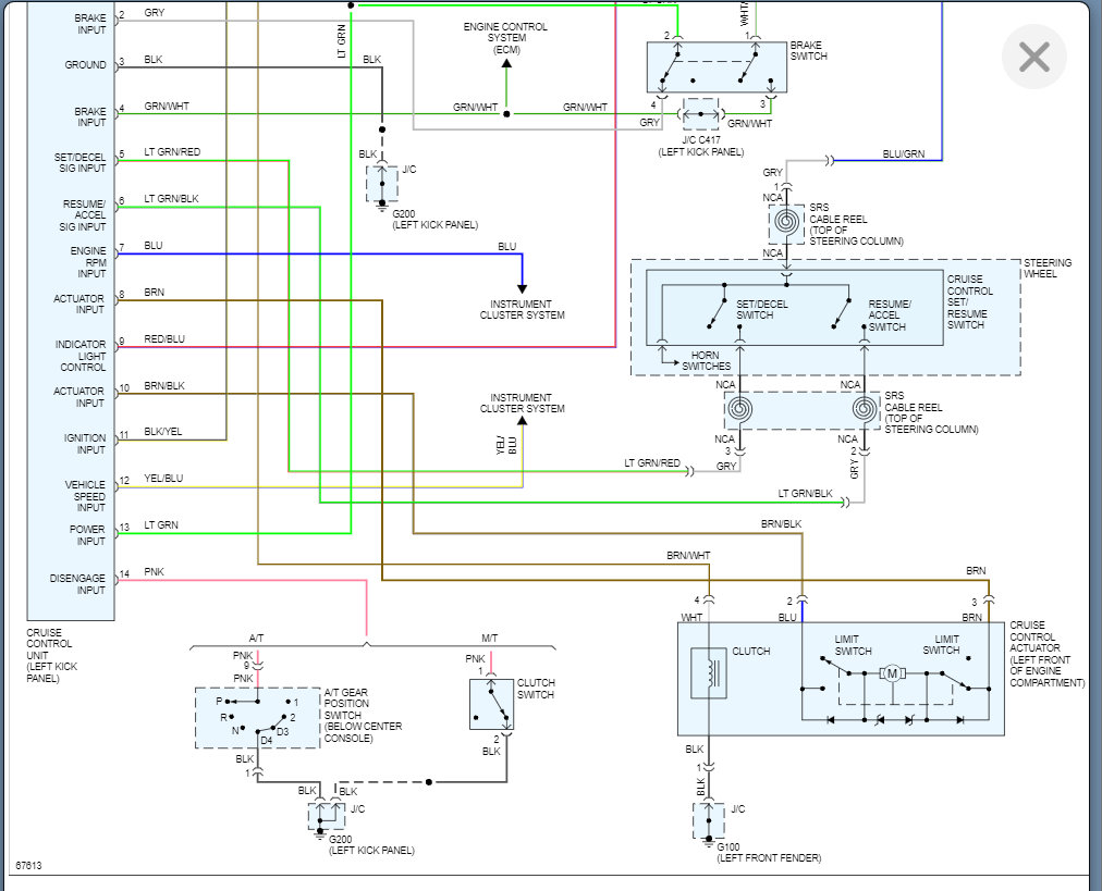
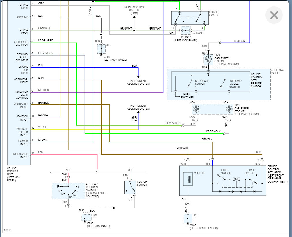
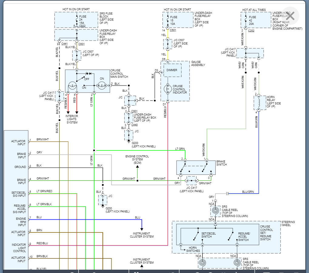
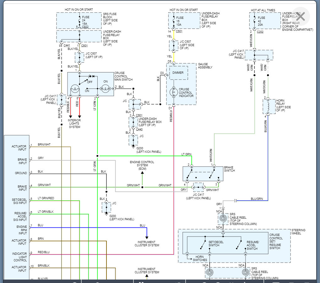
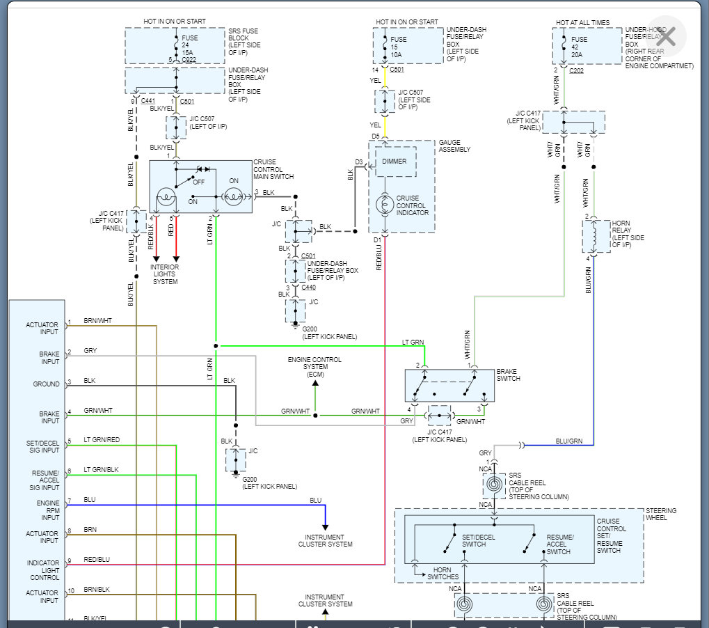
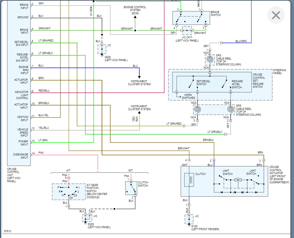
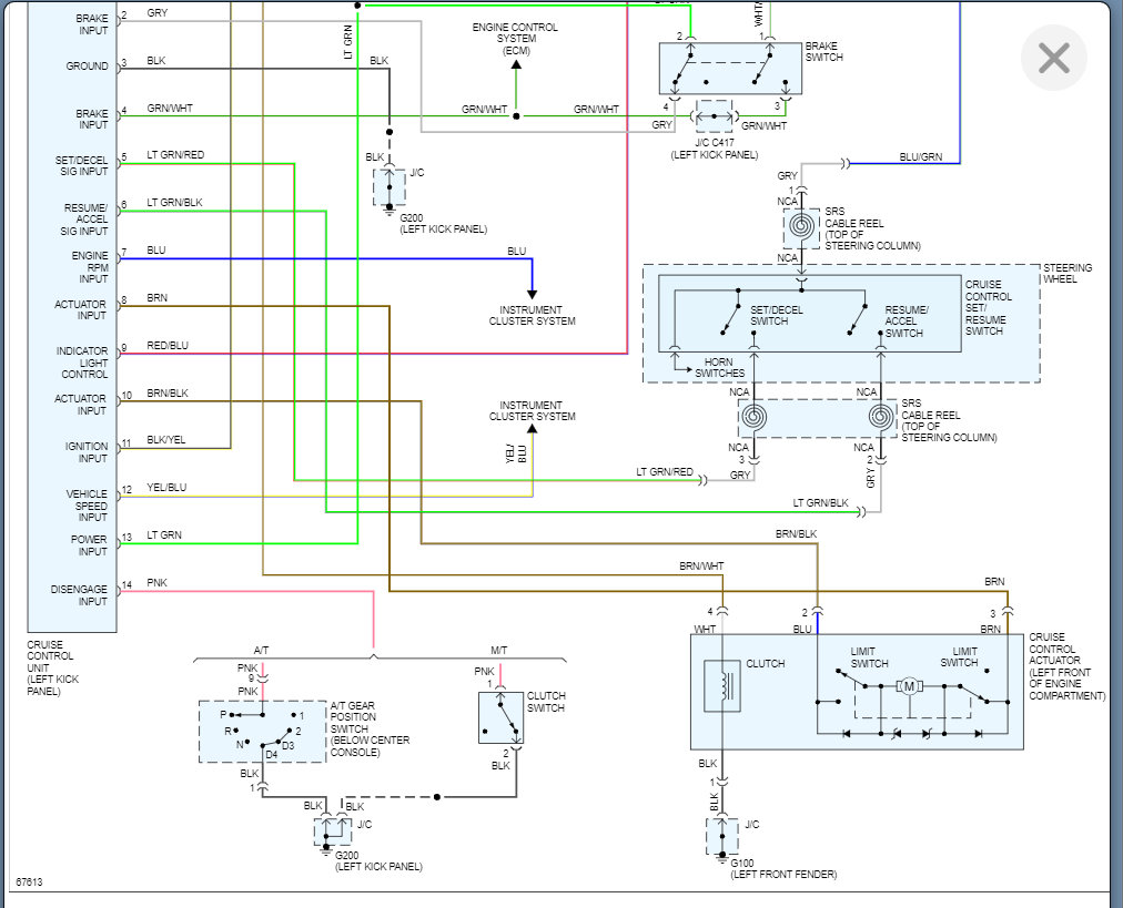
I would suggest accessing the control unit in the left kick panel and check the voltage coming from the switch when you press the set button.

Simply follow this wire from the set button on the wiring diagram and see if the switch is working.

If it is working, then you need to check the output from the module to the actuator and find out if there is voltage coming out.

https://www.2carpros.com/articles/how-to-check-wiring

Basically, you are checking the operation of the control unit.

If there is no voltage coming out to the actuator, then you need to make sure there is no input from the brake switch.

If there is then the control unit thinks the brakes are being depressed.

If not, then you have an issue with the actuator.

I attached a document that explains this and shows the issues depending on the results you have.

Please let us know what you find. Thanks
Was this
answer
helpful?
Yes
No
Friday, October 22nd, 2021 AT 5:48 PM

Please login or register to post a reply.