Wednesday, September 29th, 2010 AT 6:32 AM
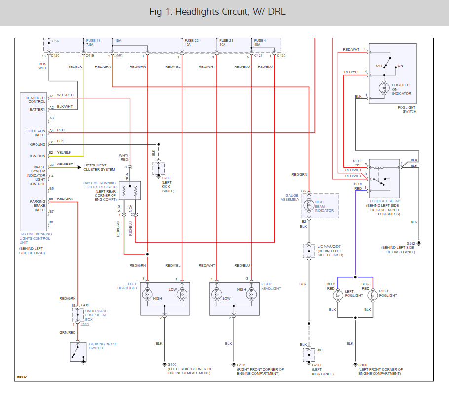
My headlights don't work but my brights do. I changed new bulbs but no help. Also my turn signal flasher is slow to flash. Any ideas on how to fix or where to go?













