Rear brake lights not working?

Tiny
GARYFA
  • MEMBER
  • 1 POST
  • 1996 HONDA CIVIC
  • 274,000 MILES
I have a 96 Honda civic. When I start my car up aftet its been sitting for a while none of the light will come on no interior, head or tail lights, break lights do, as well ad reverse lights, after a while they do come on. Any ideas?
Was this
answer
helpful?
Yes
No
Saturday, October 31st, 2020 AT 10:44 AM (Merged)
Tiny
DRCRANKNWRENCH
  • MECHANIC
  • 3,380 POSTS
The battery may be bad. Take it to an Advance Auto or Auto Zone and they will test it for free. Also check you battery cable connections at both ends. Make sure you have a tight corrosion free metal to metal fit.
Was this
answer
helpful?
Yes
No
Saturday, October 31st, 2020 AT 10:44 AM (Merged)
Tiny
CTBULLINGOR
  • MEMBER
  • 1 POST
  • 1995 HONDA CIVIC
1995 Honda Civic 4 cyl Front Wheel Drive Manual

my 1995 honda civic brake lights are out. I checked the fuses and the fuse is good. I checked the bulbs and they are good. I cant figure out how both brake lights are out.
Was this
answer
helpful?
Yes
No
Saturday, October 31st, 2020 AT 10:44 AM (Merged)
Tiny
F4I_GUY
  • MECHANIC
  • 3,302 POSTS
Get a testlight or a voltmeter. With the brake pedal depressed ensure that there is power getting to the socket. If not, I would first check your brake switch. If there is power, the cause might be a poor or corroded ground.
Was this
answer
helpful?
Yes
No
Saturday, October 31st, 2020 AT 10:44 AM (Merged)
Tiny
TAUTVYDAS JAGUCIANSKAS
  • MEMBER
  • 7 POSTS
  • 1993 HONDA CIVIC
  • 1.5L
  • 4 CYL
  • 2WD
  • MANUAL
  • 155,000 MILES
Since I got the car, my friend who was following me the entire trip home said I didn't have any stop lights. Went to check out what's wrong the other night. Bulbs are good, or at least one of them is, because when I turn on the fog lights, the left side rear light/stop light turns on. I think the fuses are okay because if I'm not mistaken, the fuse under the hood is for horn/stop lights, the horn works, stop lights don't. Or I could be wrong.
Was this
answer
helpful?
Yes
No
Saturday, October 31st, 2020 AT 10:44 AM (Merged)
Tiny
SCGRANTURISMO
  • MECHANIC
  • 4,897 POSTS
Hello,

This could just be a problem with the bulbs being burnt out. Most taillight/brake light bulbs are two in one bulbs. Even if the tail lights are working, the brake lights can still be burnt out. I have included a link down below for you to go to.

https://www.2carpros.com/articles/brake-lights-not-working

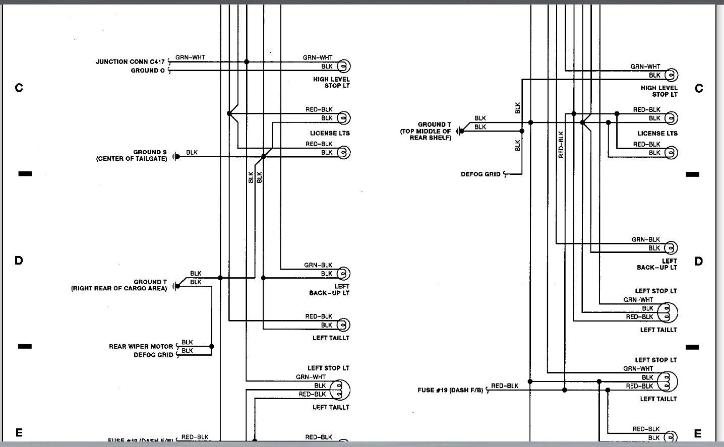
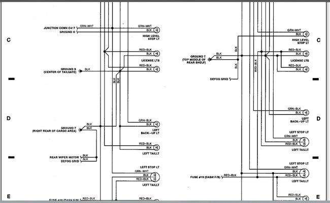
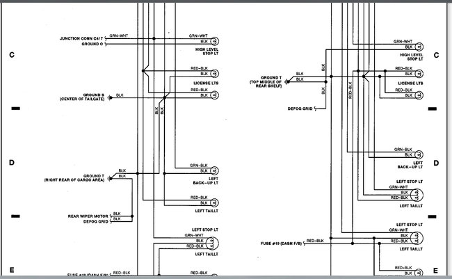
Otherwise I have included in the diagrams down below all of your vehicle's fuse box and tail light wiring diagrams for you. Please get back to us with what you find out.

Thanks,
Alex
2CarPros
Was this
answer
helpful?
Yes
No
Saturday, October 31st, 2020 AT 10:44 AM (Merged)
Tiny
WIKEDEYE
  • MEMBER
  • 3 POSTS
  • 1993 HONDA CIVIC
  • 4 CYL
  • FWD
  • MANUAL
  • 145,900 MILES
My brake lights are not working. I have replaced the bulbs, checked the fuses, and pulled the brake switch and tested it with a multi tester. After testing the switch and it being ok I put it back in and they worked for a while. The other day a man told me that the lights were not working so when I got home I pushed in the pedal and they were on. This morning someone else told me that they were not working again. I am pretty sure that it must be the wiring, but I do not know where to begin checking. I cant afford to go to a shop, but I am pretty handy, so if you could give me some recommendations on what and where and how to check, I would be very grateful.

Update: This morning I got in my car and hit the brakes and they lit up, so I let off and tried again and they lit up. After the two working tries they quit. No brake lights the whole way to work.
Was this
answer
helpful?
Yes
No
Saturday, October 31st, 2020 AT 10:44 AM (Merged)
Tiny
KHLOW2008
  • MECHANIC
  • 41,814 POSTS
Hi Wikedeye,

Thank you for the donation.

The brake switch is bad and intermittently not working. To test if it is the cause, when the brake lights do not work, use a test lamp to probe the brake switch with pedal depressed. If there is input and no output, the switch is bad.

Alternatively when the brake lights do not work, unplug the brake switch connector and bridge the brake circuit terminals, if lights comes on, the switch is bad.
Was this
answer
helpful?
Yes
No
Saturday, October 31st, 2020 AT 10:44 AM (Merged)
Tiny
WIKEDEYE
  • MEMBER
  • 3 POSTS
Ok thanx. I will check that when I get home and let you know if it worked.
Was this
answer
helpful?
Yes
No
Saturday, October 31st, 2020 AT 10:45 AM (Merged)
Tiny
KHLOW2008
  • MECHANIC
  • 41,814 POSTS
You are welcomed and if you require additional info, let me know.
Was this
answer
helpful?
Yes
No
Saturday, October 31st, 2020 AT 10:45 AM (Merged)
Tiny
WIKEDEYE
  • MEMBER
  • 3 POSTS
I came home and checked the switch with a voltage check light and both wire had signal. Then I jumped the circuit with a wire and the lights came on so I got a new switch and now I have lights. Thank you for the help, I will be asking more questions here in the future. Thanx again.
Was this
answer
helpful?
Yes
No
Saturday, October 31st, 2020 AT 10:45 AM (Merged)
Tiny
KHLOW2008
  • MECHANIC
  • 41,814 POSTS
You are welcomed and glad to be of service.

Anytime you have questions, just drop by and we will give them the best shot.

Thank you for using 2carpros.

Have a grest day.
Was this
answer
helpful?
Yes
No
Saturday, October 31st, 2020 AT 10:45 AM (Merged)
Tiny
KATCH82
  • MEMBER
  • 1 POST
  • 1992 HONDA CIVIC
  • 20,500 MILES
I have a 1992 Honda Civic hatchback, the brake lights are out. The fuses have been checked and double checked, the brake signal switch has been replaced and the bulbs, still no brake lights. Tail lights, blinkers, back up light and license plate light all work. Help?
Was this
answer
helpful?
Yes
No
Saturday, October 31st, 2020 AT 10:45 AM (Merged)
Tiny
JACOBANDNICKOLAS
  • MECHANIC
  • 110,194 POSTS
Make sure there is power to the switch. Make sure there is power out of the switch. If there is, there has to be a break between the switch and lights. NOTE: Check body grounds too, but they should be fine if everything else is working.
Was this
answer
helpful?
Yes
No
Saturday, October 31st, 2020 AT 10:45 AM (Merged)
Tiny
GEN12
  • MEMBER
  • 1 POST
  • 1992 HONDA CIVIC
Brakes problem
1992 Honda Civic 4 cyl

I just got new brakes put in my car. No more then a week passed and the brakes were not working at all. The brake light has been on. Now there is fluid shooting out from somewhere. Why is this and what exactly do I have to do to get this repaired?
Was this
answer
helpful?
Yes
No
Saturday, October 31st, 2020 AT 10:45 AM (Merged)
Tiny
F4I_GUY
  • MECHANIC
  • 3,302 POSTS
You have a brake leak somewhere in your braking system.

I would definately not recommend driving until you have resolved this issue.

It could be a rotted brake line, flex hose, wheel cylinder, things of that nature. Is the leak coming from the front? Rear? Middle of the vehicle?
Was this
answer
helpful?
Yes
No
Saturday, October 31st, 2020 AT 10:45 AM (Merged)
Tiny
GROOMSRYAN
  • MEMBER
  • 1 POST
  • 1991 HONDA CIVIC
Electrical problem
1991 Honda Civic 4 cyl Front Wheel Drive Manual 197k miles

I hit the brakes and the tail lights dont come on but the seat belt and the door light on the dash come on what is it and how do I fix it
Was this
answer
helpful?
Yes
No
Saturday, October 31st, 2020 AT 10:45 AM (Merged)
Tiny
F4I_GUY
  • MECHANIC
  • 3,302 POSTS
First thing to do is check all your fuses. A blown fuse can cause strange electrical issues. It's a simple and easy check to be made.

If all the fuses are intact, I would check your brake switch, The power wire may be shorting out somewhere, or the ground wire may be weak or open.
Was this
answer
helpful?
Yes
No
Saturday, October 31st, 2020 AT 10:45 AM (Merged)

Please login or register to post a reply.