Dash lights not working

Tiny
LBATTCHER
  • MEMBER
  • 1998 HONDA ACCORD
My dash lights has gone out with my clock in dash for my 98 Honda Accord. How do I fix it?
Monday, March 9th, 2009 AT 2:21 PM

1 Reply

Tiny
SQM
  • MECHANIC
  • 6,383 POSTS
Hello,

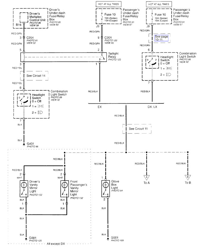
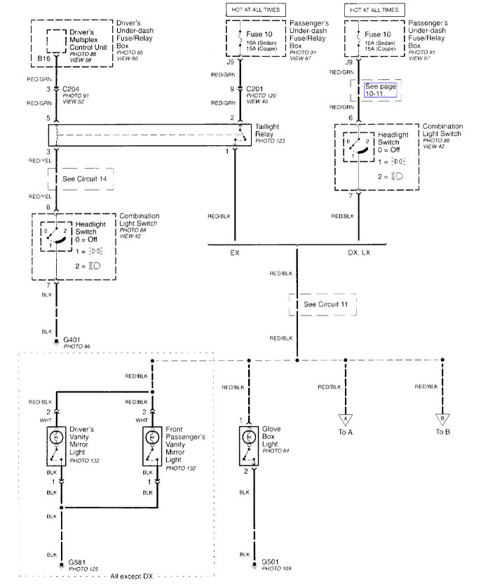
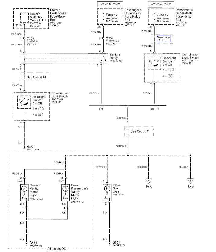
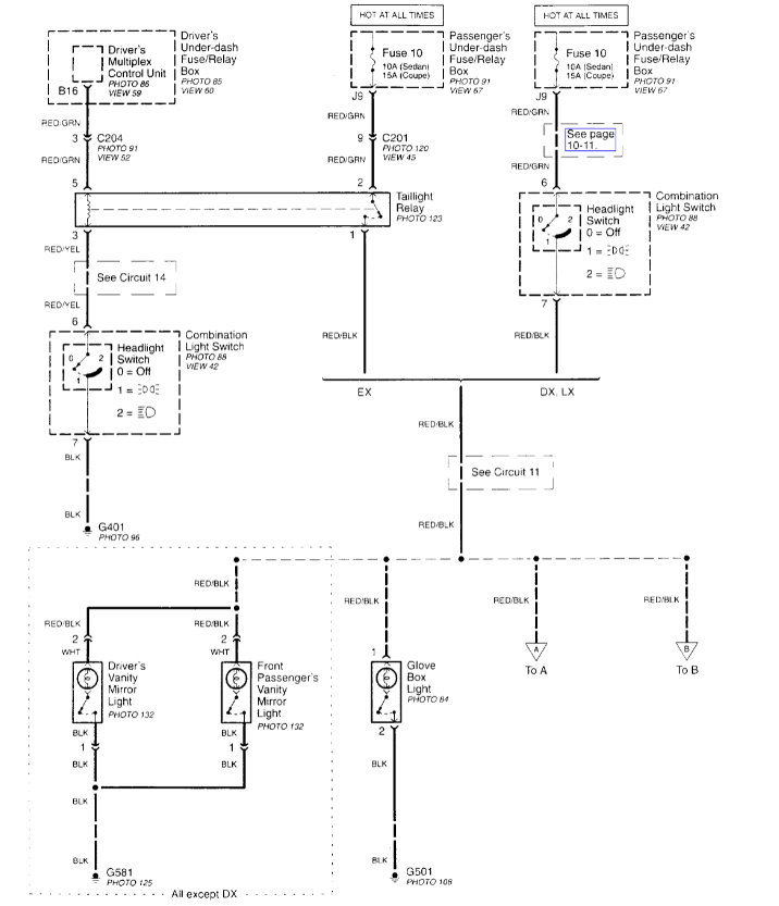
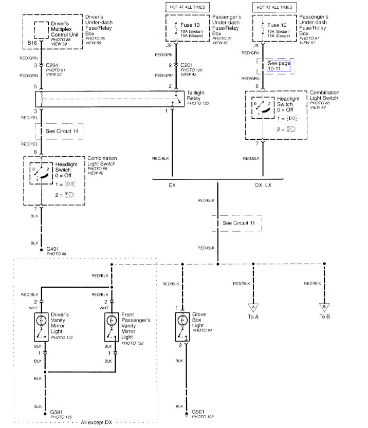
There is a fuse in the fuse block under the dash on the passenger side, that controls the dash light for your vehicle.
That should be the first item to check.

https://www.2carpros.com/articles/how-a-car-fuse-works
https://www.2carpros.com/articles/how-to-check-a-car-fuse

If the fuse is good, then it will be a wiring issue.

https://www.2carpros.com/articles/how-to-check-wiring

I have attached the diagram for your reference.

Please let me know of any questions.

Thank you.
Was this
answer
helpful?
Yes
No
Sunday, August 1st, 2021 AT 9:21 PM

Please login or register to post a reply.