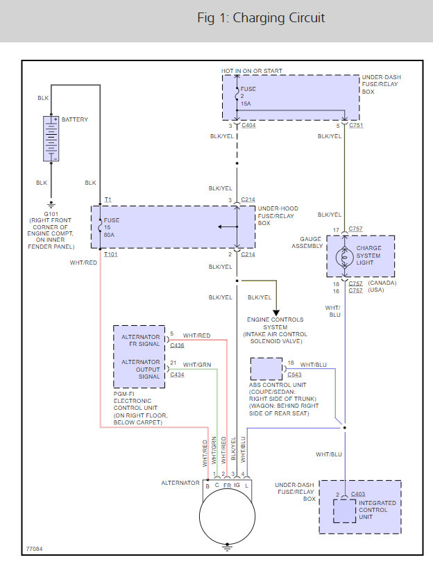
Tuesday, June 24th, 2008 AT 11:44 AM
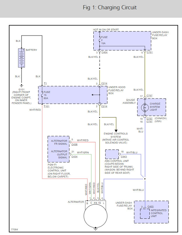
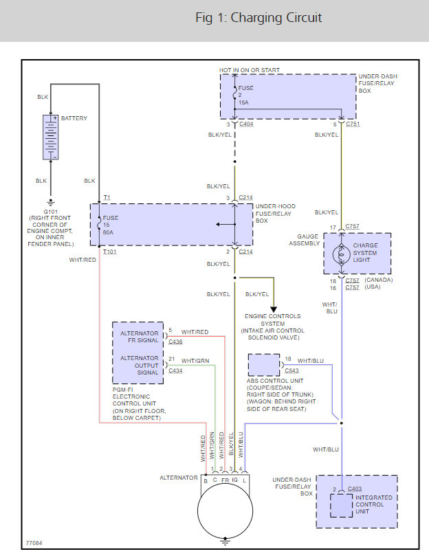
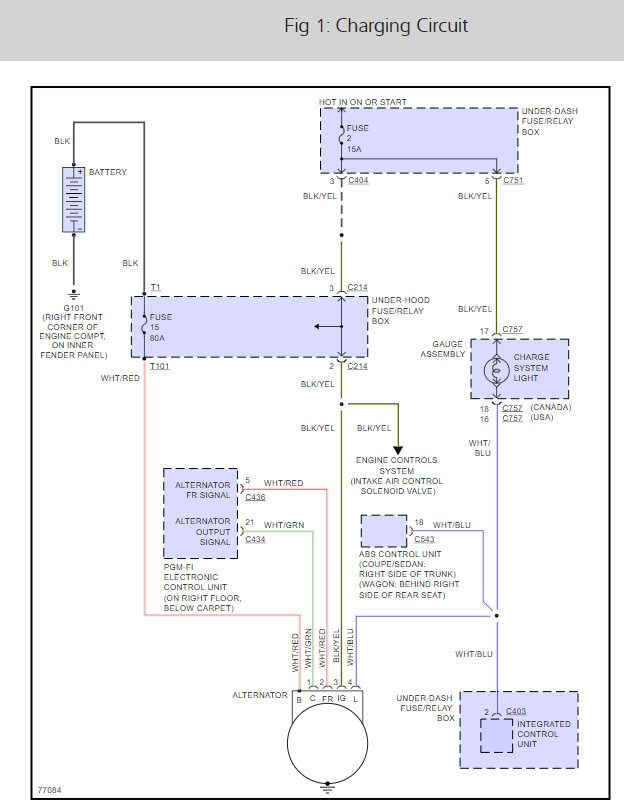
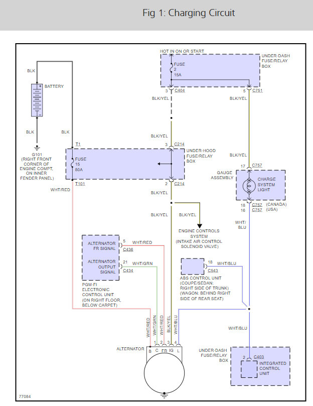
I replaced the alternator but my charge light and abs light are still on. It is charging 13.9 but it is affecting the computer. Please help.














