High oil pressure

Tiny
KEVIN BAIM
  • MEMBER
  • 1999 CHEVROLET S-10
  • 4 CYL
  • 2WD
  • 155,000 MILES
My oil pressure stays high from cold start and after warming up. It does go to normal but goes back to high intermittently.
Sunday, February 14th, 2021 AT 8:51 AM

1 Reply

Tiny
STEVE W.
  • MECHANIC
  • 15,701 POSTS
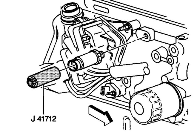
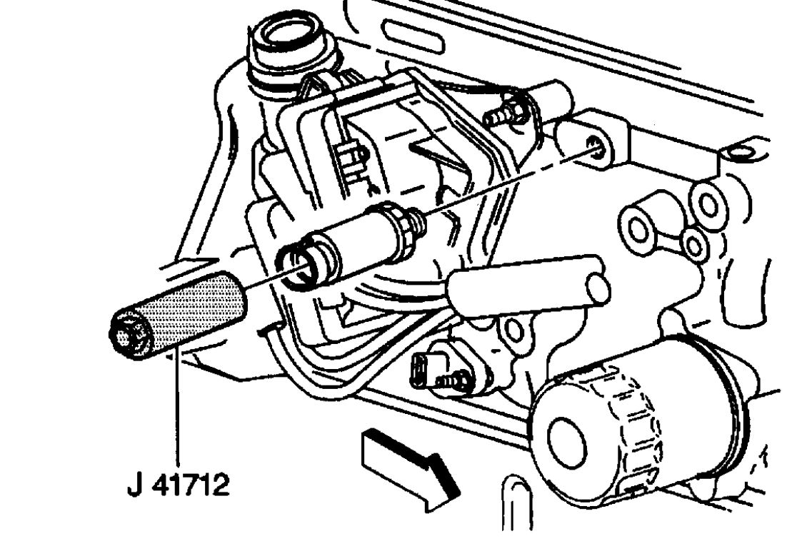
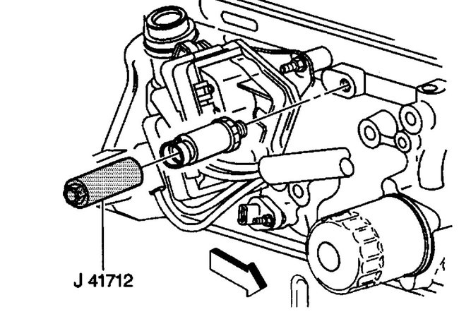
That issue is a common one if the pressure sending unit is failing, however it is better to use a mechanical gauge installed in place of it first to verify the real oil pressure. The sender uses a standard fitting and is screwed into the block above and in front of the oil filter and behind the coil pack. It is easiest to reach if you remove the inner fender flap and go in through the wheel well but it can be reached from below if you have long arms. Once it's out the mechanical gauge will just screw in and you can then test the actual pressure. If this just started with the cold weather it could be the oil is just thick, but once it's warm it shouldn't jump back up. Normal oil pressure on the 2.2 runs about 50 PSI with a warm engine at 3,000 RPMs. If it's running about that and then drops back when you let off and then stays at the lower pressure at idle the sending unit is the likely problem. However watch the dash gauge as well as the stepper motor may be failing and they will sometimes jump around even with the sender disconnected. You can usually get a pressure test kit as a "loaner tool" from a parts store. If you run the test and it is still running high pressures like it is now the likely issue would be the oil pump relief valve. On that engine the valve is located under the oil filter, you remove the filter, unscrew the threaded adapter from the block and the bypass valve is pressed into the face of the filter adapter. You use a hammer and chisel to free it then gently drive a new one in. Then re-install the threaded adapter and the filter.
Was this
answer
helpful?
Yes
No
Sunday, February 14th, 2021 AT 1:10 PM

Please login or register to post a reply.