Code P0171, High fuel trims across all engine speeds, poor acceleration?

Tiny
GNMAN4
  • MEMBER
  • 27 POSTS
Photos
Was this
answer
helpful?
Yes
No
Monday, September 23rd, 2024 AT 5:02 AM
Tiny
AL514
  • MECHANIC
  • 5,595 POSTS
Okay, just taking a look at all your postings here, looks like the back pressure is not an issue, that seemed to be the case with the live data from the MAF.
Was this
answer
helpful?
Yes
No
Monday, September 23rd, 2024 AT 11:57 AM
Tiny
AL514
  • MECHANIC
  • 5,595 POSTS
So when was this 3rd set of data PIDs done? This is the strange(r) one of the bunch, its looks like at idle, and 186.8f on the ECT. But Throttle Position is at 80%? And injector on time 10.4ms? And this was taken in Open Loop. Something just doesnt look right here. It looks like closed loop is when the super high fuel trims come in, can you grab data PIDs ECT, Fuel system status, STFT & LTFT, RPM, TPS, Injector ms, MAF, calculated load, B1S1 & B1S2, just those data PIDs, and any others you think will help. I think we need to see what the MAF is reporting during some of this, because how can you have 80%tps @ 650rpm? With the injectors being almost full on at that point, the only difference I see here is the Open/Closed Loop difference. Im going to see how this MAF reads, if its frequency or voltage reading, Interesting case study, Im going to go through the sensor operations some more. You may want to Graph the TPS and check for anything weird going on there too. I cant explain these specific readings at these certain engine temps. I would think at 186.8f it should be able to go into closed loop at that point.
Was this
answer
helpful?
Yes
No
Monday, September 23rd, 2024 AT 12:30 PM
Tiny
GNMAN4
  • MEMBER
  • 27 POSTS
I named the photos for the cases but apparently that does not show up. The specific case you are asking about is a full throttle case in park. Since the fuel map has not "learned" that position and I am in open loop the engine just bogs.
Was this
answer
helpful?
Yes
No
Tuesday, September 24th, 2024 AT 4:20 AM
Tiny
GNMAN4
  • MEMBER
  • 27 POSTS
For the regular idle case you can see the fuel map has dramatically increased the fueling ( 150%) and the injection time (ms) is higher than it should be. To me this agrees with the lean O2 readings I am receiving.
Any other ideas on what could cause this? I have not researched the effect of cam advance/retard on O2 readings. Lets suppose the timing chain has stretched or the hydraulic advance mechanism is leaking, would it have any effect on O2 readings?
Was this
answer
helpful?
Yes
No
Tuesday, September 24th, 2024 AT 4:26 AM
Tiny
AL514
  • MECHANIC
  • 5,595 POSTS
Yeah, I can see the fuel compensation has maxed out in closed loop which is your 4th picture up top there. The rear 02s are only going to read oxygen or lack there of, not the amount of fuel.
But in the picture 3 you are going WOT to 80%, the ECM goes into open loop like it should, the pulse width goes high like it should, the AF sensor ratio of 1.23 though is indicating on the lean side. **But is the lack of RPM change the bog down you are referring to?
Just curious, where did the AF sensor that you swapped out come from? Because it's pegging out a 4.99volts there as well during that event. This data just looks so out of place here.

I mean a stretched timing chain is a possibility, Id think you would get some crank/cam correlation codes, along with some possible back firing into the intake, but that also depends on how stretched it is,

Do you have a 2 channel oscilloscope where you could grab the cam and crank signals, I can get you a known good cam/crank wave form for this vehicle no problem, and we could compare the two, I would need your waveform first, Ill give that to someone I know and he will give the same waveform back at the same time base and such. We're only dealing with one cam sensor, if you can get a waveform which shows 360degrees of crank rotation, so you'll have 2 crank TDC signals, one at the beginning of the waveform and one at the end, with the cam signals below it, and zoomed in enough where we can measure the actual degrees between either the rising edge or falling edge of the 2 sensors, that would tell us exactly how stretched the chain is.

If you have an in-cylinder pressure transducer, that can even tell you if your intake or exhaust valve opening is either retarded or advanced. I use a scope for almost everything these days. I can post some examples if needed
Was this
answer
helpful?
Yes
No
Tuesday, September 24th, 2024 AT 12:22 PM
Tiny
AL514
  • MECHANIC
  • 5,595 POSTS
So this is a cranking in cylinder waveform from a 2006 Honda CRV, which turned out to be a strange head gasket issue, but even though this is not a crank/cam waveform it shows how we could measure the degrees between the two signals my lining up the cursors and marks, the compare it with a known good, do the same and see if there is timing chain stretch or if the timing might have jumped a tooth, but in that case technically it should set a code, but sometimes the difference needs to be something like 5 or 6 degrees to actually set a code for timing, This is from a Pico scope setup. I just put this up as an example. I do have a vehicle here that I need to get the cam and crank signals from, which I'll try to do in the next day or so.
Was this
answer
helpful?
Yes
No
Tuesday, September 24th, 2024 AT 12:51 PM
Tiny
AL514
  • MECHANIC
  • 5,595 POSTS
Did this car come to you like this? This isn't a personal vehicle, correct? If it's a customer vehicle I might question if they did any work previously, that rear 02 is staying full lean all the time, is that thing shorted to ground somewhere? Maybe melted a wire to the exhaust or something, in every set of data it's pretty much looks grounded. I've been so focused on this insanely high fuel trims, but going through each picture, it's stuck there. 0.055v all the time, this will be embarrassing if it's just a bad rear 02 or its wiring.
Was this
answer
helpful?
Yes
No
Tuesday, September 24th, 2024 AT 12:59 PM
Tiny
AL514
  • MECHANIC
  • 5,595 POSTS
Unplug that rear 02 sensor and see if scan tool data goes to 0.450mv. Sorry I should have had you do this to begin with, I think I went down a rabbit hole on this one. I apologize for that.
Was this
answer
helpful?
Yes
No
Tuesday, September 24th, 2024 AT 1:06 PM
Tiny
GNMAN4
  • MEMBER
  • 27 POSTS
To answer your first questions -
Yes, bog means the engine just sags with no power and often the RPM, drops.
The AFR sensor I bought new in Bosch. It gave basically the same readings as the original.
Was this
answer
helpful?
Yes
No
Wednesday, September 25th, 2024 AT 3:58 AM
Tiny
GNMAN4
  • MEMBER
  • 27 POSTS
The car is mine - my daily driver. The rear O2 sensor moves when you rapdily decelerate the engine as you would expect.
Was this
answer
helpful?
Yes
No
Wednesday, September 25th, 2024 AT 4:00 AM
Tiny
GNMAN4
  • MEMBER
  • 27 POSTS
I can theck the rear O2 reading unplugged but I have always read that the rear O2 is not used for fuel trim adjustments, just for CAT health.
Was this
answer
helpful?
Yes
No
Wednesday, September 25th, 2024 AT 4:01 AM
Tiny
GNMAN4
  • MEMBER
  • 27 POSTS
So from your reply it is unlikely to be a timing or advance/retard issue as a code would be set. Any other ideas? I am out of things to check.
Was this
answer
helpful?
Yes
No
Wednesday, September 25th, 2024 AT 4:05 AM
Tiny
AL514
  • MECHANIC
  • 5,595 POSTS
Yes, you're correct, the rear 02 is really only for Cat monitoring, but the way it's almost 0 volts all the time, it should be around a steady 600mv roughly, go rich a WOT and go lean on decel. And this brings us back to the fuel injectors, but one other thing to check first is to block off the Purge valve and make sure that the condition is still there with the Evap just deleted off for testing. If you block off the port on the intake for the purge hose, and you still have huge fuel trims, we are really left with injector flow. I was thinking about this car all night, you've got good fuel pressure, no sensors are coding, and Toyota is pretty good at setting codes. I know you did and injector balance test already, but we have gone through almost everything.

So, Id first check to make sure the injector power wire can carry current, the injectors and coils look to be powered directly through the ignition switch (I will verify this), but they are on a 15amp fuse, so that injector wire should be able to light a 4amp test lamp easily. I use a turn signal or headlamp bulb should work, I use a turn signal bulb, one filament is about 2-3amps for load testing wiring. If it can light the bulb with no problems for a few seconds, then at least the wiring should be okay. I don't even think a purge valve stuck open would cause the fuel trims you're seeing, they're just too high.

Plus, your sensor data points to an actual fuel issue, so the *injectors and *fuel rail, Or *bad gas is all that's left. Unless we missed something, I've been crossing off components listed under the p0171 code criteria, and we're at what you see below. You did smoke tests, I'm not sure how much pressure you put on the intake while smoking it, but a vacuum leak should go away at higher rpm and this issue isn't.
If your power feed load test is good, I guess pull the rail and you can even use the injector balance tool to see what they are flowing.

Something else I've seen which is common these days, is if the injectors have been replaced by someone in the past and they install the "great deal" injector set from amazon, or some other aftermarket source, and they are junk and just don't have the correct flow rate. Or if the incorrect injectors were installed at some point,
I mean between the 2 of us, this shouldn't be too difficult, it's just the amount of trim that's really crazy, You're correct the fuel mapping is maxed fully. This leaves the fuel rail, and I'm really looking forward to hearing the fix on this one. I have to go on a mobile call here shortly, but I will stop back and check your reply during the day.
Was this
answer
helpful?
Yes
No
Wednesday, September 25th, 2024 AT 8:24 AM
Tiny
GNMAN4
  • MEMBER
  • 27 POSTS
Okay, I will have to wait for the weekend to perform the injector test. Another symptom I thought of is the car is easy to start when cold but very difficult to start once iit'shot.
I have already performed the purge hose test as well removing the hose to the brake booster and PCV - no change.
Was this
answer
helpful?
Yes
No
Thursday, September 26th, 2024 AT 3:23 AM
Tiny
AL514
  • MECHANIC
  • 5,595 POSTS
Ok, I think the cold start symptom has to do with it being in open loop at that point, because everything changes when it goes into closed loop. But in open loop your scan data showed the 10.4ms injector pulse and almost no fuel trims, but then into closed loop at 190f degrees and idle speeds the injector pulse is down to 3.7ms and fuel trims off the charts. Service info does have this Initialization procedure but its a road test relearn type of procedure. That total fuel trim is 64.4% positive, that's a crazy number.

This vehicle is definitely the difficult one of the month, that's for sure. I feel like we are missing something here though, just curious what's the max voltage the rear 02 goes to at any point? And you're 100% sure there are no exhaust leaks? A method I've seen a tech use once was to hook a shop vac to the end of the exhaust pipe and switch the hose around to the side of the vac that pushes air out, so it's really pressurizing the exhaust, then go around and spray the exhaust sections with soapy water to look for leaks that were hard to detect, because the smoke machine just wasn't enough pressure. This was a master tech as well doing this.

I have run into that as well, high fuel trims around +15% and I smoked the intake multiple times with no leaks, then I upped the pressure a bit more and finally started to see small puffs of smoke coming from many fuel injector seals. It wasn't a crazy amount of pressure, but more was needed to find those leaks. The only system that cant take over a couple psi pressure is the Evap system, but the only difference with my injector leak diag was that it was acting like a vacuum leak, fuel trims would come down at 2500rpm. And yours are not. I'm going to check with someone on this, he will probably know what's up right away.
Was this
answer
helpful?
Yes
No
Thursday, September 26th, 2024 AT 12:54 PM
Tiny
AL514
  • MECHANIC
  • 5,595 POSTS
Do you get the same readings if you switch your scan tool over to generic OBD2 data? Not the manufacturers side
Was this
answer
helpful?
Yes
No
Thursday, September 26th, 2024 AT 1:23 PM
Tiny
GNMAN4
  • MEMBER
  • 27 POSTS
I do not think its an exhaust leak as it goes into open loop at WOT and the engine just bogs. At WOT it should not be using AFR feedback.
Was this
answer
helpful?
Yes
No
Friday, September 27th, 2024 AT 1:21 AM
Tiny
GNMAN4
  • MEMBER
  • 27 POSTS
I agree with your previous estimate that it is fuel related. I intend to pull the rail and look at the injector patterns. If they are not clogged, then I am out of ideas.
Was this
answer
helpful?
Yes
No
Friday, September 27th, 2024 AT 1:27 AM
Tiny
AL514
  • MECHANIC
  • 5,595 POSTS
Yes we're on the same page. WOT should go full bore. I messaged a friend of mine whos a sales rep for PicoTech but he didnt get back to me yet, he might not have an answer since you have already gone through so much. I mean we are only left with injector flow or bad ECM I think. I kind of wish I was at this vehicle to see how its acting, pretty interesting case study if its all 4 injectors clogged up. Did the car sit for awhile, or did these issues develop over time? Its amazing how high the mileage is,

You want to pump out a gallon or two out of the tank when you have the fuel lines apart and let that sit. If theres anything in it but gasoline it will separate into different levels in the bucket, just to see if there is possibly anything in the bottom of the tank. This will also show how much volume the pump can put out.
But also load test the injector power feeds with a good size light bulb to make sure they can carry good current. Pop out a turn signal bulb if needed, that should be 2-3 amps at least. Port fuel injectors only pull about 1 or so amps if they are the 12-14 ohm ones. So a turn signal bulb is plenty to see if that circuit can carry enough current. But only keep it lit for a few seconds. I cant wait to see this thing fixed man.
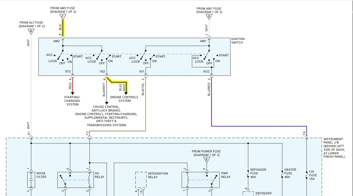
These are the injector power feeds, the Black/White wire also feeds the coils, its strange that it comes directly through the ignition switch and not from a relay, but diagrams 4 and 5 are the "oem" if theyre correct.
Was this
answer
helpful?
Yes
No
Friday, September 27th, 2024 AT 1:02 PM

Please login or register to post a reply.