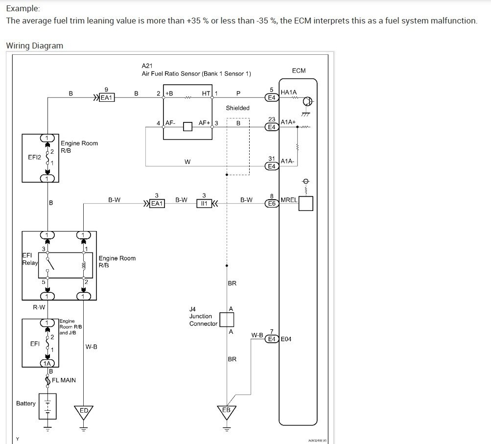
Code P0171, High fuel trims across all engine speeds, poor acceleration?

Tiny
GNMAN4
  • MEMBER
  • 2007 TOYOTA COROLLA
  • 1.8L
  • 4 CYL
  • 2WD
  • AUTOMATIC
  • 360,000 MILES
The car listed above has trouble accelerating when passing another car. If you press the throttle all the way down the engine will bog and the car will slow down.

Details:
-Checked fuel trims across several speed ranges - all were around 150%.
-Checked fuel pressure – normal per service manual. Also checked pressure at speed (load) and pressure was normal.
-Checked brake booster hose, snorkel, PCV, and every other hose I could find for cracks - nothing found.
-Replaced AFR sensor with new one (same brand as original) – no change.
-Cleaned MAF - no change.
-Smoke tested exhaust - nothing found.
-Smoke tested intake - saw some smoke between intake manifold and engine. Changed intake gasket. No change in fuel trim issue.
-Removed the battery cable to clear the fuel trims after changes. Afterwards, car would not stay running when the engine was hot. Waited until the engine was cool and it would start but shake violently. Eventually, the fuel trims came back up to around 150% at idle and it ran acceptably. Engine would not take throttle (bog) above current speed range (idle) until fuel trims were relearned (fuel trim increased to ~150%) for that throttle position. WOT still causes a bog with no engine acceleration (AFR sensor = 1.23). Entering any load range where fuel trims are not relearned to ~150% causes engine bog.

Since the fuel trims are high across all speeds it seems to me it must be either 1) a bad AFR sensor (changed), 2) a fuel delivery issue, 3) a massive air leak between MAF and cylinder, or 4) an air leak in the exhaust near the O2 sensor. This car has many miles (360,000). Any thoughts on items which could cause this issue?

Codes are lean engine (P0171).
Tuesday, September 17th, 2024 AT 4:23 AM

47 Replies

Tiny
GNMAN4
  • MEMBER
  • 27 POSTS
Additionally, since the engine will not take throttle without increased fuel, I do not believe it is an air leak in the exhaust near the O2 sensor.
Was this
answer
helpful?
Yes
No
Tuesday, September 17th, 2024 AT 4:26 AM
Tiny
AL514
  • MECHANIC
  • 5,595 POSTS
Hello, a couple things come to mind, with the very high mileage I would do a fuel injector balance test and see if they are all flowing the same. But I suspect a cat issue more than an injector issue. Although I would test for both, doing a back pressure test a the from A/F sensor location would tell you if there's a restricted exhaust. If the back pressure is over 2psi, which if that's the issue in this case it will be much higher. With such a small engine, the cat doesn't need to completely melted down to cause issues. Since you have already pretty much checked everything except the injector flow and the cat. Being that I believe the cat is part of the exhaust manifold on these, testing back pressure at the front A/F (02) sensor is the only real way to verify a restricted exhaust, I believe there is a 2nd cat half way down the exhaust as well that does not have an 02 behind it if I remember correctly, I'll check that in service info for you.

https://www.2carpros.com/articles/how-to-test-a-catalytic-converter

https://www.2carpros.com/articles/how-to-test-a-fuel-injector
Was this
answer
helpful?
Yes
No
Tuesday, September 17th, 2024 AT 9:17 AM
Tiny
AL514
  • MECHANIC
  • 5,595 POSTS
Okay, it looks like this isn't the model with the cat being part of the exhaust manifold, which must be a different year I was thinking of.
Was this
answer
helpful?
Yes
No
Tuesday, September 17th, 2024 AT 9:21 AM
Tiny
AL514
  • MECHANIC
  • 5,595 POSTS
Interestingly though, there is a valve adjustment for this engine, it's the more difficult method of measuring and adding different size shims. But you could take the valve cover off and look for any worn cam lobes, after checking the back pressure and injectors. You might just be dealing with clogged injectors or a bad tank of gas, with everything you have already done, you're only left with a couple possibilities now. Harbor Freight sells a vacuum gauge that also measures positive pressure up to 10psi, that's what I use with an old 02 sensor bored out as an adapter to measure back pressure at the front 02 location. Just don't leave the gauge on there more than a few seconds to measure back pressure or it will melt the gauge. Hook it up, have someone else start the engine, check it at idle, and then have them try to rev it a couple of times while you monitor the gauge. Then shut the engine off. You'll know right away if there is excessive back pressure.
Was this
answer
helpful?
Yes
No
Tuesday, September 17th, 2024 AT 9:32 AM
Tiny
GNMAN4
  • MEMBER
  • 27 POSTS
Okay, more background. I recently (within last 10k miles) replaced the catalytic converter. It is located inline directly downstream of the exhaust manifold. The car ran fine afterwards. I will check the exhaust back pressure regardless. For my own knowledge, I have read that exhaust back pressure does not affect fuel trims so does this fit with the symptoms?
Was this
answer
helpful?
Yes
No
Wednesday, September 18th, 2024 AT 2:34 AM
Tiny
GNMAN4
  • MEMBER
  • 27 POSTS
For my knowledge can you explain how worn cam lobes would result in the symptoms I am seeing?
Was this
answer
helpful?
Yes
No
Wednesday, September 18th, 2024 AT 2:39 AM
Tiny
AL514
  • MECHANIC
  • 5,595 POSTS
I wasn't saying what you're experiencing is a result of worn cam lobes, which was just because of the very high mileage it has. The symptoms do fit a restricted exhaust, but if this issue has been on going since the cat was replaced, then that's not going to be the problem, I do wonder though what the condition of the previous cat was like. Did it come out in pieces, such as happens when one melts down and breaks apart? I have seen a broken cat come out but chunks of it get stuck in the rest of the exhaust, and if not checked would still be a restricted exhaust even with a new cat on there.

Just looking back over your list of repairs so far, you had listed the AF sensor as reading 1.23, is that milliamps?
And what is the reading of the rear 02 sensor at idle, and at 2000rpm if you can get it to go that high?
Since you have good scan data, some other things to check would the MAF reading at idle, on a small engine like this, it should be roughly around 1.3-2.3 grams per second or so (that is right from service info), (2.3g/s) at idle and 5.4-7.9 @ 2500rpm, on larger engines as a rule of thumb it will be about the same as the liters of the engine, so on a 5.0Liter it should be about 5g/s at idle.
And another test to run is a VE Test, here is a link to a good VE calculator.

https://atgtraining.com/atg-volumetric-efficiency-calculator/

This is a screenshot of the page, when you input your live data PIDs, it will calculate the EST_VE which is the Volumetric Efficiency of the engine, basically how well the engine is breathing, taking in air and allowing exhaust out. If you have a bad cat, or a MAF that is misreporting air flow the VE percentage will be low. You want the number to be as close to 100% as possible, it won't be, but for example the 94% is really good. The Instructions go through a bit more about the test. It's a helpful test to have in general,

But I agree with your diagnosis and thought process so far, the only thing that looks out of place is your AF sensor reading, on a Toyota it should be reading about 3.0 volts on an engine that's running at the correct air/fuel ratio, so that's why I asked about your reading there. If it's in milliamps or if that's the sensors voltage reading.
If it is reading 1.23volts at idle, that's way out of spec. I'm going to post the flow chart for you of the AF sensor's service info., I'm wondering if the parts store gave you either the incorrect part number or possibly a regular narrow band 02 sensor. Service info here is stating that anything under 3.0volts will cause high injection volumes (ill post all this for you). 25%+ which is what you are seeing.
And I know that Toyota's a really good at detecting oxygen sensor heater circuit issues, I've been down that road before. And you're not getting any heater circuit codes. So let me get this flow chart together for you, and you can go through it page by page and check your scan tool data.
Was this
answer
helpful?
Yes
No
Wednesday, September 18th, 2024 AT 1:05 PM
Tiny
AL514
  • MECHANIC
  • 5,595 POSTS
Okay, so some of these scan tool data PIDs will depend on if you are using a Generic basic OBD2 scan tool in which the AF sensor voltage will be converted into a lower reading such as 0.62volts to 0.7volts. If you are using a scan tool and are on the Toyota manufacturers side reading live engine data you should see about 3.0volts on the B1S1 A/F sensor, so either way, something does not look right if that reading is in voltage.
I'm not going to post all of this since you have already checked a lot of it, but these first diagrams are for checking the manufacturers side of the scan tool, so selecting 2007 Toyota Corolla 1.8l etc. It gives a voltage reading of 3.0volts as being 14.7/1 ratio (normal). Page 4 shows that service info. I'll post the basic OBD2 data next.
Was this
answer
helpful?
Yes
No
Wednesday, September 18th, 2024 AT 1:39 PM
Tiny
AL514
  • MECHANIC
  • 5,595 POSTS
This is the generic OBD2 scan tool flow chart for P0171, and it pretty much ends in "Replace the A/F sensor", and then "Replace the ECM". So, the only differences are the Output voltage readings. But this gives the same MAF readings. I haven't seen a Toyota AF sensor voltage drop that low on the manufacturers side of a scan tool, such as on an Autel or Topdon. Service info states the ECM converts the current flow into a voltage reading for live data, but I suppose that could vary depending on scan tools as well.
Was this
answer
helpful?
Yes
No
Wednesday, September 18th, 2024 AT 1:54 PM
Tiny
GNMAN4
  • MEMBER
  • 27 POSTS
Okay, for CAT questions the old cat was nearly 100% plugged off but not broken. I spent some time looking at the service manual and it is terrible for giving details on specifically what each part is in the exhaust. There are three "wide spots" in the exhaust system before the muffler. The first one is the CAT. It has the secondary O2 sensor behind it. According to online searches the last wide spot is a resonator. I can find no information on the middle wide spot. I see it appears on aftermarket CAT pipes but I am not sure of its purpose. My new CAT pipe has the second wide spot on it so if anything broke off its in the resonator or muffler. I will tap on them to see if I hear anything moving in addition to the back pressure test.

I have a Autel MaxiSys 909 scanner. It reports voltage and a ratio for the AFR sensor. The value I reported is the ratio. As I understand it higher ratios (above 1.0) are lean, and lower ratios are rich. A ratio of 1.23 corresponds to 4.99V as I watch it on the scanner.

MAF readings:
740 RPM = 2.35 gm/s
2536 RPM = 10.62 gm/s

I will run the back pressure test, and retest the fuel pressure on Friday. Additionally, I will review this correpondence to see if there are other tests I need to run. My issue is if the ECM has not relearned the particular area of the fuel map to the 150% fuel increase then the engine falls flat when I hit that area. If I full throttle the engine (open loop) the engine barely runs. This implies to me it is real (meaning not a sensor lying about the engine being lean when it isn't). If it was a lying sensor (say AFR) then the engine should run fine in these unlearned areas despite the sensor reading.
Lets say it was an air leak. It would seem to me that in order to have full fuel trim values ( 150%) across all engine speeds the car would either idle extremely high or not run at all without holding the throttle down. This seems unlikely.
So I ask myself what causes high fuel trims across all engine speeds? If you think of anything else let me know.
Was this
answer
helpful?
Yes
No
Wednesday, September 18th, 2024 AT 7:02 PM
Tiny
GNMAN4
  • MEMBER
  • 27 POSTS
Note: the 2500 RPM MAF value above was with AC on. I re-ran the test -
MAF readings:
737 RPM = 2.14 gm/s
2506 RPM = 7.73 gm/s
Was this
answer
helpful?
Yes
No
Wednesday, September 18th, 2024 AT 7:16 PM
Tiny
AL514
  • MECHANIC
  • 5,595 POSTS
Yes,you're correct, if it was an air leak (vacuum leak) it would cause the fuel trims to come down towards zero at WOT, along with being in open loop, manifold vacuum would be closer to atmospheric pressure and the leak wouldn't effect fuel trims like they are, so yes it appears to be an actual lean condition. Your MAF readings suggest it's okay. They were a little better on the first pull, but still within spec. The AF ratio of 1.0 is stoichiometric (14.7/1) so 1.23 is an actual lean condition reading as well, you might be looking at clogged up, restricted injectors here.

You've really gone through almost everything, if an injector balance test shows different flow rates between the 4 of them, then you'll know there's at least an issue there. Really they should all flow exactly the same, have you done an injector balance test with a fuel gauge on the rail before? Where you get fuel pressure up to its max, then pulse each injector one at a time and watch for how much the fuel pressure drops on each injector. It requires an injector pulse tool or your Autel might be able to do it under special functions. You just need to re-prime the fuel pump each time, and once you run through all 4 injectors start the car to get the fuel out of all the cylinders, then you can re-run it again if needed. But if you find the fuel pressure drop is even a few psi off from other injectors, you know there's an issue there as well.

I think the ECM is at its complete limit for compensation, it just can't go any more than that percentage, it's a substituted value but extremely high, I think service info stated a 35% (or +25%) was the limit on positive fuel trims.

You could also graph the rear oxygen sensor voltage, and it should go full rich (high voltage) at a WOT run, and then it should have an injector cutoff when decel, my guess is you are going to see the rear 02 go lean instead. The MAF readings should be lower if this was a restricted exhaust, because the engine would not be able to take in more air if it can't let exhaust out.
As for the ECM being the problem, I would definitely rule out the injectors and back pressure first, making a call on an module is always a last resort and a difficult call as well. Because if a new ECM makes no difference you're back to square one. I'm surprised it's not setting other codes.

Whats your injector on time (pulse width) at idle? I'd think 2.5ms to 4ms for an injector pulse at idle should be about right and WOT I would guess 15ms +. Thats another way you could see if the ECM is really compensating for this condition. Honestly it's nice to be able to have someone who understands these terms, having to explain all this can take weeks sometimes.

One last thing I've been doing in past few years is going through the Mode 6 data. If there's something that is close to setting a code but not there yet, it will show in the mode 6 data list, Autel shows a good list of it all. Just look for "OK" or "Failed" in the test results. And even the number is gives for the test result can give you a clue as to what monitor is close to failing its self-tests, it will give a min, or max, and the test result number.

This is an example of the injector pulse tool, this is a cheap one, but they work pretty good, as long as the pulses are even. Here's a video on running the test, if you're unfamiliar with it.
Let us know what you find next. Sorry for the long post.

https://www.youtube.com/watch?v=K7STocr9FBI
Was this
answer
helpful?
Yes
No
Thursday, September 19th, 2024 AT 11:33 AM
Tiny
GNMAN4
  • MEMBER
  • 27 POSTS
Fuel pressure test results -
Engine off: 48 psig
Park, Idle cold: 48.5 psig
Park, Idle hot: 48.5 psig
Park, 2500 RPM: 48.5 psig
Park, full throttle: 48.5 psig
Was this
answer
helpful?
Yes
No
Monday, September 23rd, 2024 AT 4:33 AM
Tiny
GNMAN4
  • MEMBER
  • 27 POSTS
Exhaust back pressure test -
Needle bounces around zero at idle and at 3000 RPM. Pressure easily below 1 Â psig.
Was this
answer
helpful?
Yes
No
Monday, September 23rd, 2024 AT 4:37 AM
Tiny
GNMAN4
  • MEMBER
  • 27 POSTS
Downstream O2 test -
Park, idle: 0.075 V
Park, 2500 RPM: 0.055V
Was this
answer
helpful?
Yes
No
Monday, September 23rd, 2024 AT 4:38 AM
Tiny
GNMAN4
  • MEMBER
  • 27 POSTS
I have posted my injector test results in here twice and they keep disappearing?
Was this
answer
helpful?
Yes
No
Monday, September 23rd, 2024 AT 4:40 AM
Tiny
GNMAN4
  • MEMBER
  • 27 POSTS
Injector test results -
NOTE: fuel pressure drops continuously (slowly) when I turn the pump off. I have previously tested this and I have a leaking check valve.
Inj #1: 40 to 37 psig
Inj #2: 40 to 37.5 psig
Inj #3: 40 to 36.5 psig
Inj #4: 40 to 37 psig
Was this
answer
helpful?
Yes
No
Monday, September 23rd, 2024 AT 4:40 AM
Tiny
GNMAN4
  • MEMBER
  • 27 POSTS
I now have an additional engine code P0302 for cylinder #2 misfire. It does not move with a coil position change nor with a new spark plug. I may have run this thing lean too long.
Was this
answer
helpful?
Yes
No
Monday, September 23rd, 2024 AT 4:43 AM
Tiny
GNMAN4
  • MEMBER
  • 27 POSTS
Injector pulse width test -
Park, idle, hot: 3.7 ms
Was this
answer
helpful?
Yes
No
Monday, September 23rd, 2024 AT 4:52 AM
Tiny
GNMAN4
  • MEMBER
  • 27 POSTS
Injector tests above run on mode 2 on injector tester:
50 pulses at 7 ms pulse width
Was this
answer
helpful?
Yes
No
Monday, September 23rd, 2024 AT 4:58 AM

Please login or register to post a reply.