Car loses power at 60 mph

Tiny
BIGT1984
  • MEMBER
  • 2002 CHEVROLET TAHOE
  • 5.3L
  • V8
  • 4WD
  • AUTOMATIC
  • 21,500 MILES
My car loses power at 60 mph and turns right back on. What could it be?
Sunday, June 16th, 2019 AT 2:15 AM

5 Replies

Tiny
ASEMASTER6371
  • MECHANIC
  • 52,796 POSTS
Good morning,

Does it shut off?

https://www.2carpros.com/articles/engine-has-low-power-output

Are any lights on? Are there any codes?

https://www.2carpros.com/articles/engine-stalls

I need as much information as you can give me.

Roy
Was this
answer
helpful?
Yes
No
Sunday, June 16th, 2019 AT 4:39 AM
Tiny
BIGT1984
  • MEMBER
  • 3 POSTS
All the lights come on the dash and then hit shuts off and turns back on. My ex tuned it up and gaped the spark plugs. I think it might be the problem.
Was this
answer
helpful?
Yes
No
Sunday, June 16th, 2019 AT 4:48 AM
Tiny
ASEMASTER6371
  • MECHANIC
  • 52,796 POSTS
Did it actually turn off while running?

Roy
Was this
answer
helpful?
Yes
No
Sunday, June 16th, 2019 AT 4:49 AM
Tiny
BIGT1984
  • MEMBER
  • 3 POSTS
Yes turns off then turns back on.
Was this
answer
helpful?
Yes
No
+1
Sunday, June 16th, 2019 AT 4:58 AM
Tiny
ASEMASTER6371
  • MECHANIC
  • 52,796 POSTS
Okay, Did you have the codes checked?

This sounds like it could be a crank sensor.

Roy

1. Disconnect the negative battery cable.
2. Raise the vehicle. Refer to Lifting and Jacking the Vehicle.
3. Remove the starter.

ImageOpen In New TabZoom/Print

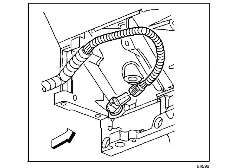
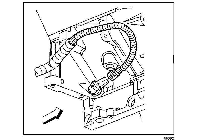
4. Disconnect the crankshaft position (CKP) sensor electrical connector.

ImageOpen In New TabZoom/Print

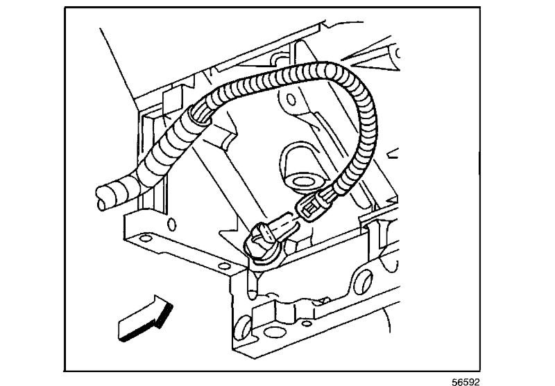
5. Clean the area around the CKP sensor before removal in order to avoid debris from entering the engine.
6. Remove the CKP sensor retaining bolt.
7. Remove the CKP sensor.
Was this
answer
helpful?
Yes
No
Sunday, June 16th, 2019 AT 5:02 AM

Please login or register to post a reply.