Wednesday, November 22nd, 2017 AT 5:10 PM
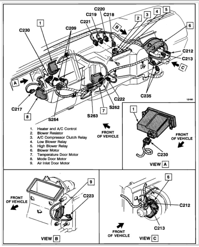
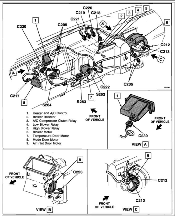
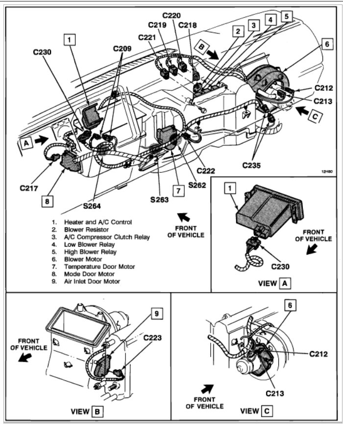
Air goes to the rear but not the front. Coolant is full and not leaking, some condensation (h20) around blower motor. Could it be actuator, blower motor or heater core, thermostat? It almost seems as if I hear the actuator opening the front vent but no air whatsoever. Thank you! Any help is surely appreciated!













