Heater slow to become warm, then only heat driver, passenger is cold

Tiny
ISABELLE MICHAUD
  • MEMBER
  • 2011 KIA SOUL
  • 2.0L
  • 4 CYL
  • AUTOMATIC
  • 69,000 MILES
If I chose to heat the windshield, the air will be cooler than if I chose the feet.

I changed the thermostat that was accessible under the hood and it did not fix the problem.
Monday, January 27th, 2020 AT 8:07 AM

3 Replies

Tiny
TOUGHDIVER
  • MECHANIC
  • 224 POSTS
Hi,

It could be the coolant isn't circulating through the heater core. Locate the heater hoses under the hood where they go through the body. With the engine at operating temperature check both hoses they should both be hot if one is hot and one is warm there is an blockage in the heater core. After the vehicle cools down depressurize the cooling system and remove heater core hoses and back flush the heater core until you have a good flow of water. There could be a faulty heater control actuator or door not opening or closing all the way you can check the actuator with Ignition "off"

Disconnect the connector of temperature control actuator.
Verify that the temperature control actuator operates to the hot position when connecting
12V to the terminal 3 and grounding terminal 4.

Verify that the temperature control actuator operates to the cool position when connecting in the reverse.Heater unit includes mode control actuator and temperature control actuator.

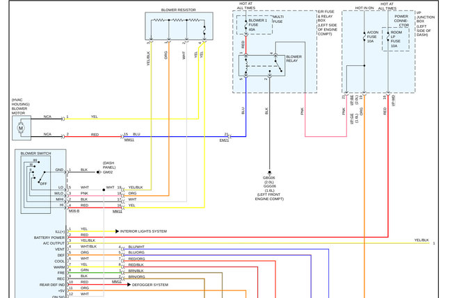
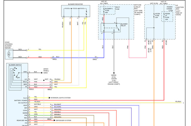
Temperature control actuator is located at the heater unit. It regulates the temperature by the procedure as follows. Signal from control unit adjusts position of temperature door by operating temperature switch and then temperature will be regulated by the hot/cold air ratio decided by position of temperature door Get down and change heat mode listen for the door to open and close if you can not hear the door open and close check the fuses and voltage at the actuator. I'm attaching repair guides, wiring diagram and exploded views to help locate components. Let us know if you need more information and what fixed the car.

https://www.2carpros.com/articles/how-to-check-wiring

https://www.2carpros.com/articles/car-heater-not-working

Thank you
Joe T.
Was this
answer
helpful?
Yes
No
Monday, January 27th, 2020 AT 4:11 PM
Tiny
ISABELLE MICHAUD
  • MEMBER
  • 2 POSTS
Thank you for this in depth reply.
Indeed one hose was warm and the other was cold.

In regards of the flap/vent doors, today I went to Kia garage and $200.00 later worth of inspection, they said all those flap/vent are working fine, that they still don't know what causes the problem. That my coolant/Prestone is very acidic, so they suggested a complete flush and maintenance. Then if problem persist, they suggest changing the heater core.
Was this
answer
helpful?
Yes
No
Tuesday, January 28th, 2020 AT 6:12 PM
Tiny
TOUGHDIVER
  • MECHANIC
  • 224 POSTS
Flushing the cooling system is maintenance but they verified the heater core has a restriction with checking the hoses. There is obviously a clog in the heater core restricting coolant flow that prevents the heater blowing hot air. They should have back flushed it for the price they charged for an simple heater system check and still not sure what is up with the heater control inside the vehicle. Have the heater core flushed and check the heat coming out at the windshield compared the to feet. If the heat is blowing warm or hot at the feet and blowing cold on the windshield there has to be a fault with the heat control inside the vehicle. Please let us know if you need more information on this repair.

Thank you
Joe Terwilliger
Was this
answer
helpful?
Yes
No
Tuesday, January 28th, 2020 AT 9:48 PM

Please login or register to post a reply.