Heater not working

Tiny
1918UNK
  • MEMBER
  • 2005 CHEVROLET SILVERADO
  • 6.6L
  • V8
  • 4WD
  • AUTOMATIC
  • 150,000 MILES
I replace the blower motor and resistor and still have no air blowing out.
Wednesday, January 26th, 2022 AT 7:02 AM

1 Reply

Tiny
KASEKENNY
  • MECHANIC
  • 18,907 POSTS
If you have no blower operation, then it is normally a blower motor or resistor.

However, there could be a couple of other things so here is a guide that will help with this:

https://www.2carpros.com/articles/low-or-no-air-flow-from-vents

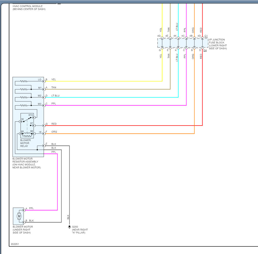
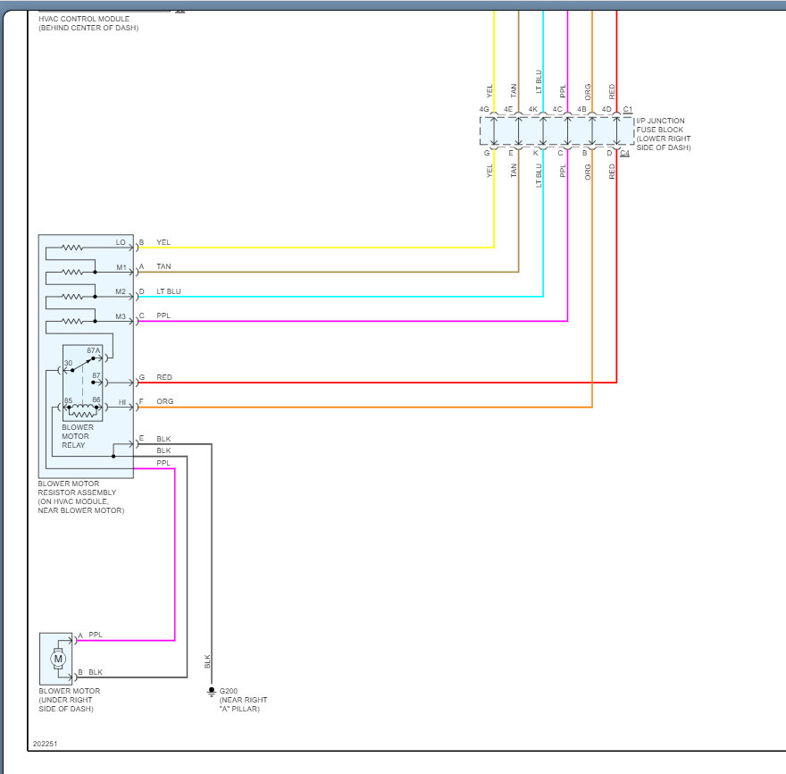
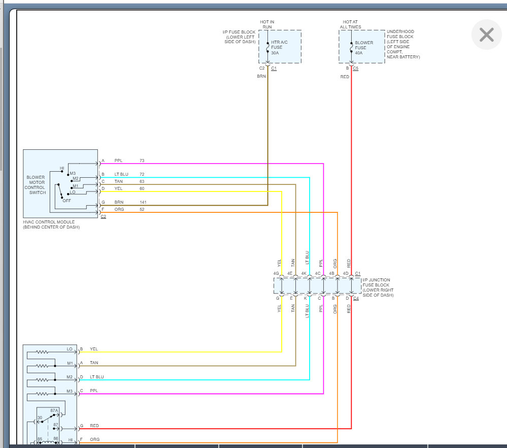
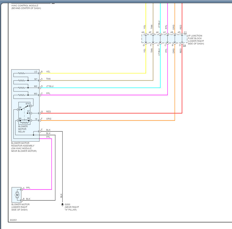
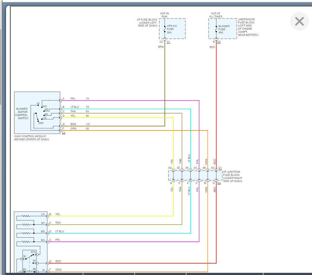
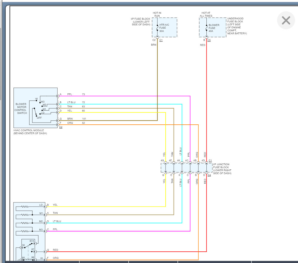
However, if you replaced the blower motor resistor assembly then that included a relay.

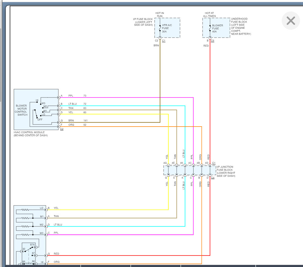
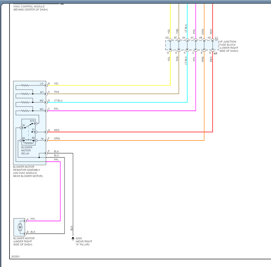
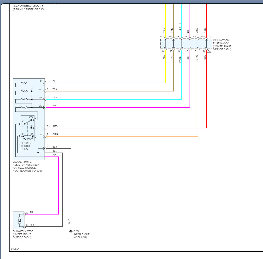
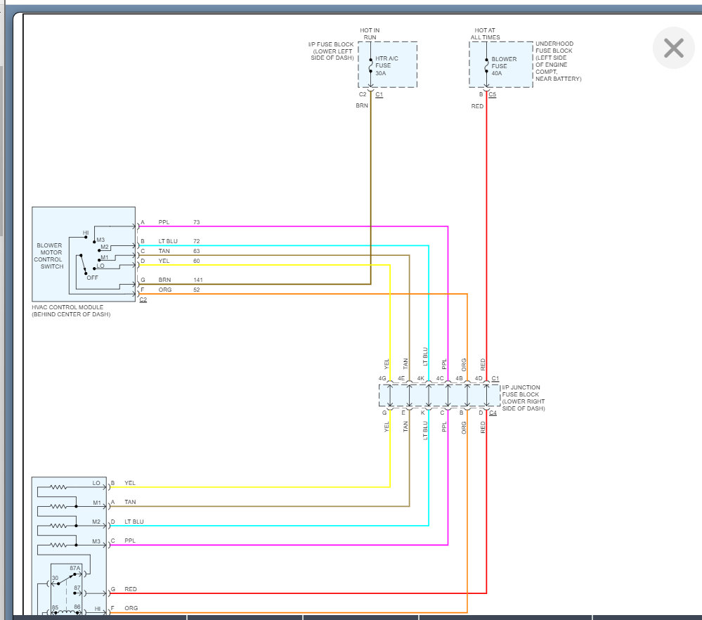
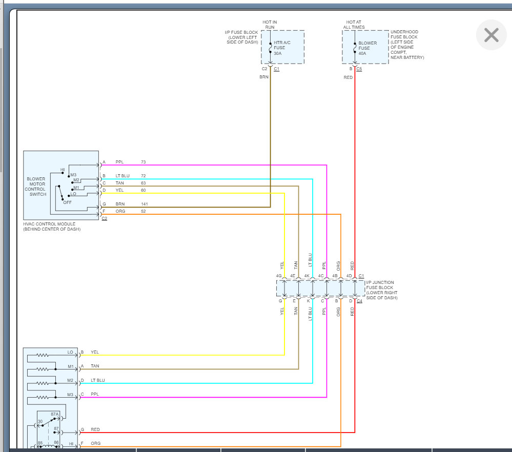
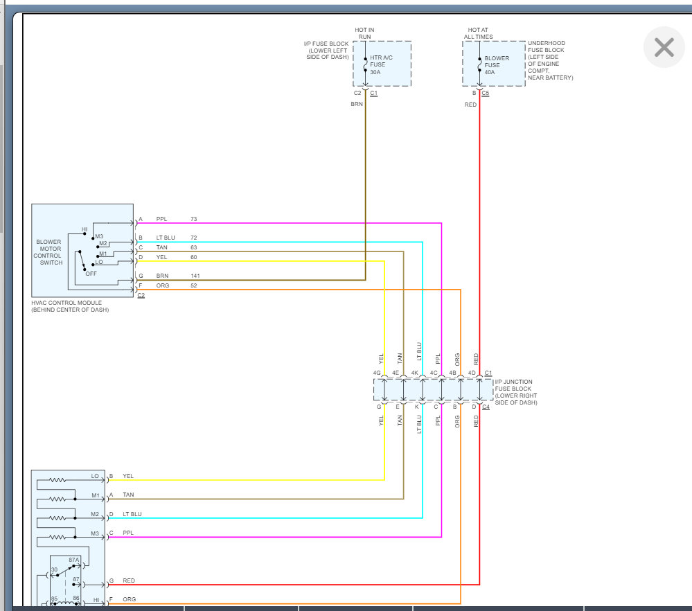
So, we need to go to the blower motor and check for power. This is going to tell us what direction to go.

https://www.2carpros.com/articles/how-to-check-wiring

While we are checking for power, we need to check the ground as well on the relay. We do this by going to the battery positive and put your other meter lead on the ground wire for this relay. This should cause the meter to read 12 volts. If it doesn't then the ground is not tight or corroded.

If you have good ground, then we need to check the blower motor fuse and make sure that is okay as well. If you want to start with this then that would be wise as it is the easiest thing.

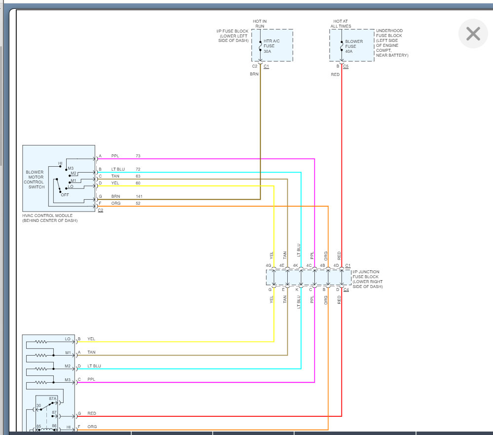
I am attaching the wiring diagram below so let's start with this and go from there.
Was this
answer
helpful?
Yes
No
+1
Wednesday, January 26th, 2022 AT 4:00 PM

Please login or register to post a reply.