Heater not working?

Tiny
NICK DOZIER
  • MEMBER
  • 2011 GMC SIERRA
  • V8
  • 4WD
  • AUTOMATIC
  • 59,000 MILES
My heater will only blow heat if I put the temperature to above 86 degrees. Anything under that is will blow cold air.
Wednesday, September 13th, 2017 AT 9:19 AM

29 Replies

Tiny
STEVE W.
  • MECHANIC
  • 15,698 POSTS
Easy solution, swap the truck with someone from Alaska. :-)

Actually the problem is likely a failed sensor. It is telling the HVAC controller that the interior temperature of your truck is already over 86 degrees.
One of the common ones that fail and cause this is the internal cabin temperature sensor, it is the thing that looks like a speaker in the headliner over the drivers door.
It has a tiny fan and a thermister inside. They suck in crud and it makes them fail.

You replace it by removing the interior windshield trim on the left side, the center pillar trim and handle and then the left side sunshade. Then you gently pull the headliner down. You will see the sensor. Disconnect the wiring connector and then the interior grill comes off.

ACDELCO # 22834330
Was this
answer
helpful?
Yes
No
+1
Wednesday, September 13th, 2017 AT 10:22 PM
Tiny
BILL REAVER
  • MEMBER
  • 2 POSTS
  • 2006 GMC SIERRA
  • V8
  • 2WD
  • AUTOMATIC
  • 106,579 MILES
On my 2006 GMC Sierra the a/c heater mode stays on vent even when changing the control to the floor or defrost positions. Also the highest fan speed does not work, all other speeds are ok.
Was this
answer
helpful?
Yes
No
Saturday, December 26th, 2020 AT 2:39 PM (Merged)
Tiny
MIKE4652
  • MEMBER
  • 3 POSTS
Its your control unit I belive. Same thing happened to one of my friends 2008 chevy tahoe. You should try that.
Was this
answer
helpful?
Yes
No
Saturday, December 26th, 2020 AT 2:39 PM (Merged)
Tiny
JACOBANDNICKOLAS
  • MECHANIC
  • 110,194 POSTS
I need you to check a couple things. This guide will help

https://www.2carpros.com/articles/car-heater-not-working

Let me know what you find.
Joe
Was this
answer
helpful?
Yes
No
Saturday, December 26th, 2020 AT 2:39 PM (Merged)
Tiny
BILL REAVER
  • MEMBER
  • 2 POSTS
Joe,
Thank you for your quick reply.
Where would I look for the vacuum lines under the dash? When I look under the dash no vacuum lines are visable. If it was a vacuum leak wouldent the the engine be running rough? There's no roughness that I notice.
Also a few monthe ago I was running the a/c heater blower on high speed when I started noticing a (electrical) burning smell, then it quit. The blower works on all other ranges but just not on the high speed. Could this be the resistor? Where would I find the resistor.
Bill
Was this
answer
helpful?
Yes
No
Saturday, December 26th, 2020 AT 2:39 PM (Merged)
Tiny
JACOBANDNICKOLAS
  • MECHANIC
  • 110,194 POSTS
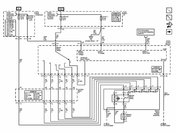
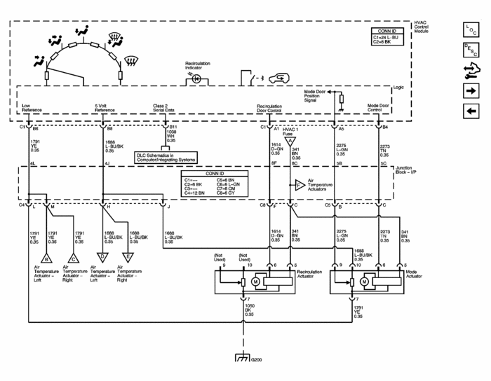
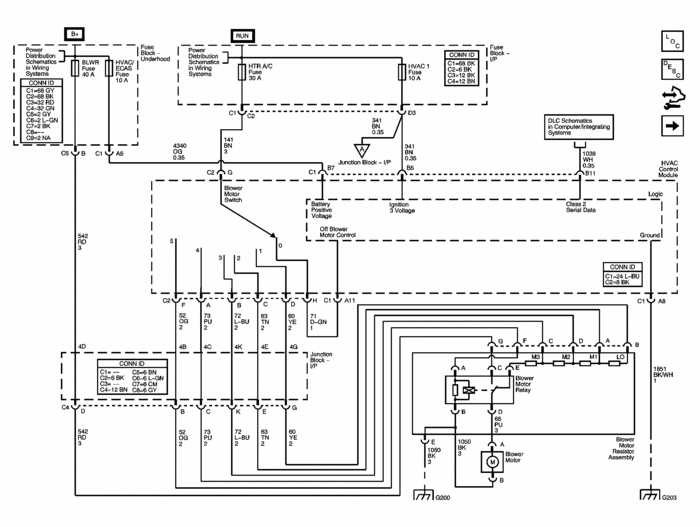
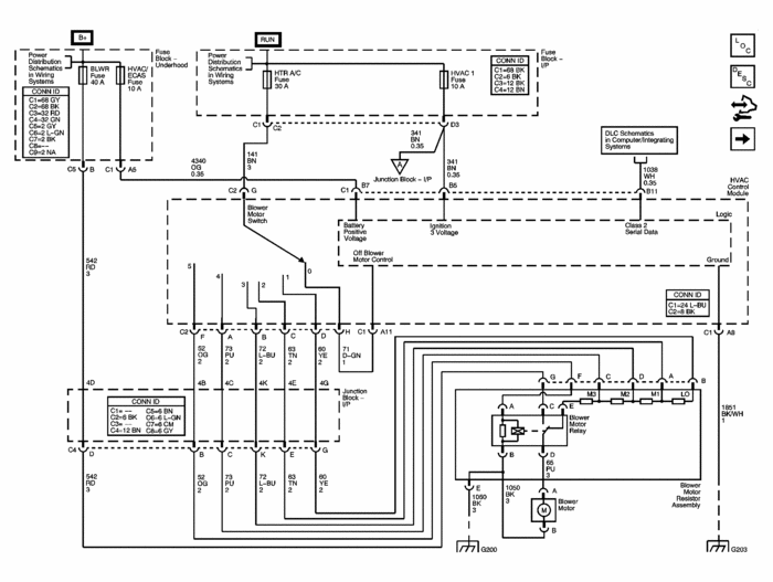
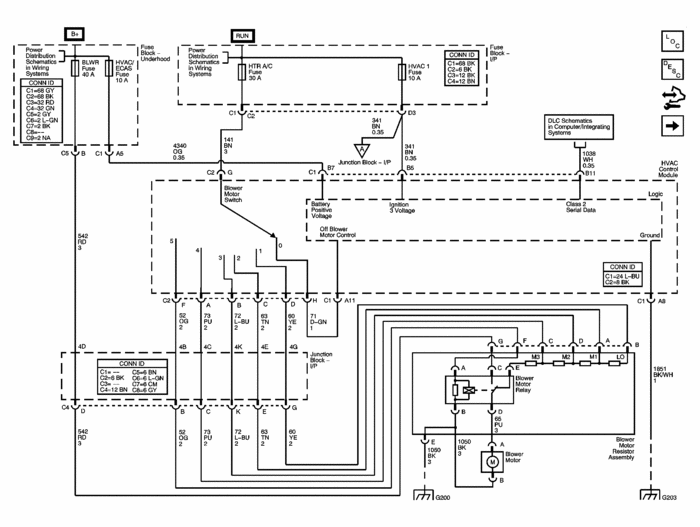
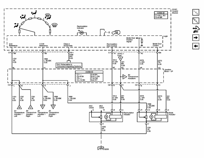
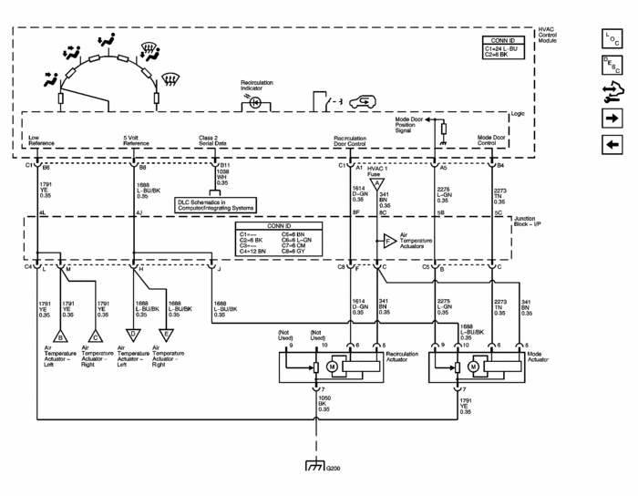
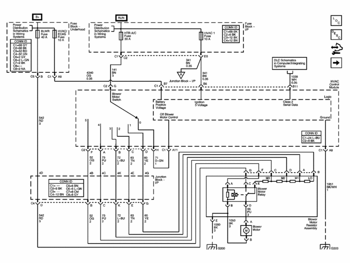
I have attached schematics for you to review. The GMC model uses electric and not vacuum for some reason. Review the schematics to see if you can identify where to check under the dash. Also, as far as the high speed, it believe it is a relay rather than the resister. See schematic.
Was this
answer
helpful?
Yes
No
-1
Saturday, December 26th, 2020 AT 2:40 PM (Merged)
Tiny
RUSS476
  • MEMBER
  • 1 POST
  • 2006 GMC SIERRA
  • 116,000 MILES
No heat on the drivers side of the truck
Was this
answer
helpful?
Yes
No
Saturday, December 26th, 2020 AT 2:40 PM (Merged)
Tiny
RASMATAZ
  • MECHANIC
  • 75,992 POSTS
You need to open it up and investigate why-could be a door or an actuator problem-
Was this
answer
helpful?
Yes
No
Saturday, December 26th, 2020 AT 2:40 PM (Merged)
Tiny
TOUCHNGOES
  • MEMBER
  • 1 POST
  • 2005 GMC SIERRA
  • V8
  • 2WD
  • AUTOMATIC
2005 GMC Serria 1500: Interior heating not working on any setting, defoster not working too. Flucuating water temp indicator jumping from normal to 30 degrees higher then back down to normal. Electric raditor fan is working.
Was this
answer
helpful?
Yes
No
Saturday, December 26th, 2020 AT 2:40 PM (Merged)
Tiny
JACOBANDNICKOLAS
  • MECHANIC
  • 110,194 POSTS
Have you replaced the thermostat? Is the coolant full? As far as the heater, with the engine running, hot, and the heater on high, do both heater core hoses get hot?

One last question, is the blower motor working for the heater or is that the issue?
Was this
answer
helpful?
Yes
No
-1
Saturday, December 26th, 2020 AT 2:40 PM (Merged)
Tiny
TIM TRAYLOR
  • MEMBER
  • 1 POST
  • 2005 GMC SIERRA
  • 4 CYL
  • 4WD
  • AUTOMATIC
  • 101 MILES
The heater will stop and start blowing warm air randomly. If you excellerate heavy it will start to blow warm air again and then randomly go off and blow cold air. The fan continues to run on what ever level you have it set on.

Thanks for your help
Was this
answer
helpful?
Yes
No
Saturday, December 26th, 2020 AT 2:40 PM (Merged)
Tiny
HMAC300
  • MECHANIC
  • 48,601 POSTS
Check to see if your actuators are getting power or not. You may have a control head going bad. Also cleant eh battery cable ends as it may be making poor contact until you get more revs going to put a better charge int ehbattery. You might also check your battery, most auto parts stores can do this for free. I've included a generic pic of actuators.
Was this
answer
helpful?
Yes
No
Saturday, December 26th, 2020 AT 2:40 PM (Merged)
Tiny
KELLYAM
  • MEMBER
  • 5 POSTS
  • 2004 GMC SIERRA
  • 6.0L
  • V8
  • AUTOMATIC
  • 106,000 MILES
A/C blows fine. Directional blend (defrost, floor, mid) works without clicks or hangup, record/fresh air works correctly, heater core is functional per readings on inlet/outlet lines, dual zone module has been replaced. Full console, AWD, Denali. What am I overlooking?
Or, how many blend doors need I chase on this model besides the two mentioned? Operating temperatures on radiator hose is 174-176. Operating temperatures appear to be reached.
Was this
answer
helpful?
Yes
No
Saturday, December 26th, 2020 AT 2:41 PM (Merged)
Tiny
ASEMASTER6371
  • MECHANIC
  • 52,796 POSTS
Good evening.

What are the temperatures of the heater hoses under the hood?

Can you hear the blend doors moving when you command heat and cold?

Roy

https://www.2carpros.com/articles/replace-blend-door-motor
Was this
answer
helpful?
Yes
No
Saturday, December 26th, 2020 AT 2:41 PM (Merged)
Tiny
KELLYAM
  • MEMBER
  • 5 POSTS
171/164 temperatures very close to firewall.
Yes on vent/acutator movement. With engine off, key on. Dialing full range limit to limit. I can hear several actuators in movement. One left side, one near center, one upper right of dash.
Was this
answer
helpful?
Yes
No
Saturday, December 26th, 2020 AT 2:41 PM (Merged)
Tiny
ASEMASTER6371
  • MECHANIC
  • 52,796 POSTS
Okay, thanks.

It sounds like you have a clogged heater core. The temperatures are too close. There is usually a bigger difference it temperatures.

Try removing the hoses and flushing the core with a garden hose. Flow it back and forth several times and see if get debris out of the system.

Roy
Was this
answer
helpful?
Yes
No
+1
Saturday, December 26th, 2020 AT 2:41 PM (Merged)
Tiny
KELLYAM
  • MEMBER
  • 5 POSTS
Thank you! I will get to it.
Was this
answer
helpful?
Yes
No
Saturday, December 26th, 2020 AT 2:41 PM (Merged)
Tiny
ASEMASTER6371
  • MECHANIC
  • 52,796 POSTS
Keep us updated. Feel free to ask any follow up questions.

Roy
Was this
answer
helpful?
Yes
No
+1
Saturday, December 26th, 2020 AT 2:41 PM (Merged)
Tiny
KELLYAM
  • MEMBER
  • 5 POSTS
Much appreciated. Again, thank you
Was this
answer
helpful?
Yes
No
Saturday, December 26th, 2020 AT 2:41 PM (Merged)
Tiny
KELLYAM
  • MEMBER
  • 5 POSTS
I realize this is quite late from last reply, although I finally did disconnect heater hoses at firewall and used garden hose and nozzle initially to flush heater core. Quite a few clumps emerged, particularly from return side. Continued back and forth several times until run clear. Used low pressure pressure washer with same effect. Reconnected hoses, topped off glycol, ran truck to temperature. Checked all vent options and sure enough heat! I was stoked, am stoked. Winter comes fast some years. I appreciate all the thought put into helping.
Again, many thanks.
Was this
answer
helpful?
Yes
No
Saturday, December 26th, 2020 AT 2:41 PM (Merged)

Please login or register to post a reply.