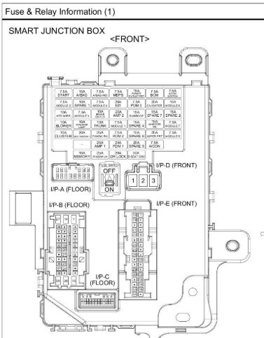
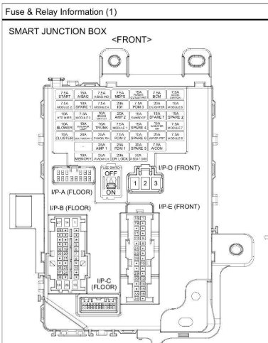
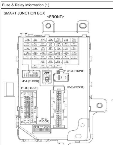
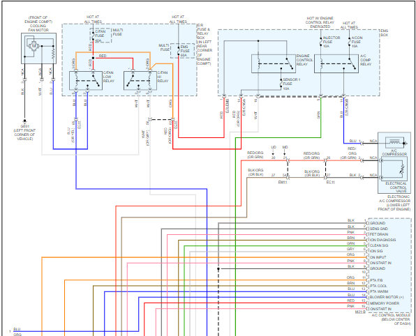
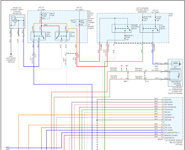
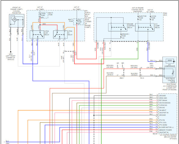
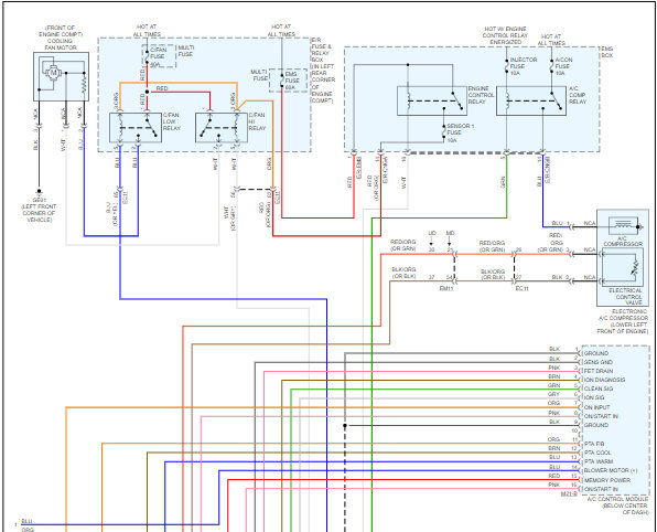
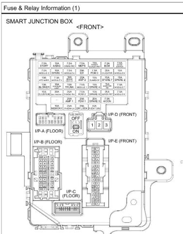
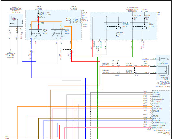
Sunday, April 12th, 2020 AT 10:46 AM
My heater in my car the temperature dial works from hot to cold and the blower fan works on all settings. The air conditioner knob also when you push it would light up blue but none of the setting light the way they should and won’t switch location. Any help would be great!



































