HVAC not blowing air and no heat from the heater?

Tiny
JAY73
  • MEMBER
  • 2005 CHEVROLET IMPALA
  • 3.4L
  • 6 CYL
  • 2WD
  • AUTOMATIC
  • 150,500 MILES
No heat, no air will come out of the A/C or heater.
Wednesday, February 10th, 2021 AT 7:28 PM

1 Reply

Tiny
ASEMASTER6371
  • MECHANIC
  • 52,796 POSTS
Good morning,

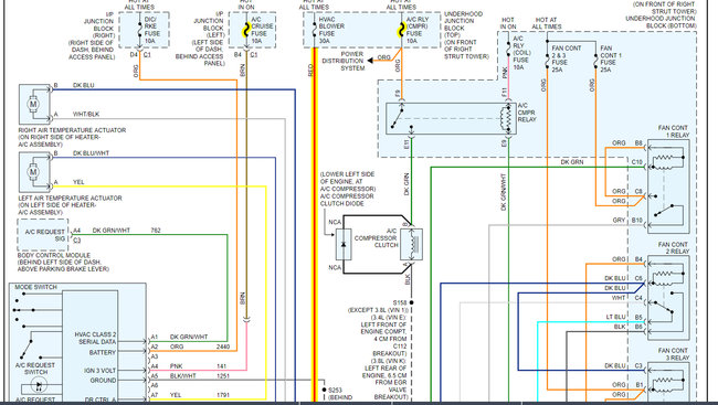
I attached a wiring diagram for you of the blower motor system. You need to check for voltage to the blower motor.

https://www.2carpros.com/articles/how-to-check-wiring

It could be either the blower motor or the resistor.

https://www.2carpros.com/articles/blower-fan-motor-works-on-high-speed-only

https://www.2carpros.com/articles/low-or-no-air-flow-from-vents

Roy

BLOWER MOTOR REPLACEMENT

REMOVAL PROCEDURE
1. Remove the right side instrument panel insulator.

imageOpen In New TabZoom/Print

2. Disconnect the blower motor electrical connector.

imageOpen In New TabZoom/Print

3. Remove the blower motor mounting screws.
4. Remove the blower motor.
Was this
answer
helpful?
Yes
No
Thursday, February 11th, 2021 AT 8:48 AM

Please login or register to post a reply.