Monday, October 19th, 2020 AT 4:32 PM
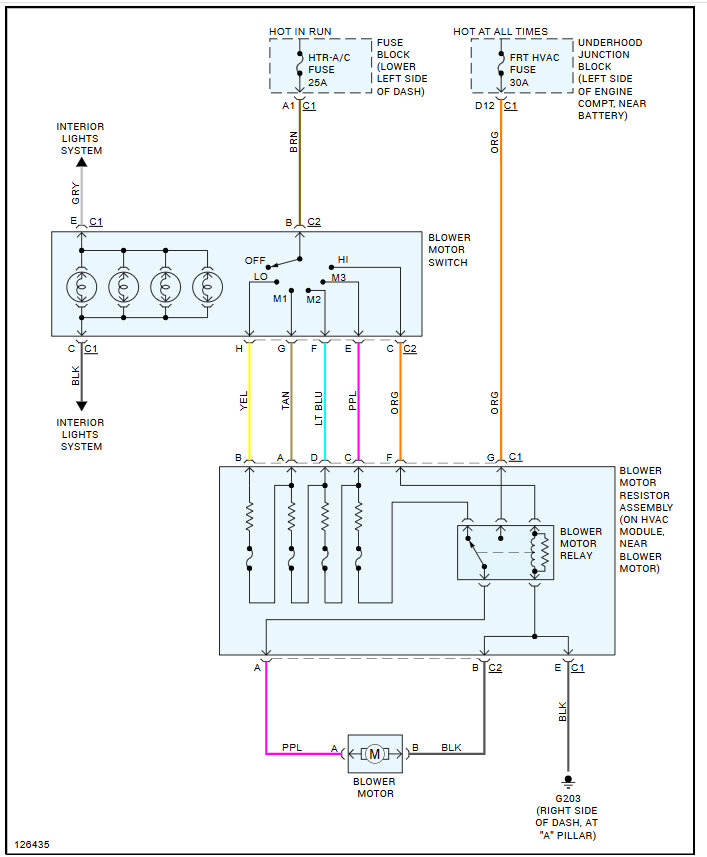
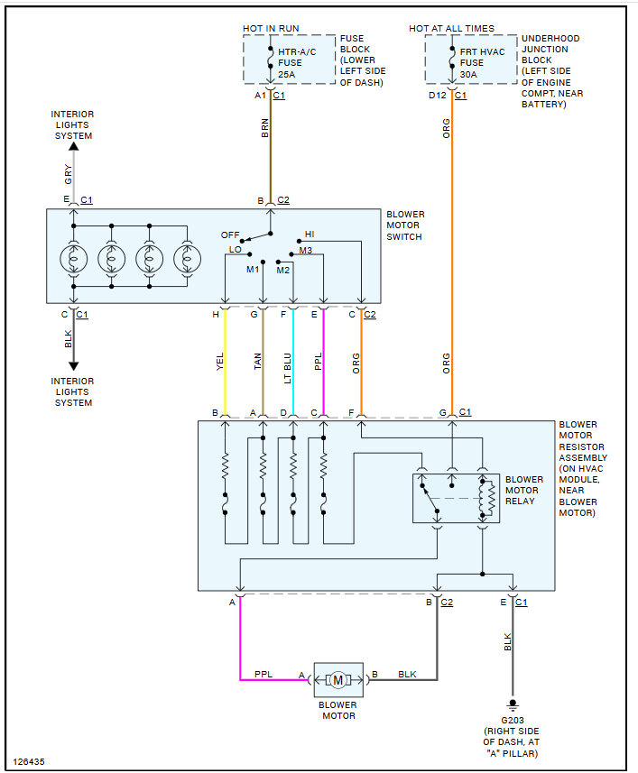
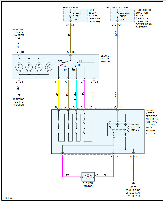
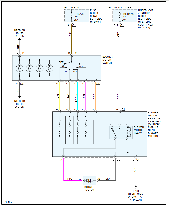
I have replaced resistor relay, blower motor, and control switch module. Using a test light, I have power out of the resistor on all speed settings but still nothing on the blower motor.






