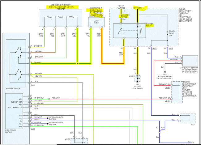
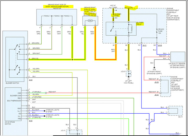
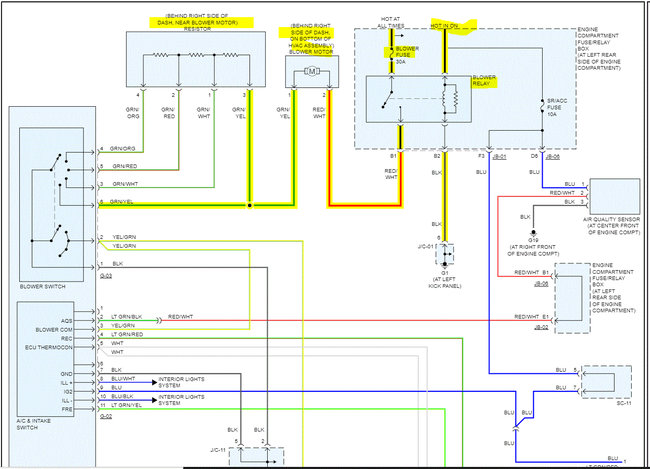
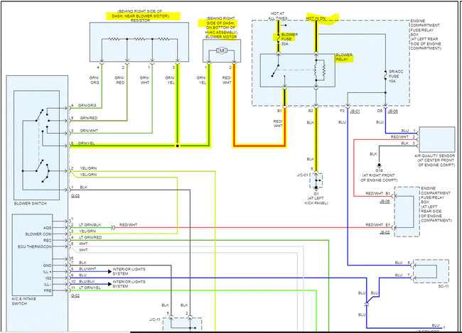
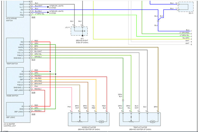
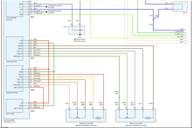
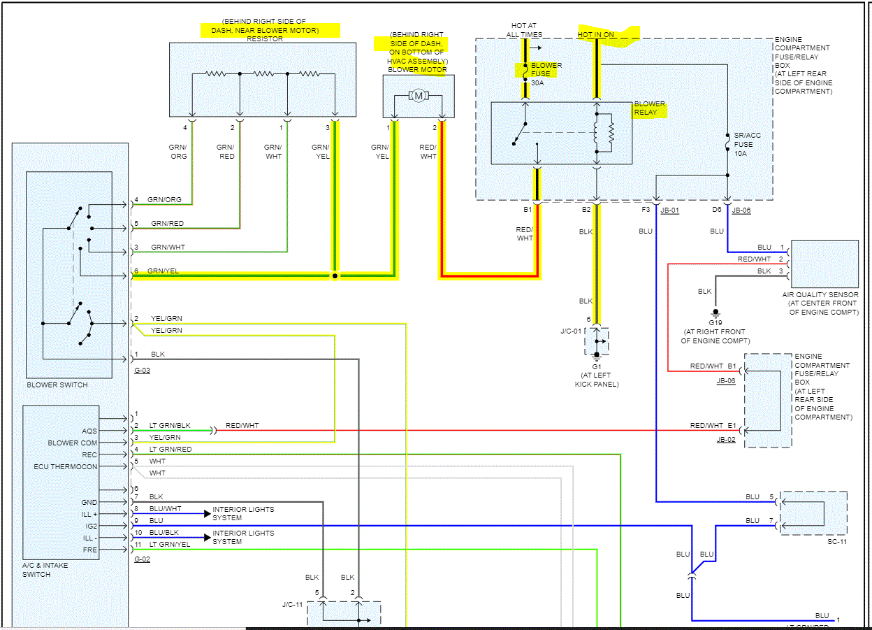
My son took the car to the Kia dealership service shop, and they replaced relay part# 97120 2f200 and the Blower fan motor part# 97113 2f000, but they did not fix the problem.
Then I found it was not coming power to the control panel. I found the power got lost after the relay. So, I ordered and replaced the relay again. But it still not working. Next, from a local parts store, I bought a replacement for Blower Motor Resistor part# 97128 2D200, and did not work again.
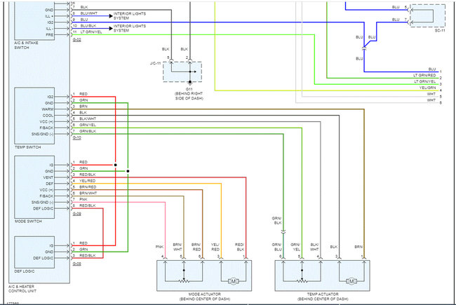
After that, I disconnected the relay and started experimenting. From the relay connector, I short-circuited the thick wires and received power to the control panel. Then the fan started working, and I can change the fan speed from the left knob and the temperature from the right knob. But the middle button to start/stop the fan and to change the direction of the air does not work. Also, when I turn off the engine the fan keeps running until I disconnect the wires. The AC on/off and internal/external air circulation buttons also do not work.
Finally, I tested the relay by connecting it to the power on the 3rd pin and connecting the 4rt pin to the ground. Then I can hear a click, and pins 1 and 2 get connected. So, it looks like the relay itself is working.
What would be the issue, and what do I need to do to fix it?
Sunday, March 27th, 2022 AT 3:03 AM












