Saturday, December 7th, 2019 AT 7:51 PM
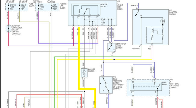
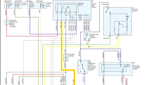
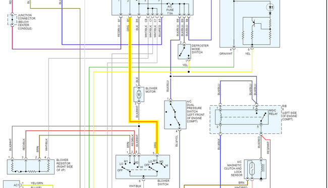
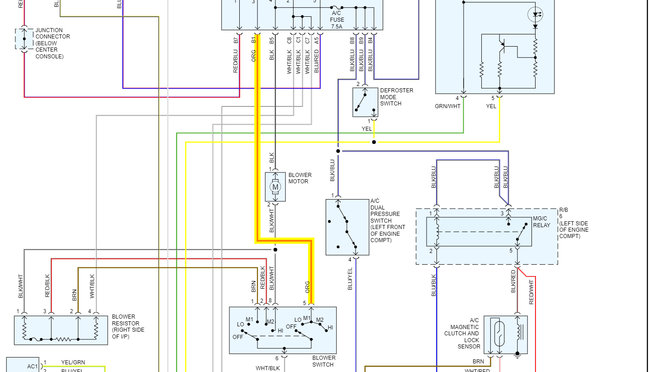
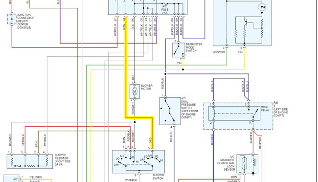
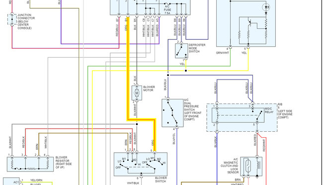
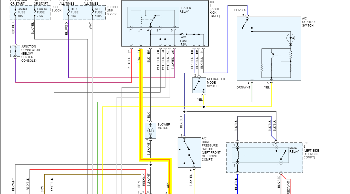
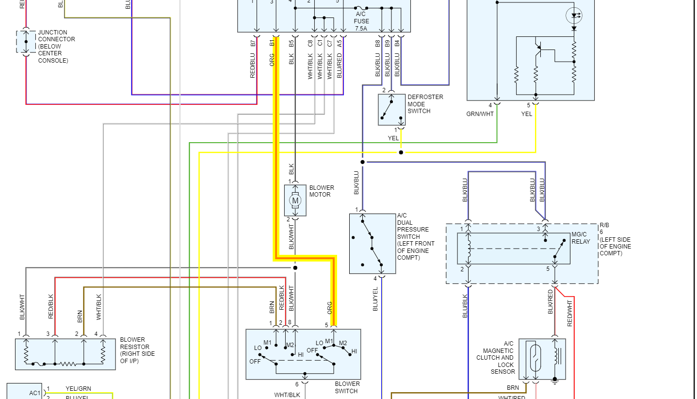
I have no voltage at control switch. I have checked heater 50 amp fuse (good). I do not have a wiring diagram to follow the voltage flow. I cannot find any fuse marked blower motor. Does engine have to be running to get voltage at control switch?




