Monday, April 11th, 2022 AT 2:28 PM
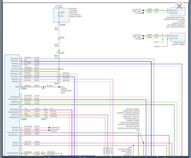
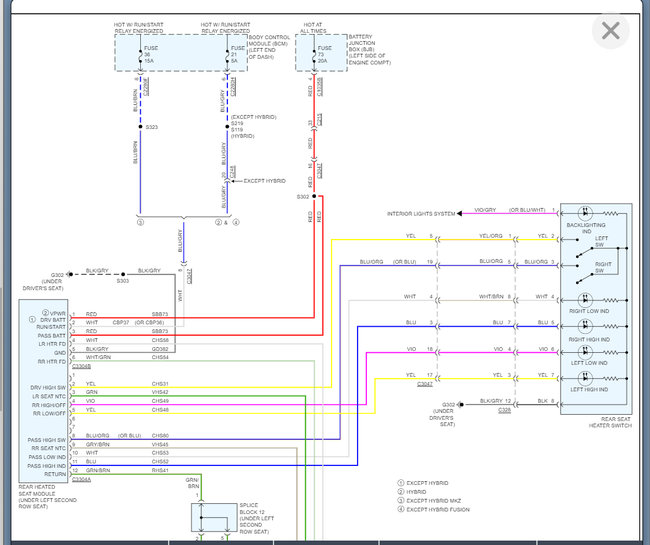
Car listed above is a Hybrid. It has Heated/Cooled front seats but neither side heats or cools. The indicator lights show that the system is on but there is no heat nor does the fane even run on cool for either seat. On the scanning tool, when the seats are turned on, the scan tool changes from inactive to active then right back to inactive. The indicator lights show that the system is on. There are no fault codes when scanned. I just purchased the car and the previous owner said that the seats just stopped working. The fuses were checked and found to be in working order.






