Thursday, May 26th, 2022 AT 4:34 AM
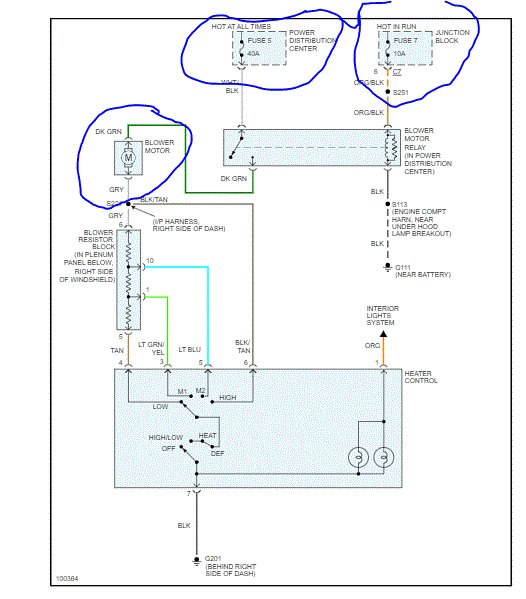
Hello, recently I bought an air conditioning charge kit. I did everything right, careful not to over fill, etc. Not only did it not work. It knocked my heater out of commitment. I had a brand-new heater core in it, and he was fantastic for cold weather, etc. Now no blowers work, nada. I do hear the actual engagement for a few seconds when I put actual on but no air! Yesterday I put heat on and felt it came on slightly but nothing when you turn on fan! Ugh. What did I do wrong? Thank you




