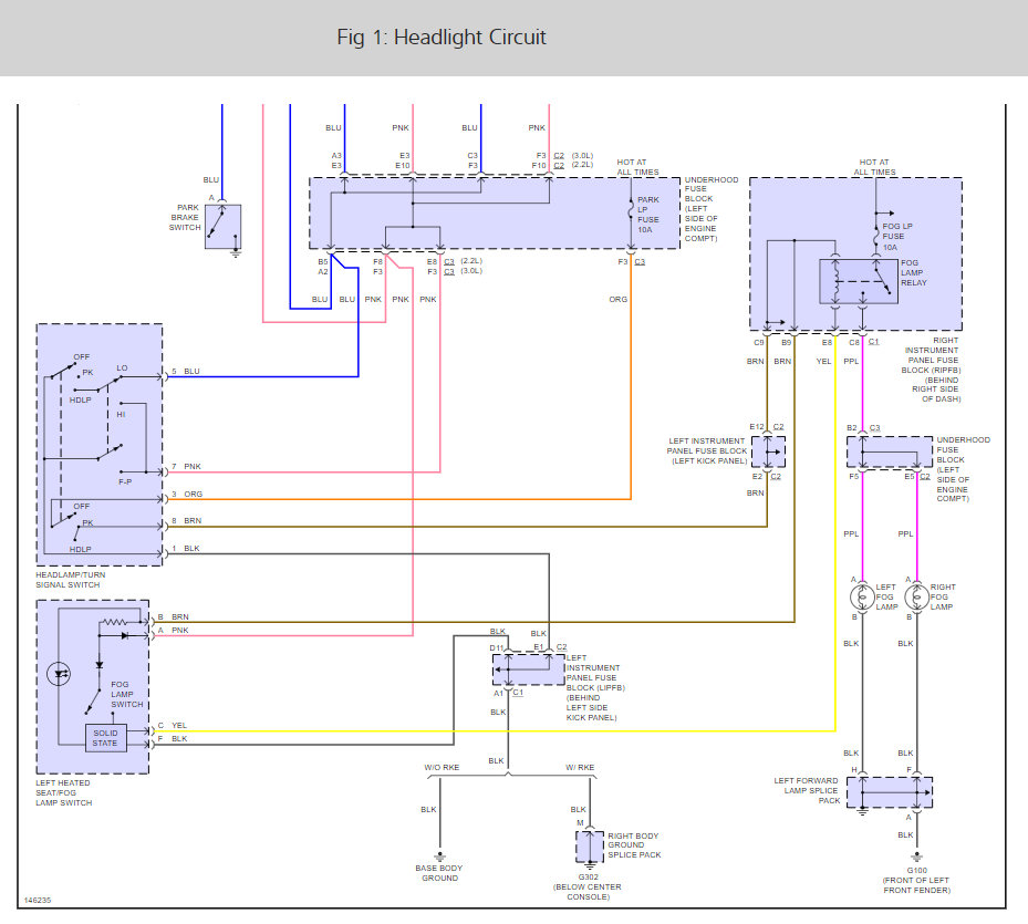
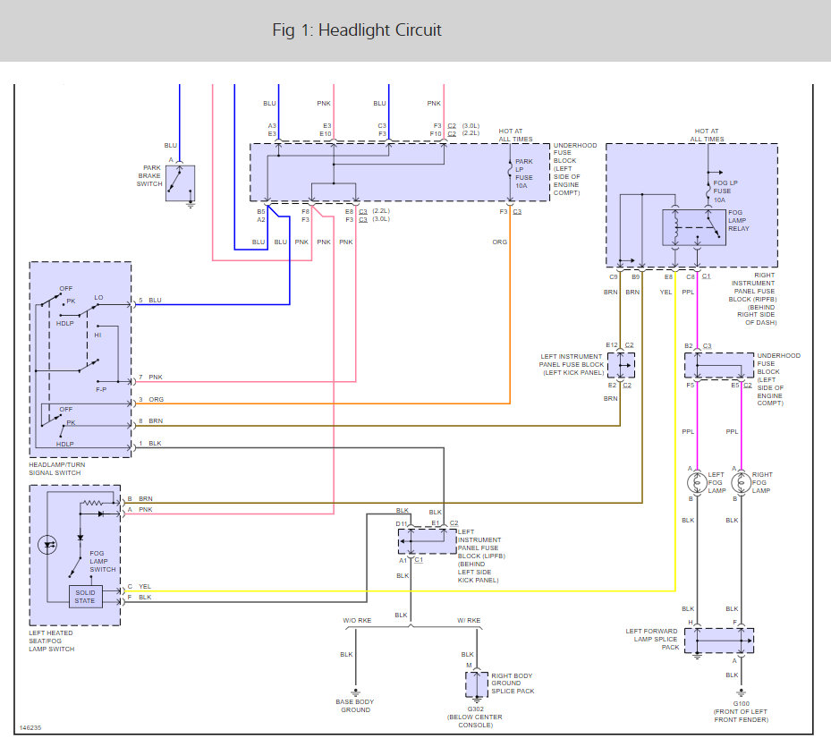
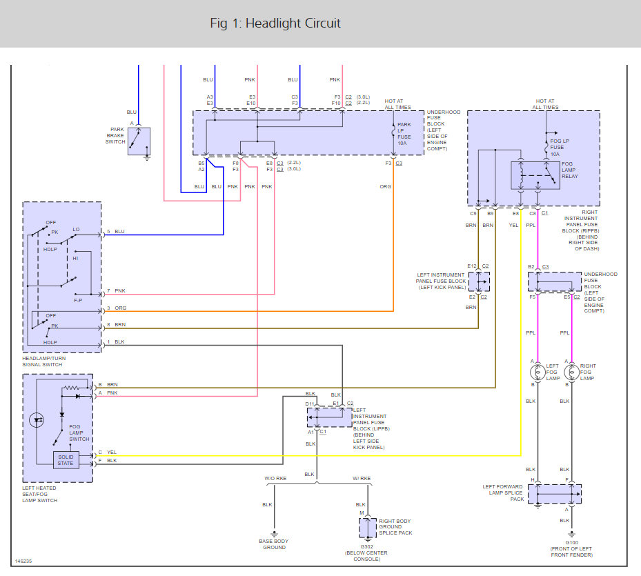
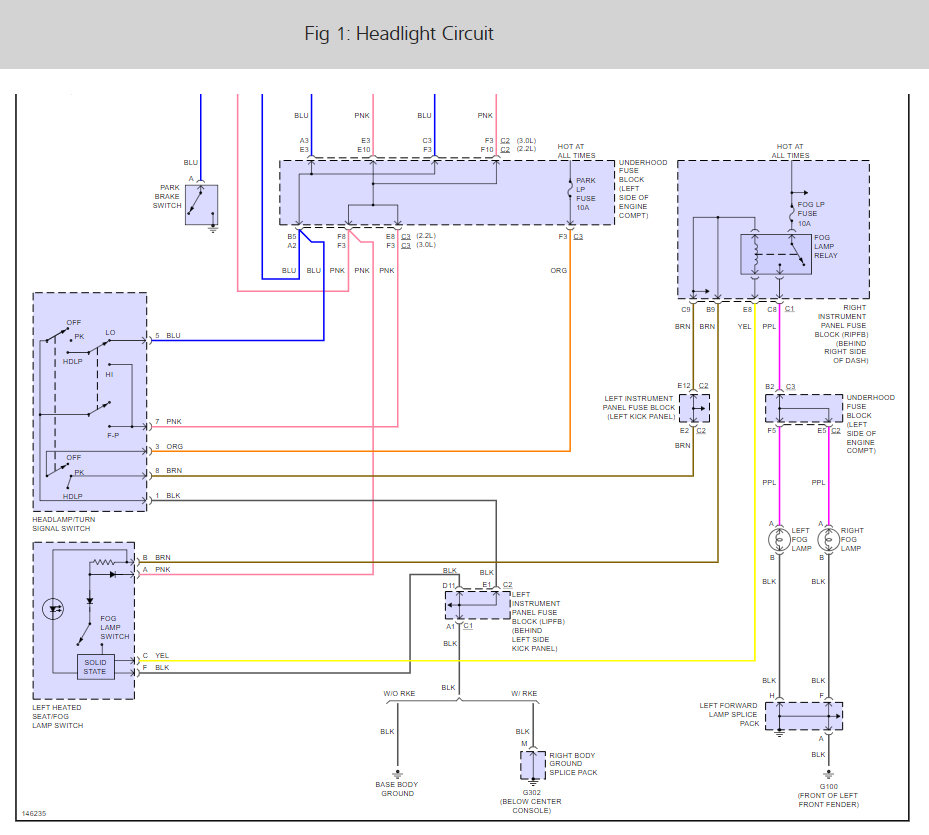
Sunday, May 20th, 2018 AT 4:02 AM
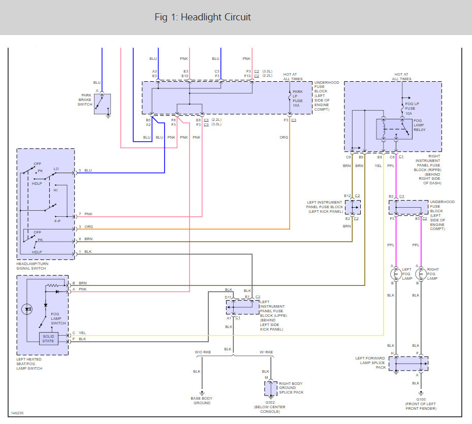
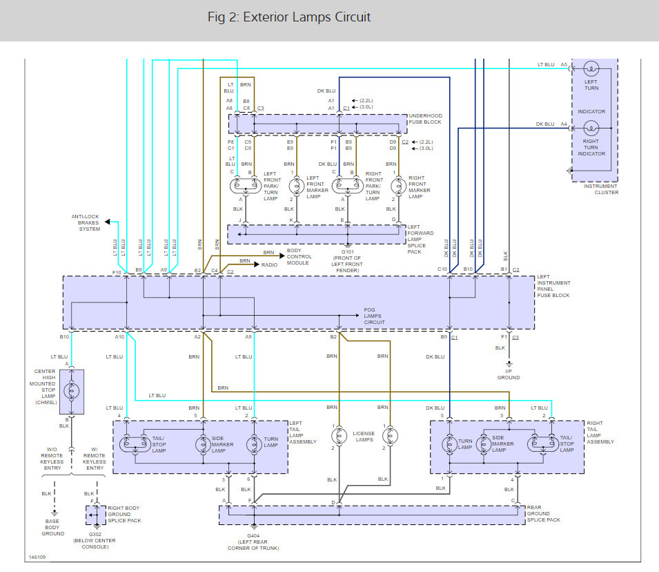
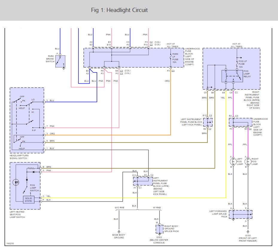
I purchased my car with no lights working except the headlights. The previous owner replaced the turn signal/headlight switch, I figured out the replacement switch was off a newer car with DRL's. I compared the old switch, which was broken, with the new one and realized the wiring on it was different. I relocated and soldiered the wiring on the new switch to match the original. My interior lights and running lights started working. I hardwired in new light sockets in the rear to eliminate the set up that was on the rear lights and gained brake, turn signal and reverse lights. The problem is, when I turn on the headlights it turns off all my running lights and interior lights and it blows the parking light fuse under the hood. The weird part is if I put the lights back into the parking light position everything lights up with the blown fuse still installed. I have gone through and cleaned up all the light sockets and replaced any bad bulbs. Every light on the car works just not everything together and I am at a loss of what the problem could be. I have also went through and cleaned up every ground point in the entire car. Please help point me in a direction because I am running out of ideas.





