Thursday, September 17th, 2020 AT 1:55 PM
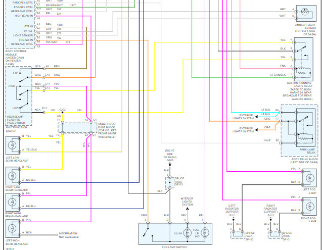
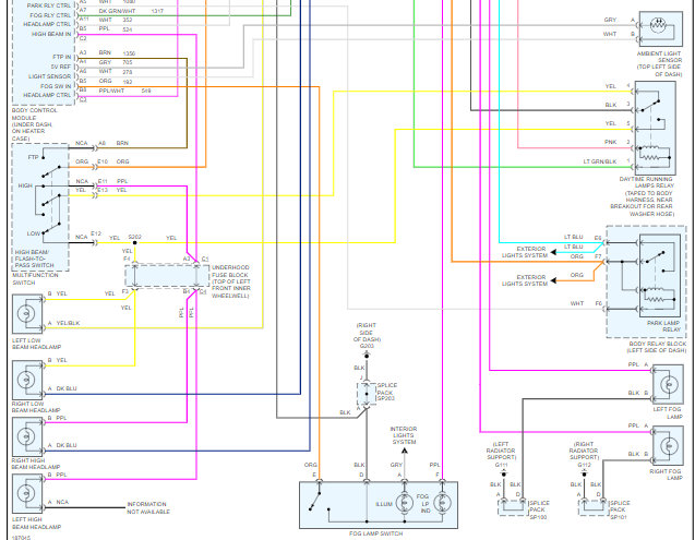
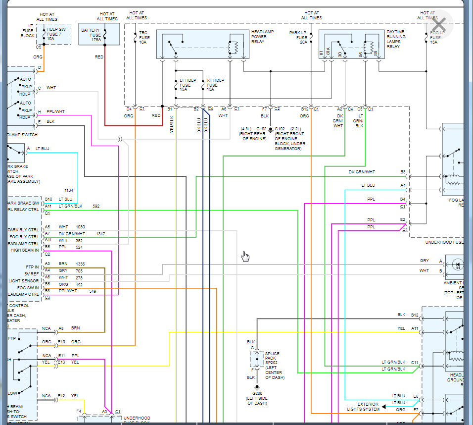
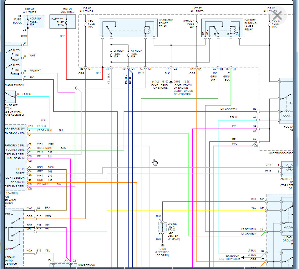
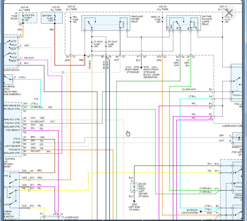
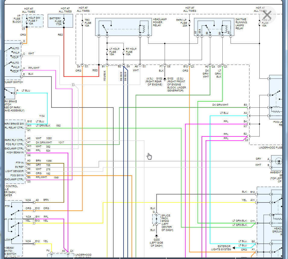
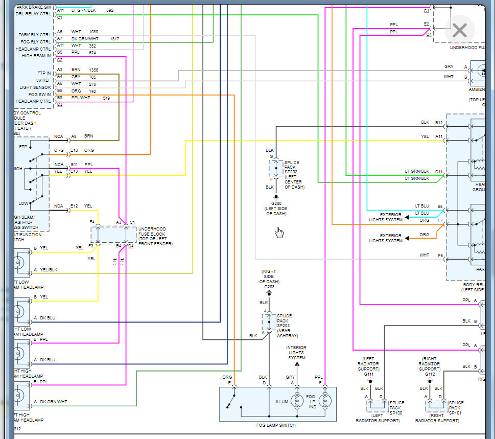
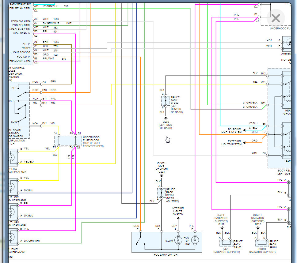
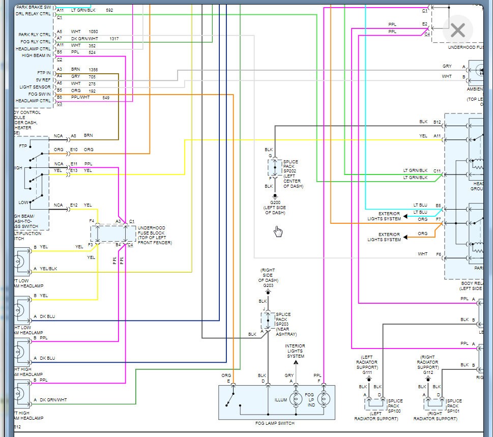
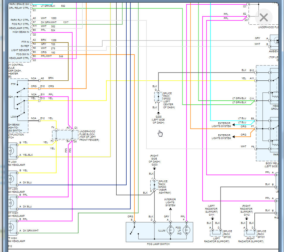
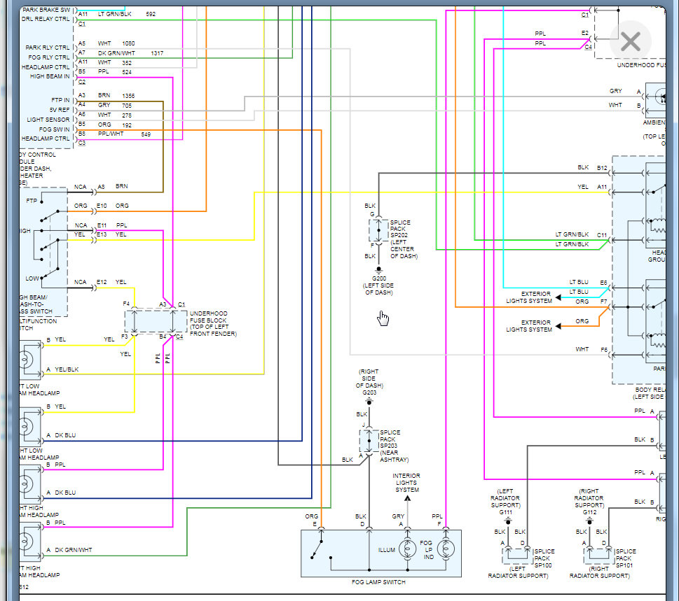
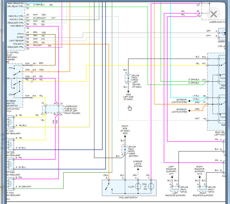
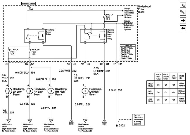
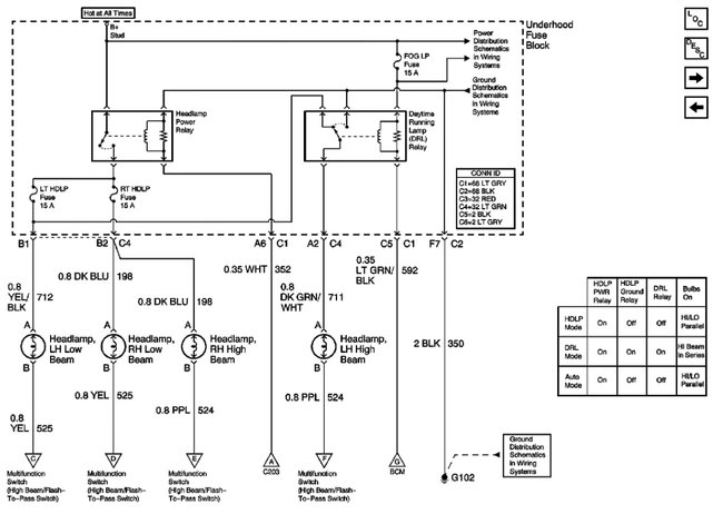
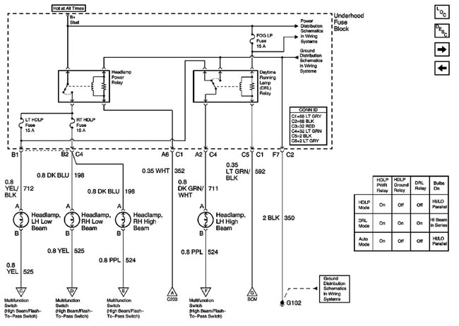
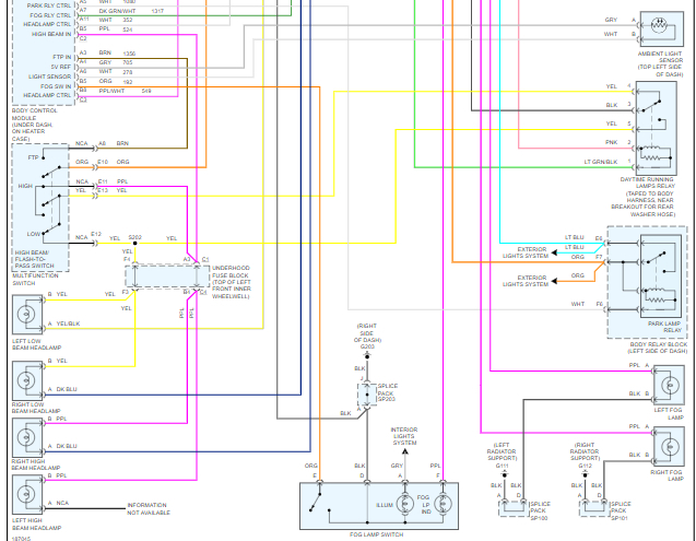
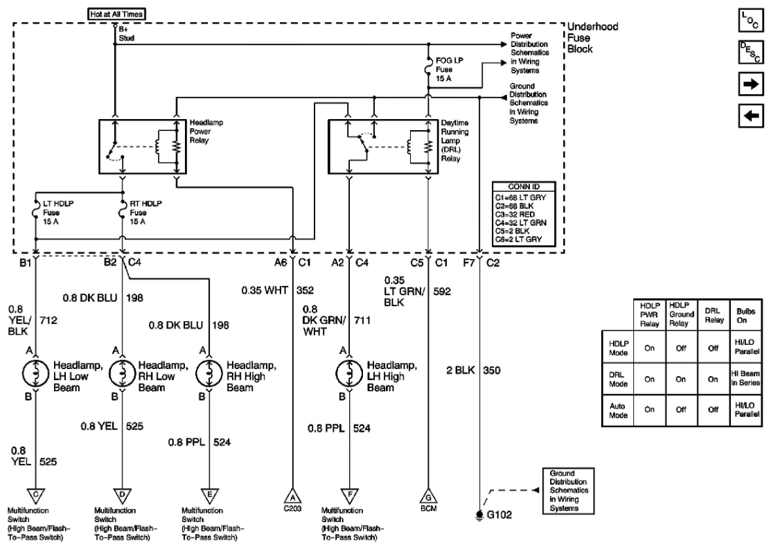
I have an S10 Blazer, the day time running lights are on and work fine but at night my headlights do not come on and even if I manually turn the switch to the headlights on it doesn’t work. I tried tapping on the dash and sometimes the would work, and then some times the headlights would work but when I shut the car off and then go back an hour later to go home they would not work. Can you give me some advice as to what to try? Could it be just the switch in the dash? I have it at an electrical shop but they can’t find the problem, any advice would be helpful. Thanks.








