Friday, October 23rd, 2020 AT 5:52 PM
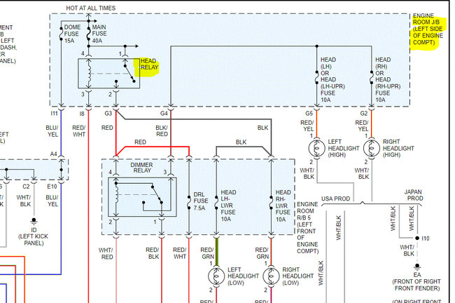
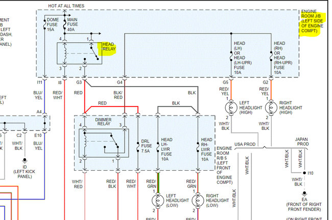
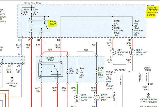
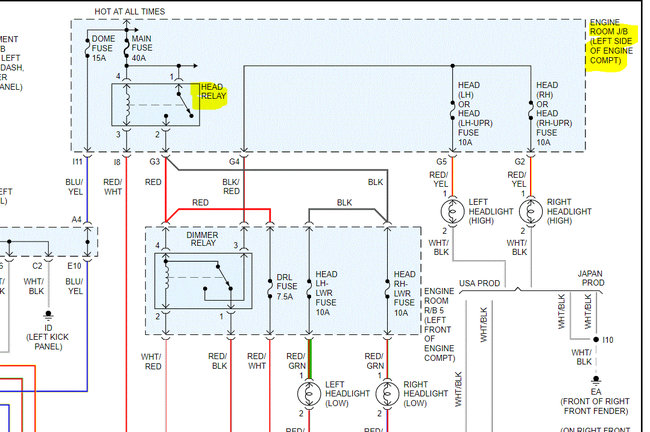
When I park and turn off my car, then turn off the headlights my corner lights will not turn off. The switch still clicks when I fully turn the lights off, I checked the fuses but they are all in tact. I tried to look at the relay but I’m not sure what a bad relay looks like.



