Headlights go out and come back on

Tiny
GINA345
  • MEMBER
  • 1996 CHEVROLET S-10
  • 0.5L
  • 4 CYL
  • 2WD
  • 123,769 MILES
While I’m driving the lights go out and come back on.
Tuesday, May 18th, 2021 AT 7:43 AM

1 Reply

Tiny
KEN L
  • MASTER CERTIFIED MECHANIC
  • 55,054 POSTS
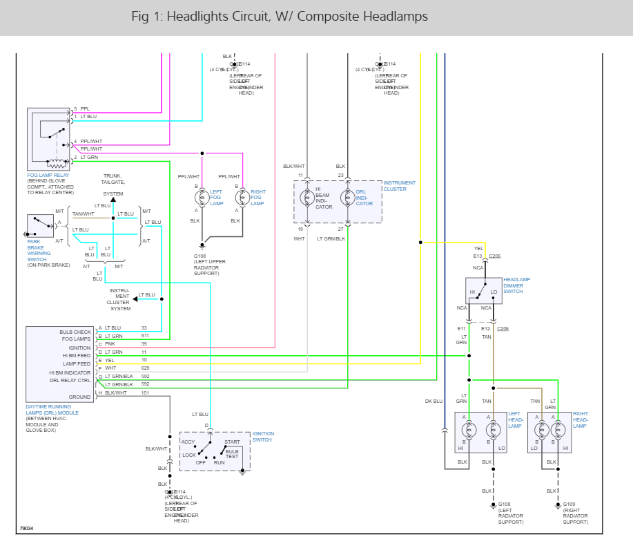
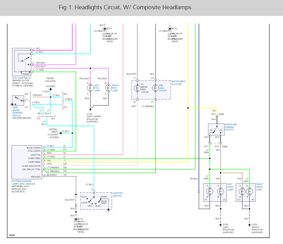
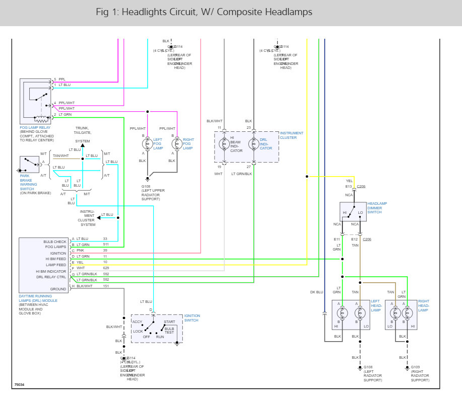
This is common when the DRL module is going out. here is the location so you can change it out with the headlight wiring diagrams so you can see how the system works:

https://www.2carpros.com/articles/how-to-check-wiring

Check out the diagrams (below). Let us know what happens and please upload pictures or videos of the problem.
Was this
answer
helpful?
Yes
No
Wednesday, May 19th, 2021 AT 11:24 AM

Please login or register to post a reply.