Headlights not working, why?

Tiny
JOHN SHERWOOD
  • MEMBER
  • 2000 FORD WINDSTAR
  • 3.8L
  • V6
  • 2WD
  • 134,600 MILES
I have all the lights except headlights.
Monday, August 15th, 2022 AT 8:08 AM

1 Reply

Tiny
KEN L
  • MASTER CERTIFIED MECHANIC
  • 55,499 POSTS
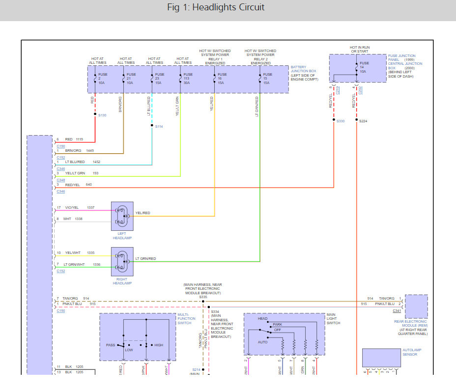
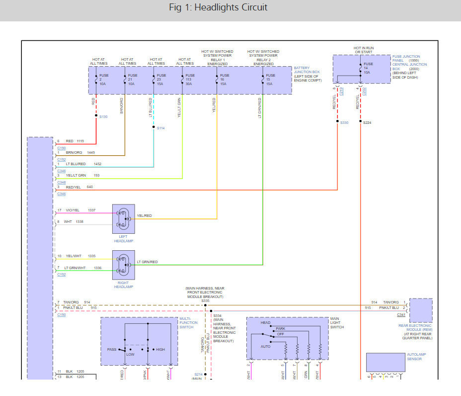
The first thing we must do is check the system fuses #2, 21, 23, 133, 15 and 16 in the under-hood fuse panel and # 14 in the interior fuse panel. here is a headlight wiring diagrams so you can see the fuses that need to be checked. Also, I have included a guide to help with the fuse test.

https://www.2carpros.com/articles/how-to-check-a-car-fuse

If the fuses check out it sounds like the main light switch, or the front control module is out, you will need to see where it loses power this guide can help:

https://www.2carpros.com/articles/how-to-use-a-test-light-circuit-tester

Check out the diagrams (below). Please let us know what you find.

Was this
answer
helpful?
Yes
No
Monday, August 15th, 2022 AT 1:07 PM

Please login or register to post a reply.