Wednesday, April 5th, 2023 AT 8:58 AM
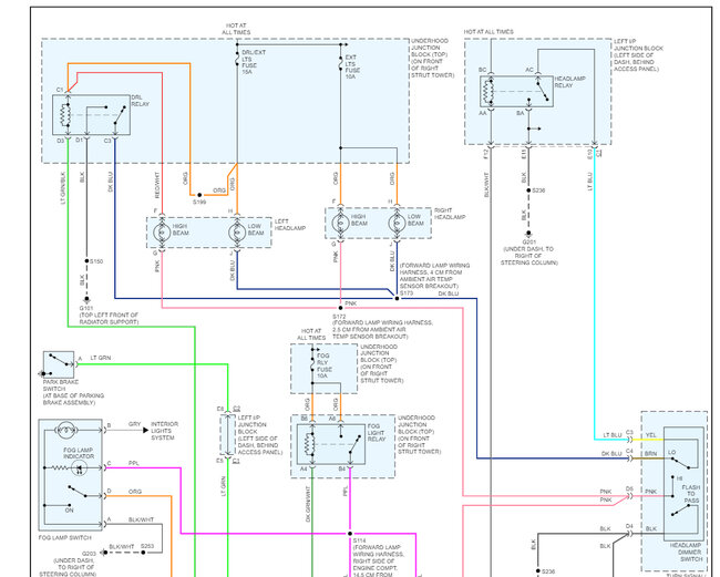
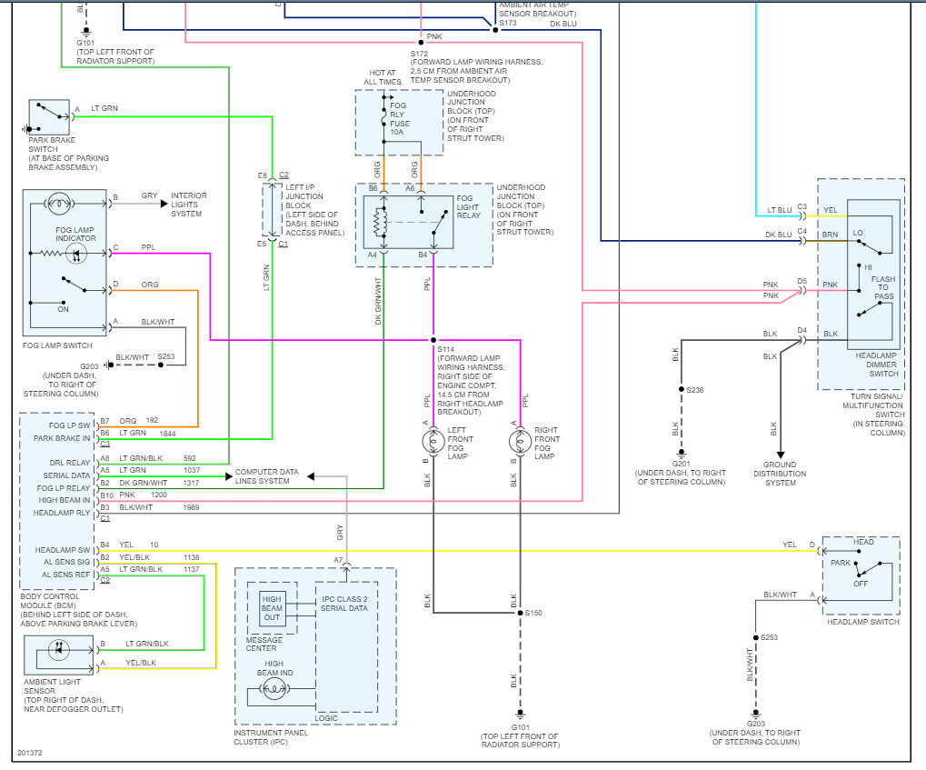
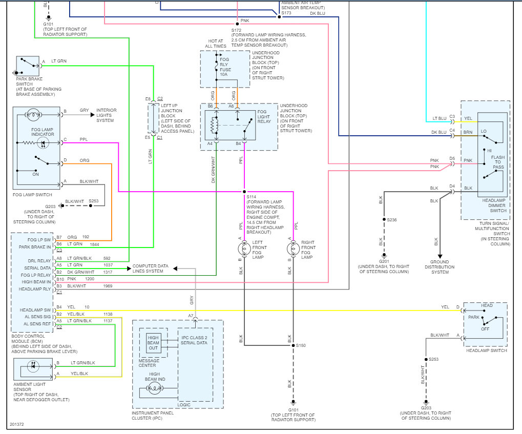
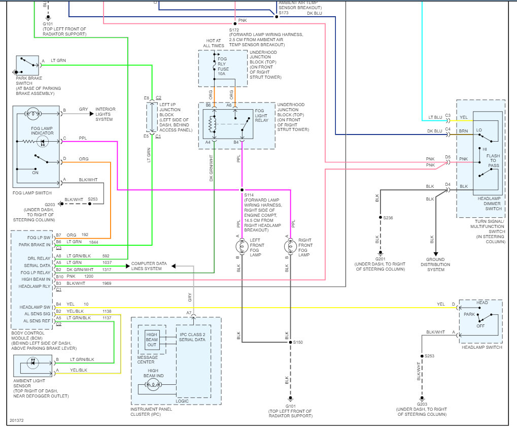
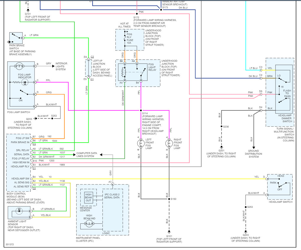
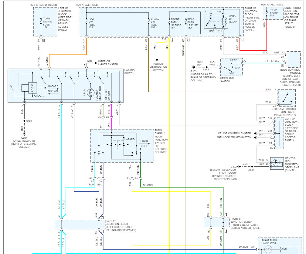
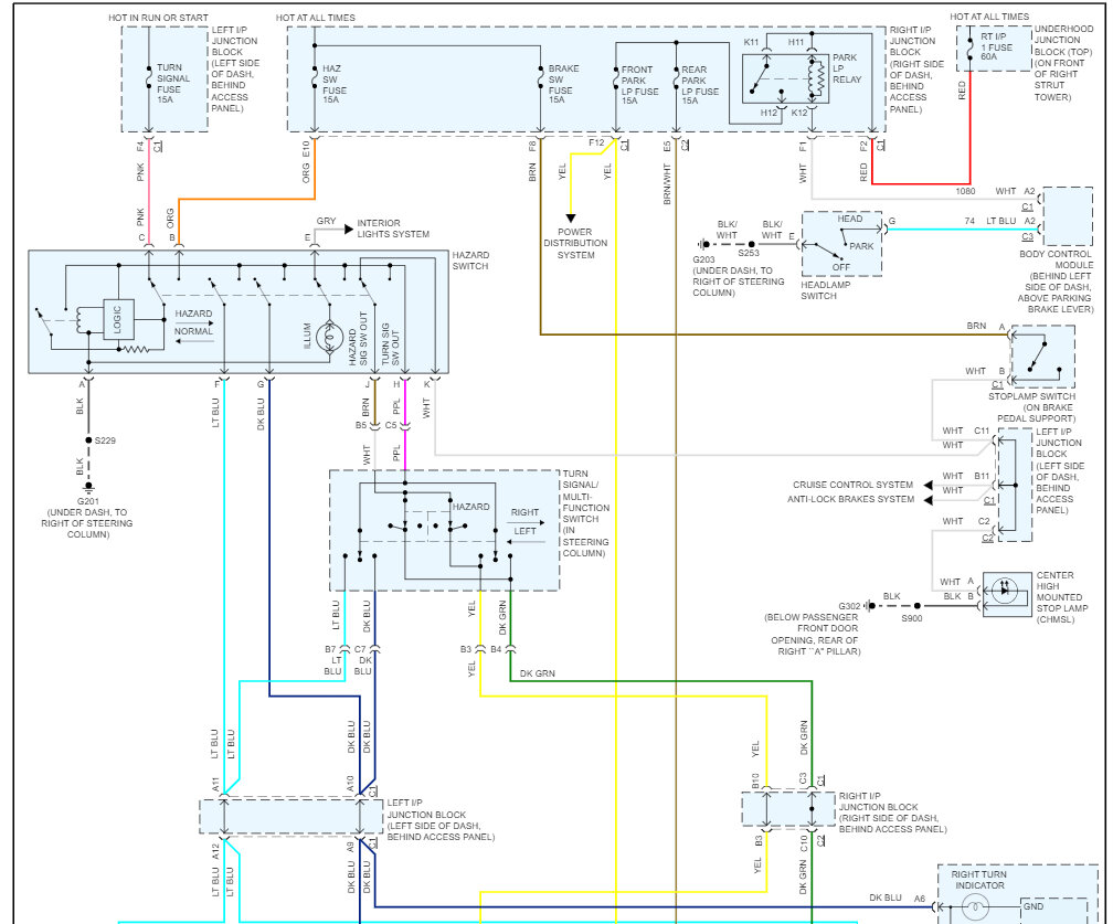
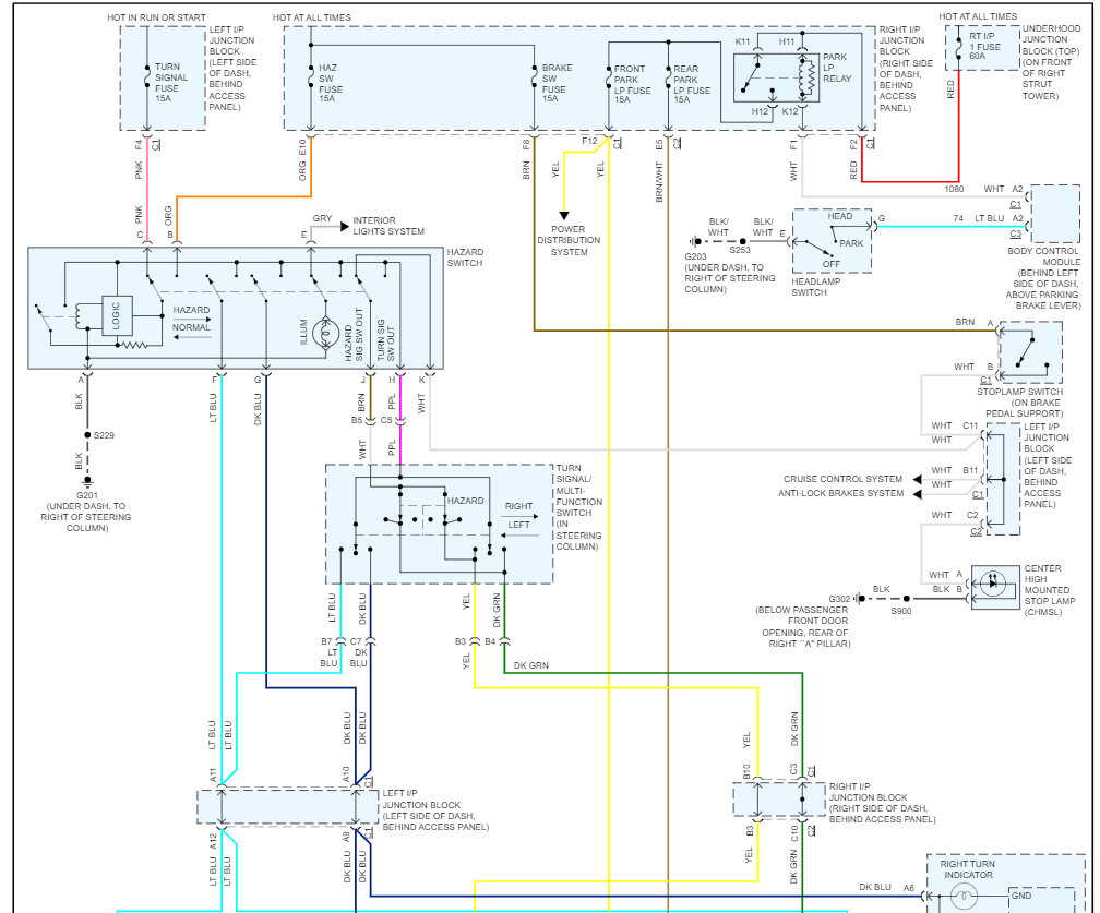
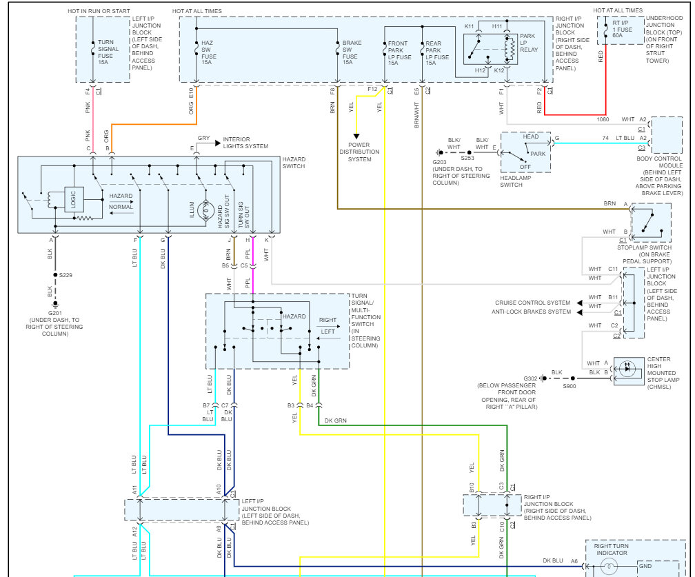
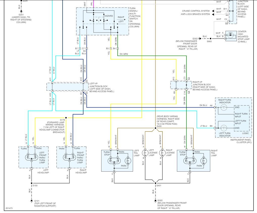
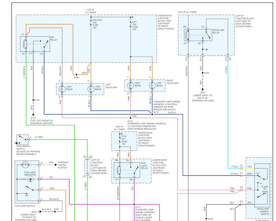
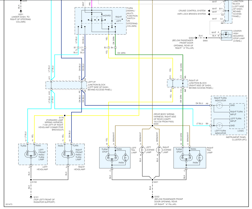
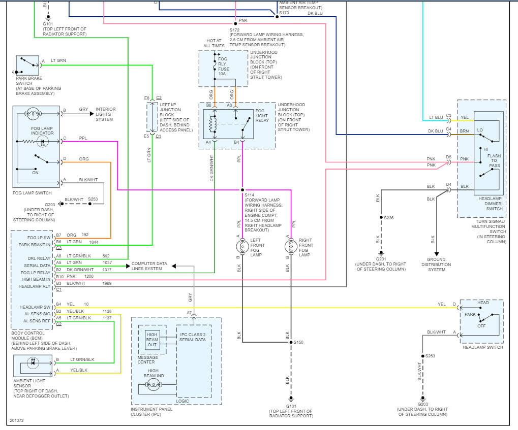
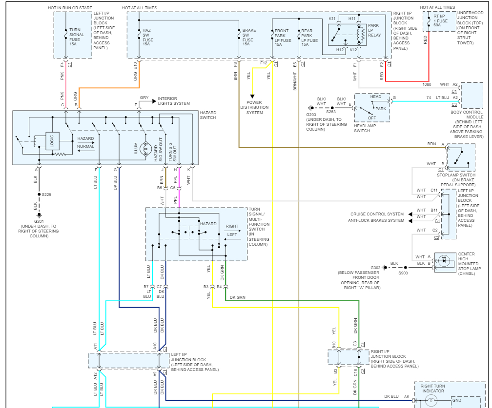
When I pull the knob to turn on the headlights there is nothing. But once pulling that knob the four-way lights come on in the dash. Then when I proceed to turn the left turn signal on the four-way lights begin to blink faster. The same goes for the right turn signal as well. Now when I unplug the whole headlight unit to check if all wires running to it are getting power. Well, they all are except the light blue and dark blue one plus the yellow one as well. So, what do you think may be causing this for me or what I could do to resolve this matter?













