HOME
ASK A QUESTION
REPAIR GUIDES
BECOME A MEMBER
LOG IN
Login with Facebook
OR
Remember me
NOT A MEMBER?
FORGOT PASSWORD?
CONTACT US
PRIVACY POLICY
TERMS AND CONDITIONS
☰
Home
Chevrolet
Silverado
Exterior Light
Headlight
Not Working
Headlights
CECILIA BOOMER
MEMBER
2001 CHEVROLET SILVERADO
5.3L
V8
4WD
AUTOMATIC
200,000 MILES
Will not work on high beam.
Sunday, June 25th, 2017 AT 2:26 PM
1 Reply
KEN L
MASTER CERTIFIED MECHANIC
55,322 POSTS
Hello,
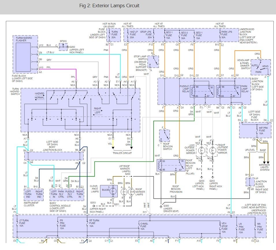
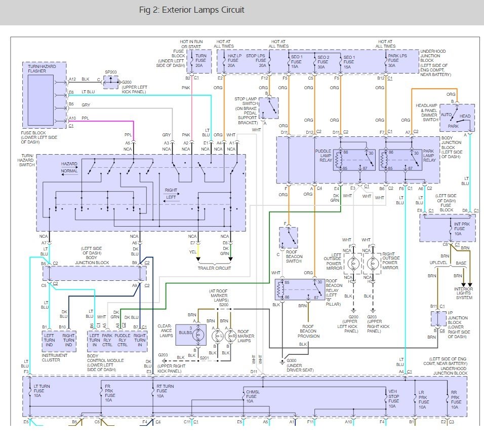
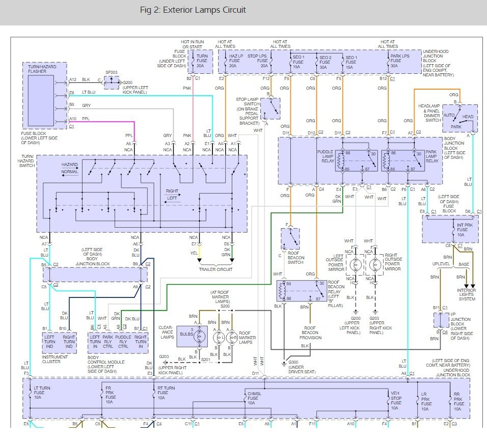
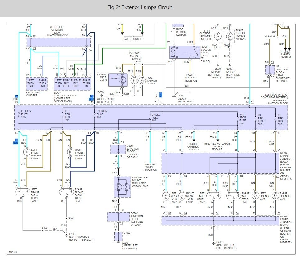
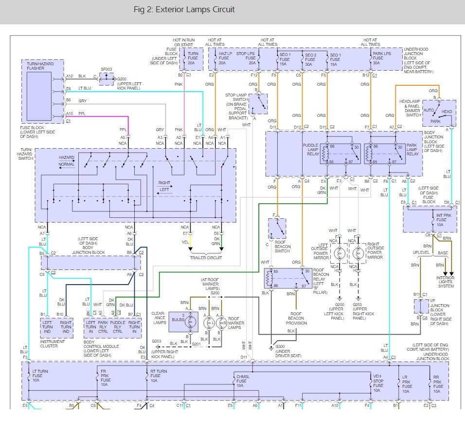
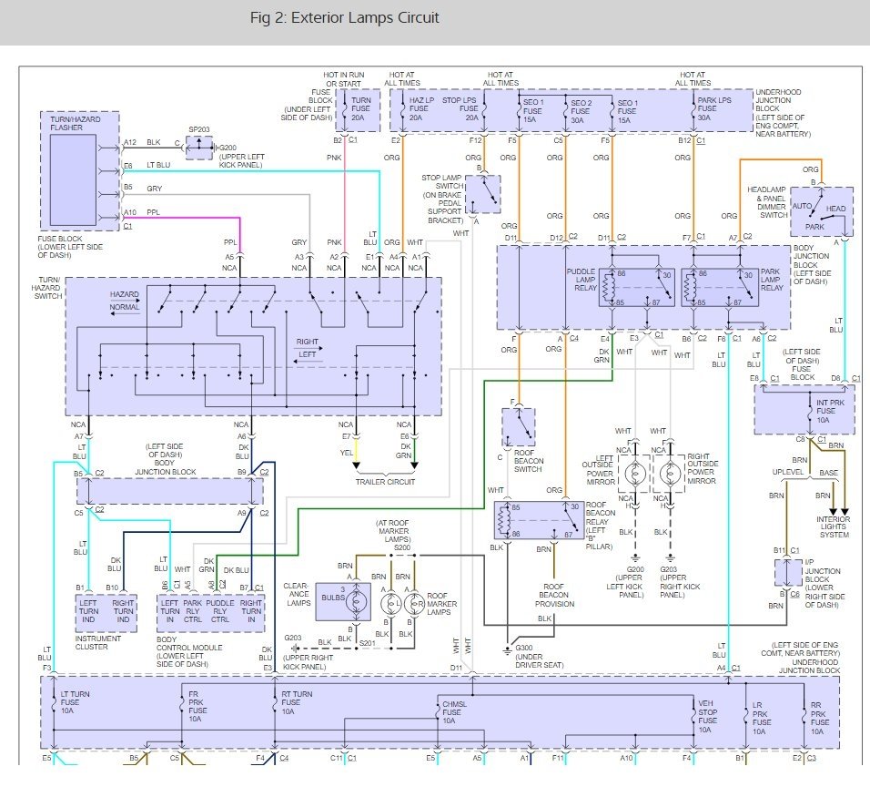
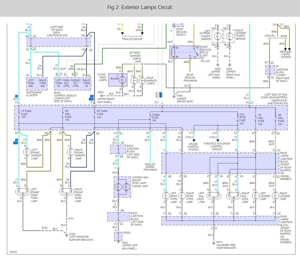
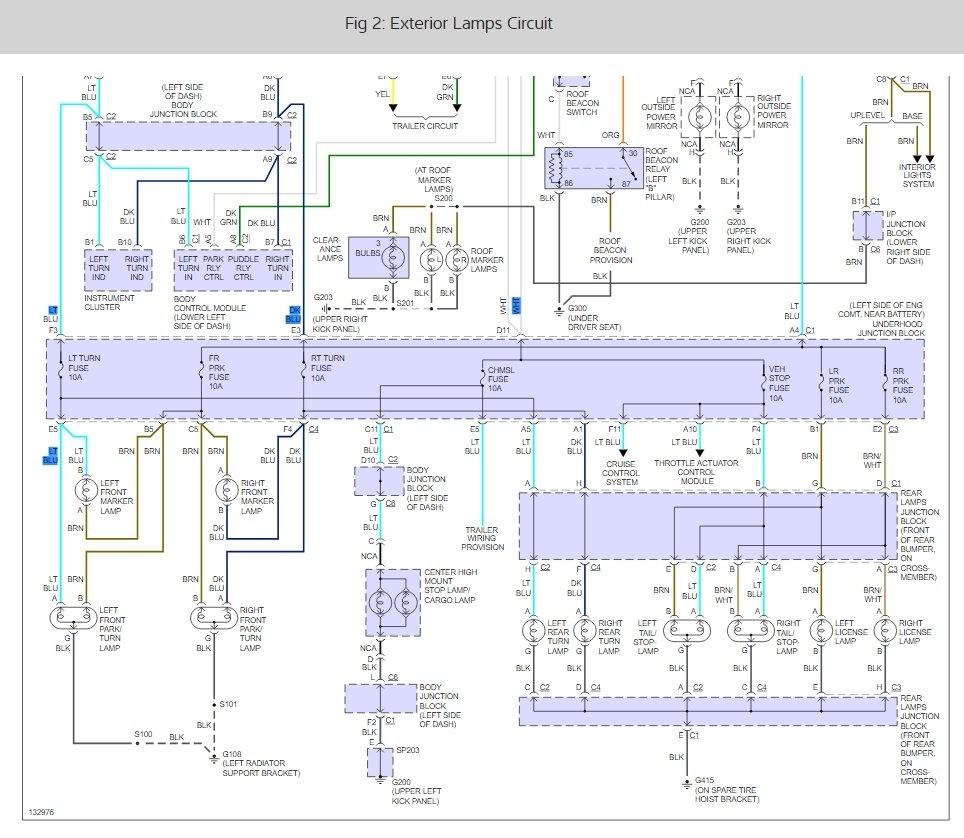
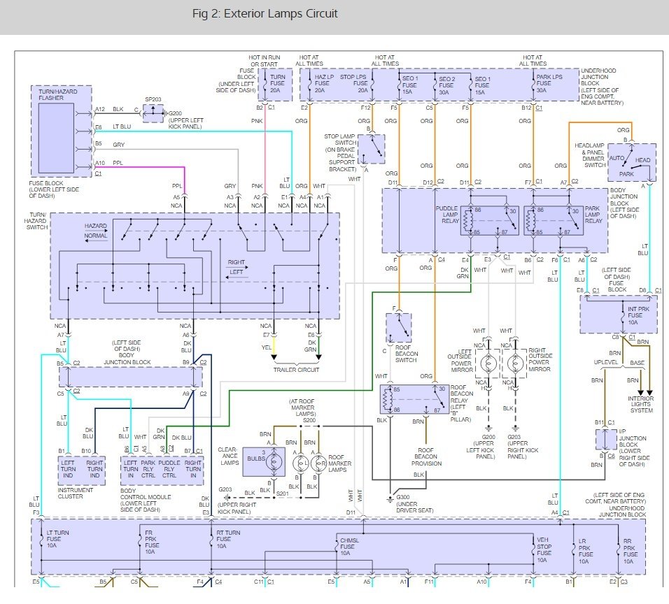
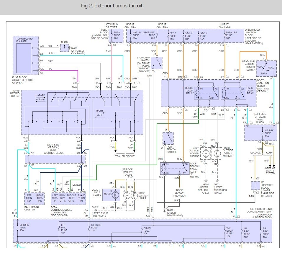
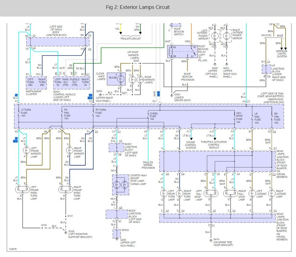
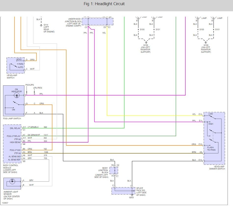
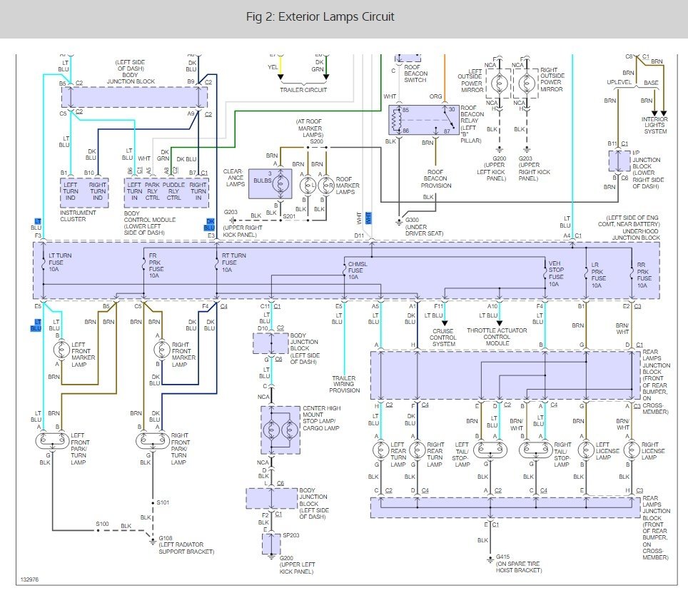
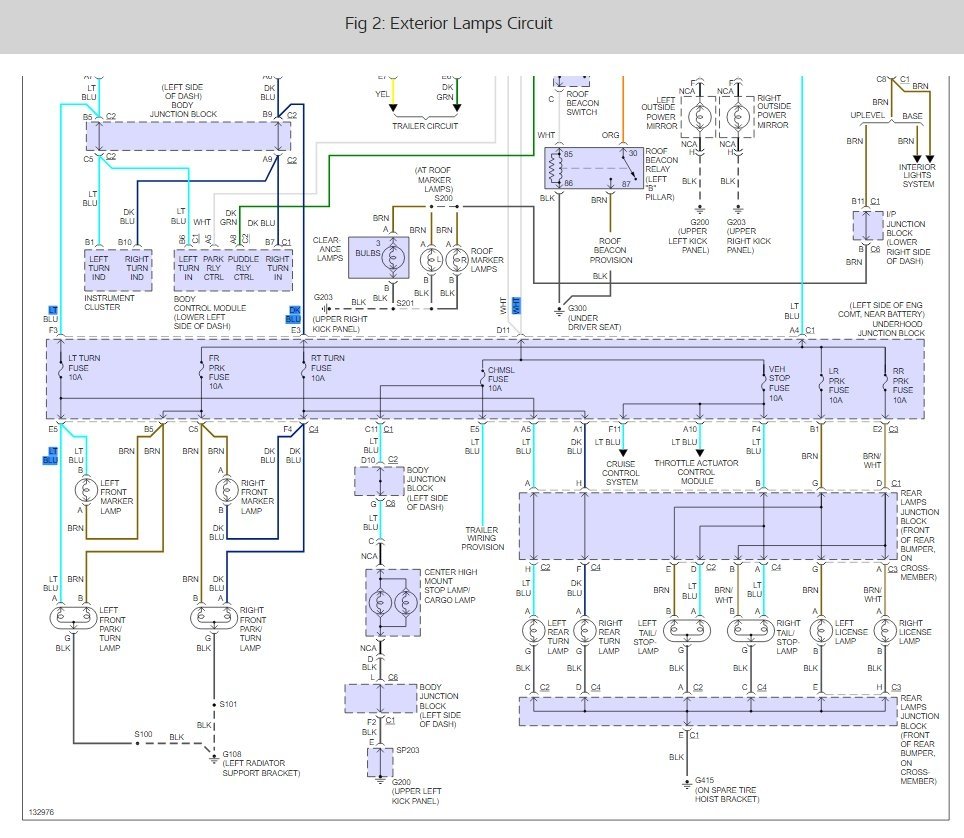
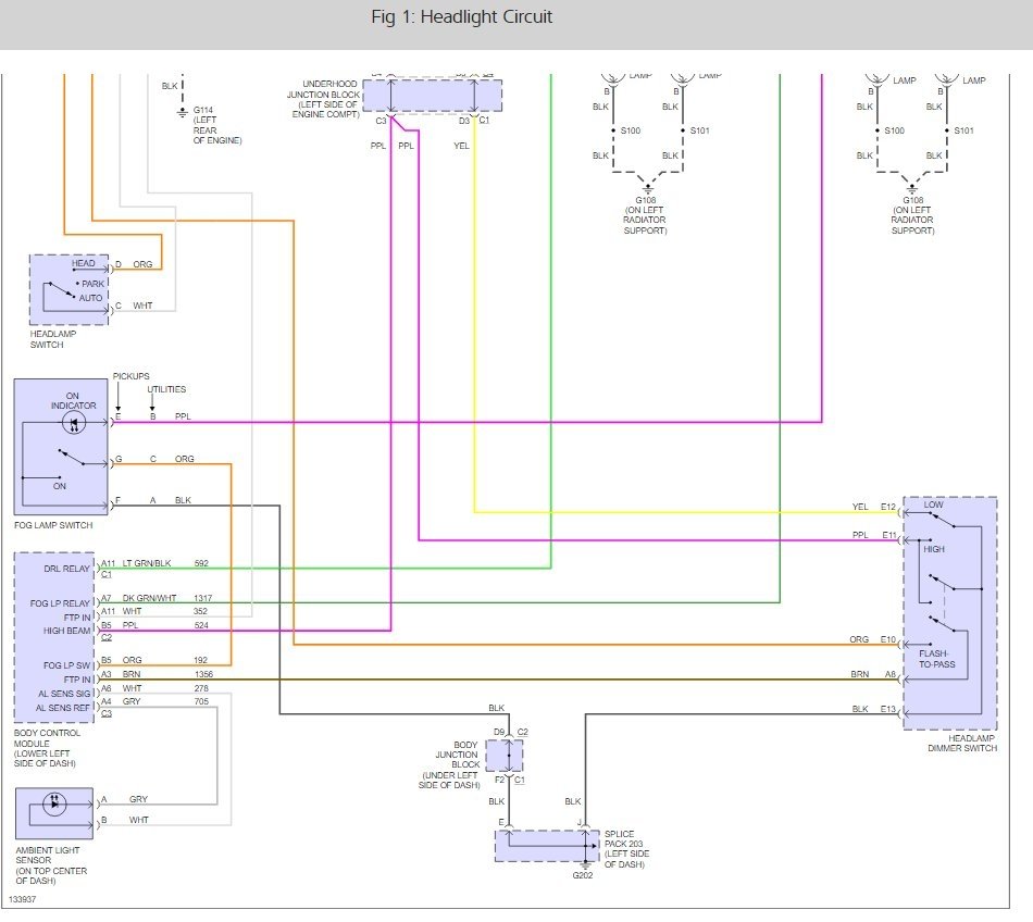
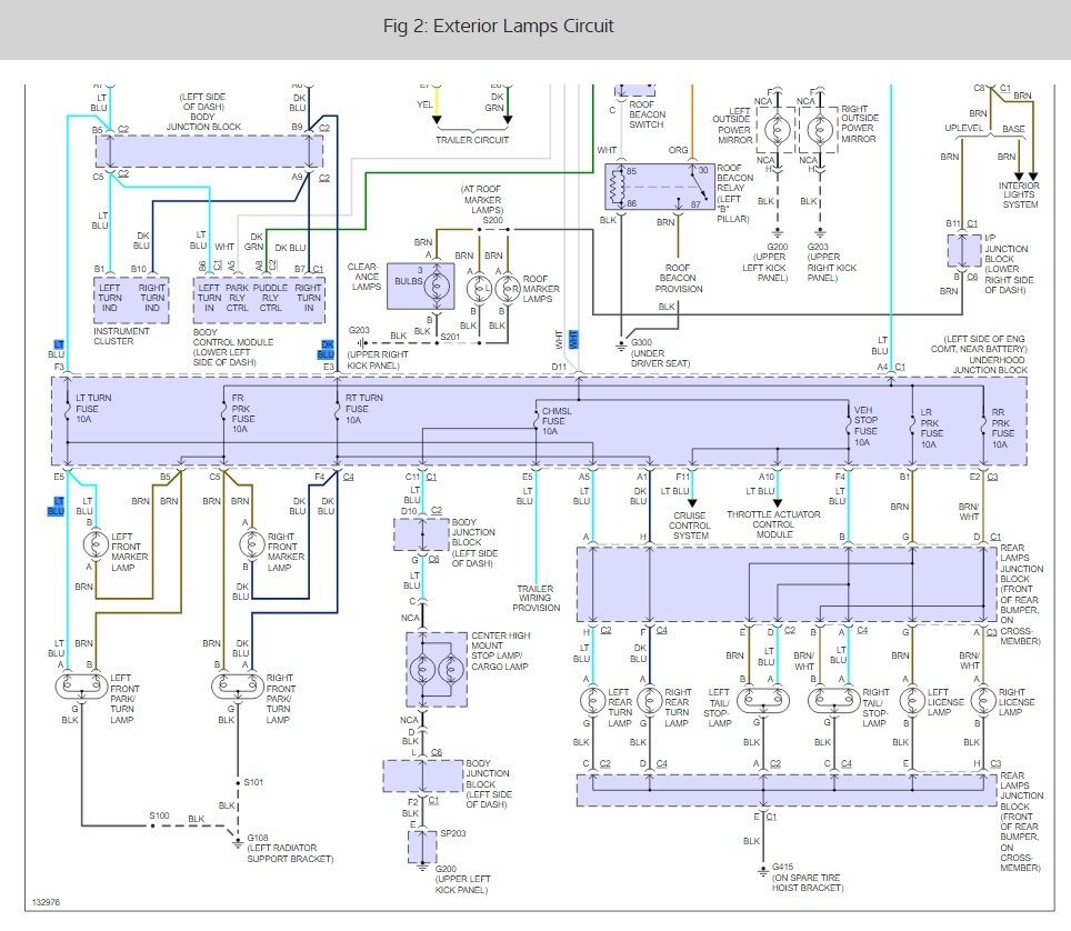
It sounds like you have a headlight relay or a dimer switch that is not working. Here is a head light wiring diagram and a guide to help you test the system and get the problem fixed.
https://www.2carpros.com/articles/how-to-use-a-test-light-circuit-tester
and
https://www.2carpros.com/articles/how-to-check-an-electrical-relay-and-wiring-control-circuit
Please run some tests and get back to us so we can continue helping you.
Cheers, Ken
Images (Click to make bigger)
Was this
answer
helpful?
Yes
No
Monday, July 27th, 2020 AT 5:34 PM
Please
login
or
register
to post a reply.
Related Headlight Not Working Content
No Headlights
All Fues Are Good, New Headlight Switch, New Turn Signal Switch. Bulbs Are Good. Thank You
Asked by
chewy08204
·
2 ANSWERS
3 IMAGES
2001
CHEVROLET SILVERADO
Headlights Not Working
This Is Not A Question But A Answer For Headlight Problems On A 1998 Chevy K1500 Silverado. If You Have Daytime Running Lights But When...
Asked by
carlcasy
·
39 ANSWERS
8 IMAGES
1998
CHEVROLET SILVERADO
Headlights
My 2003 Silverado Low Beam Automatic Headlights Wont Come On, It Dosent Seem To Be The Low Beam Relay Whats The Problem
Asked by
scott590
·
1 ANSWER
1 IMAGE
2003
CHEVROLET SILVERADO
Headlights Won't Come On
Chevy, 2007 1500p/u, 130,000, V8. The Headlights Won't Come On When The Switch Is Turned. The Daytime Running Lights Seem To Work Fine...
Asked by
Donnerman28
·
5 ANSWERS
17 IMAGES
CHEVROLET SILVERADO
Low Beams Dont Work?
My Low Beam Head Lights Don't Work, Both Suddenly Stopped. Checked All Fuses And Relays And They Are Good, The Switch Is Good Because...
Asked by
tjbanshee
·
1 ANSWER
2 IMAGES
2003
CHEVROLET SILVERADO
VIEW MORE
Ask a Car Question. It's Free!
Have a Dim Headlight? - Try Replacing This!
Headlight Dim or Dull
How to Use a Test Light