No headlights

Tiny
CHEWY08204
  • MEMBER
  • 2001 CHEVROLET SILVERADO
  • 8.1L
  • V8
  • 4WD
  • AUTOMATIC
  • 145,000 MILES
All fues are good, new headlight switch, new turn signal switch. Bulbs are good. Thank you
Sunday, February 12th, 2017 AT 9:03 AM

2 Replies

Tiny
HMAC300
  • MECHANIC
  • 48,601 POSTS
Have you checked relays under hood? Then check grounds on header for headlights. Also, check battery ground there may be one under battery or near that has corroded off.
Was this
answer
helpful?
Yes
No
+1
Monday, July 27th, 2020 AT 5:33 PM
Tiny
CJ MEDEVAC
  • MECHANIC
  • 11,005 POSTS
There are many factors in the system.

I am going to be little help to you as far as a 'quick fix'. Fret not! There are many others on this site who may be familiar with your truck that may jump in at at any time.

I am more of a pre-computer sort of guy.

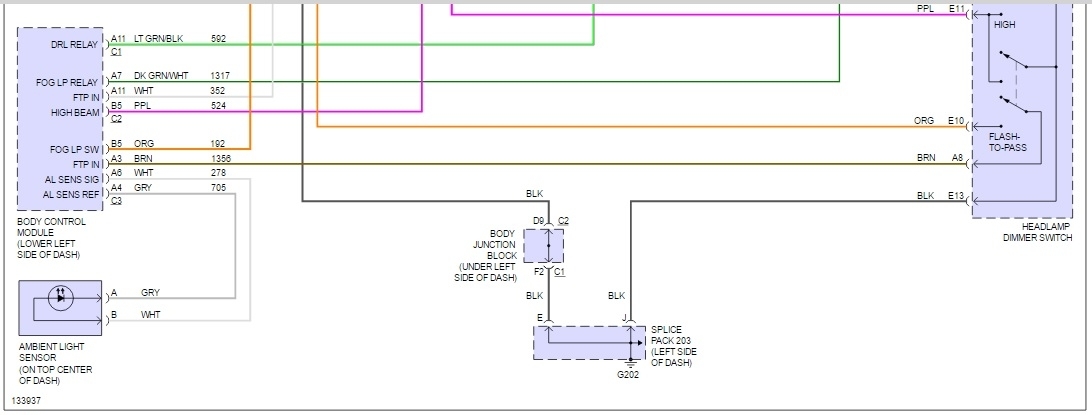
I was able to go to 'Prodemand' and find an excellent wire diagram for the headlights.

I had the choice of "2500 HD or 3500". I went with the 2500. (If I chose incorrectly let me know, I will get the other for you).

Other than a broken wire/ bad ground, this is the best I can do. Others may jump in!

Below are three screenshots. The first being the top, second middle, third bottom of the diagram.

I insured that they overlapped so no information is missing.

I feel sure this will show you things that you had no idea were in there. Locations are usually shown for the items beside them. Maybe this diagram will aid you in some way.

Keep us informed or if you need the other diagram.

The Medic
Was this
answer
helpful?
Yes
No
-1
Monday, July 27th, 2020 AT 5:33 PM

Please login or register to post a reply.