Low beams dont work?

Tiny
TJBANSHEE
  • MEMBER
  • 2003 CHEVROLET SILVERADO
My low beam head lights don't work, both suddenly stopped. Checked all fuses and relays and they are good, the switch is good because I can to turn the switch to on and I can use my high beams (the only way they work), even changed the bulbs. I can hear the relay click when I turn the switch to on. I have even swapped relays. Once again it is only my low beams. Thank you
Thursday, December 11th, 2008 AT 9:52 AM

1 Reply

Tiny
JACOBANDNICKOLAS
  • MECHANIC
  • 110,194 POSTS
Hi,

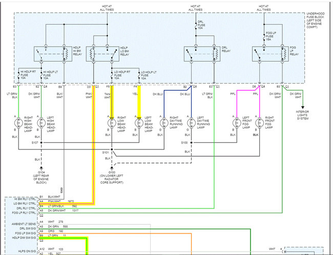
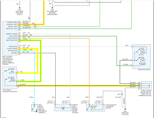
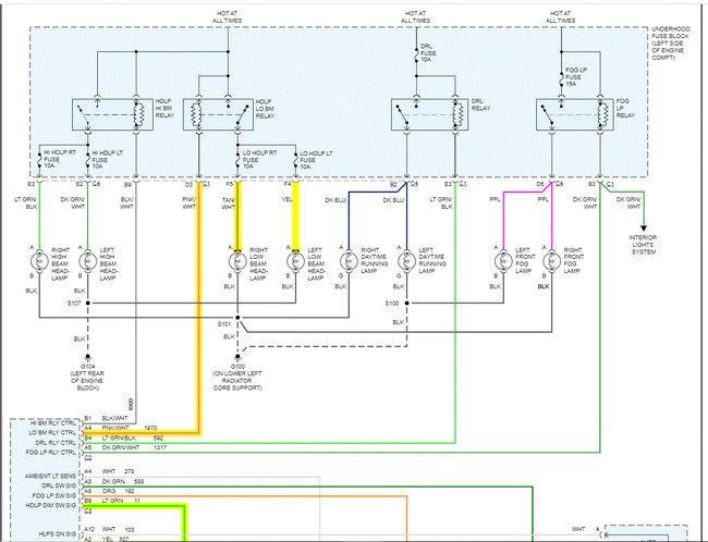
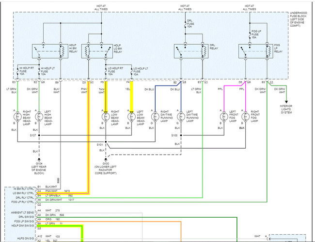
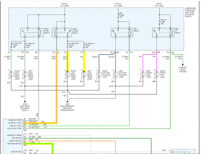
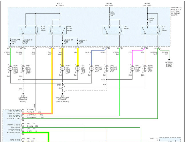
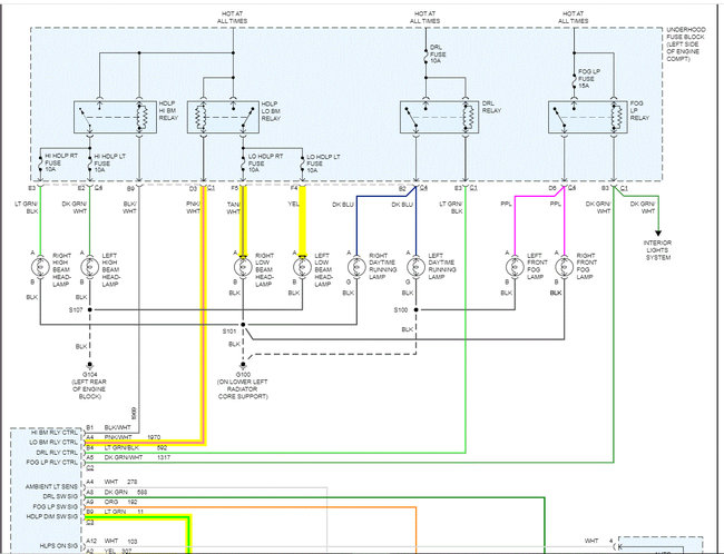
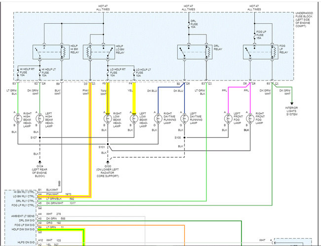
The system is straightforward. The switch provides power to the multi-function switch, to the body control module, to the low beam relay, and then through two fuses to each low beam headlamp.

So, since you are hearing the low beam relay clicking, that eliminates most of the circuit. After the relay, there are fuses and wiring to the lamps.

Here is what I need you to check. Since the high beam works, it isn't a ground-related issue, otherwise, they wouldn't work at all. Thus, it has to be a power-related issue.

I attached the wiring schematic below for the lights. I want to work backwards to locate where power is lost. So, disconnect the headlamp connector at each assembly. The right side will have a tan wire with a white tracer powering the low beam and the left side will have a yellow wire providing power. With the headlamp's low beam on, check one side at a time for power. Here is a link you may find helpful when testing:

https://www.2carpros.com/articles/how-to-check-wiring

If there is no power, I need you to move back to the two fuses powering the low beam. Check both the condition of the fuses and it is very important to confirm there is power to and from them. Here is a link to help:

https://www.2carpros.com/articles/how-to-check-a-car-fuse

If the fuses are good, remove the relay and inspect the connections in the box and relay. Make sure one of the pins isn't pushed in or damaged. Something is preventing power between those two points from reaching the lamps, so let me know what you find.

Let me know if this helps or if you have other questions.

Take care,

Joe

See pics below. Note: I had to cut the pic in half to make it readable for you. However, I did overlap them so you can follow from one to the next.
Was this
answer
helpful?
Yes
No
+1
Thursday, November 25th, 2021 AT 8:55 PM

Please login or register to post a reply.