Headlight problem

Tiny
WLE CHIEF
  • MEMBER
  • 2014 CHEVROLET IMPALA
  • V6
  • 40,000 MILES
The running lights turn on, but the headlights will not turn on either in automatic or manual.
Saturday, October 21st, 2017 AT 3:30 AM

1 Reply

Tiny
KEN L
  • MASTER CERTIFIED MECHANIC
  • 55,512 POSTS
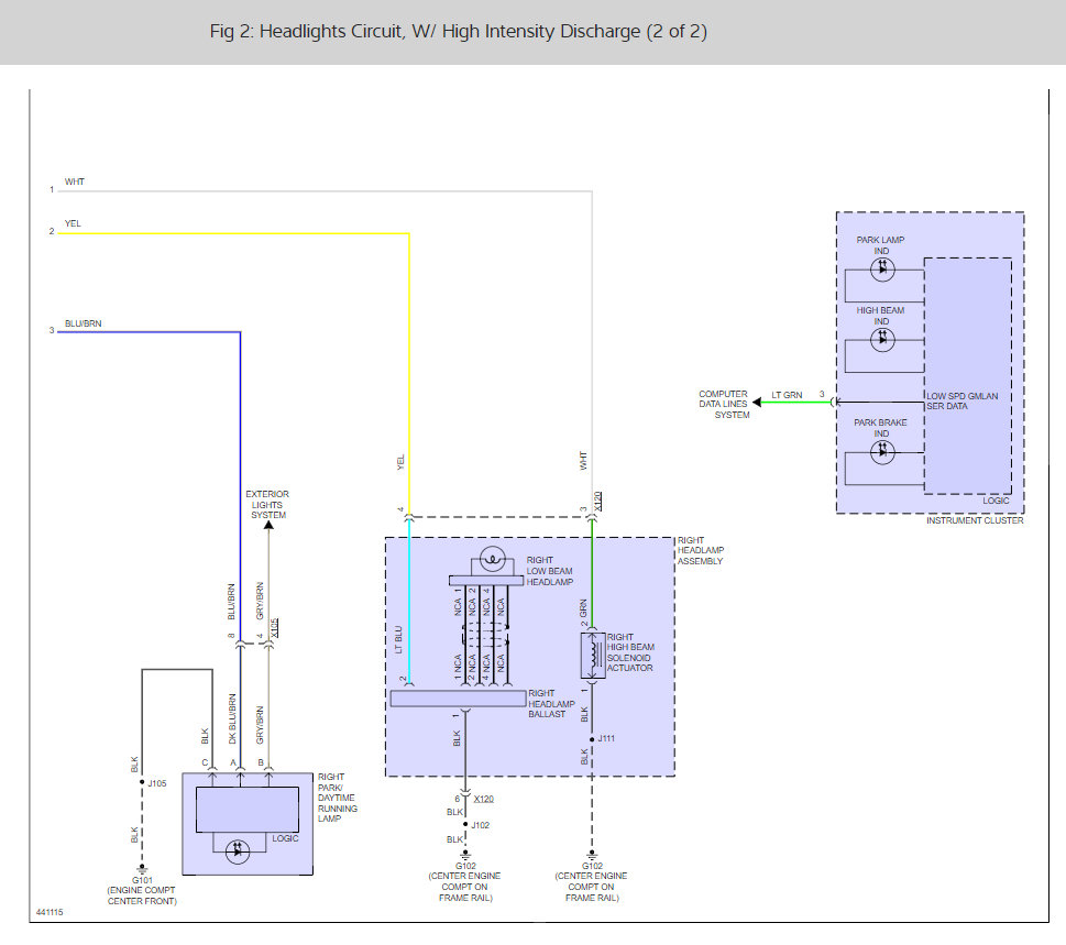
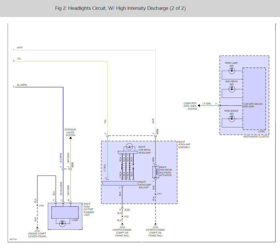
There are two different headlight systems for your car so I included both. That being said there are several fuses and relays that work the system. Here are some guides and diagrams (below) that will help us do some simple tests to get the problem fixed.

https://www.2carpros.com/articles/how-to-check-a-car-fuse

and

https://www.2carpros.com/articles/how-to-use-a-test-light-circuit-tester

and

https://www.2carpros.com/articles/how-to-check-an-electrical-relay-and-wiring-control-circuit

We must be losing power somewhere.

Please run some tests and get back to us so we can keep helping you.

Cheers, Ken
Was this
answer
helpful?
Yes
No
Monday, October 23rd, 2017 AT 12:26 PM

Please login or register to post a reply.