HOME
ASK A QUESTION
REPAIR GUIDES
BECOME A MEMBER
LOG IN
Login with Facebook
OR
Remember me
NOT A MEMBER?
FORGOT PASSWORD?
CONTACT US
PRIVACY POLICY
TERMS AND CONDITIONS
☰
Home
Pontiac
G6
Exterior Light
Headlight
Wiring
Headlight wiring diagram needed
MATTHEW STEELE
MEMBER
2007 PONTIAC G6
6 CYL
AUTOMATIC
70,000 MILES
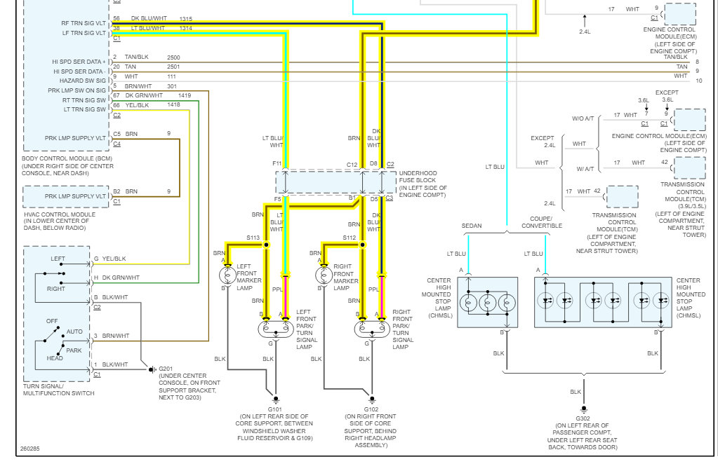
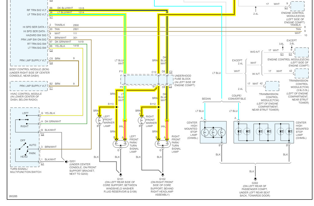
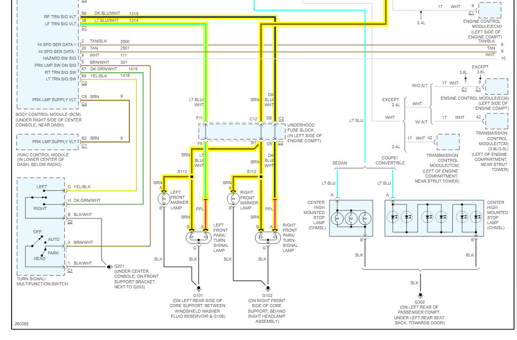
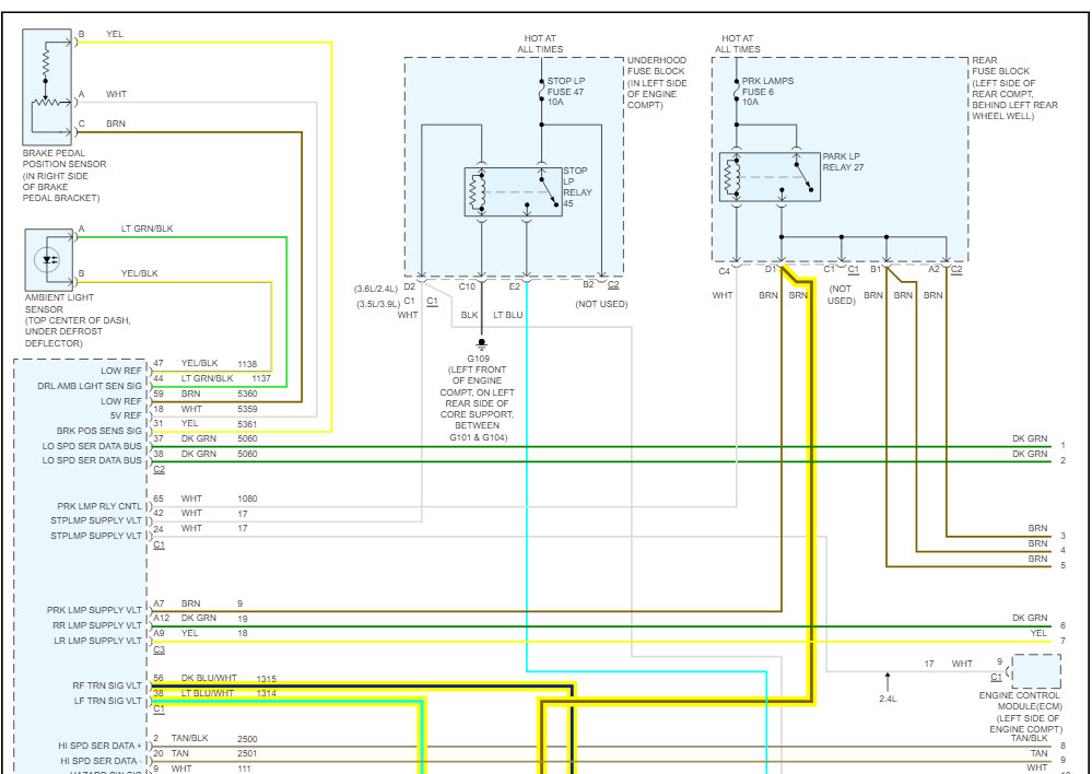
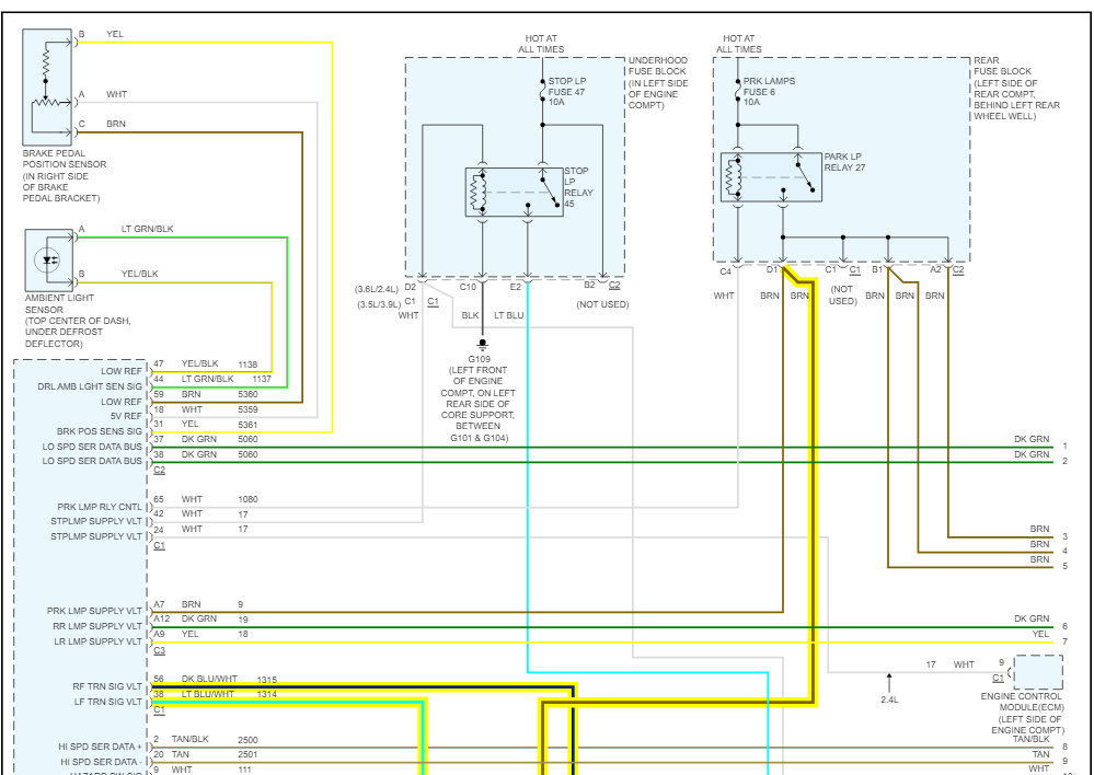
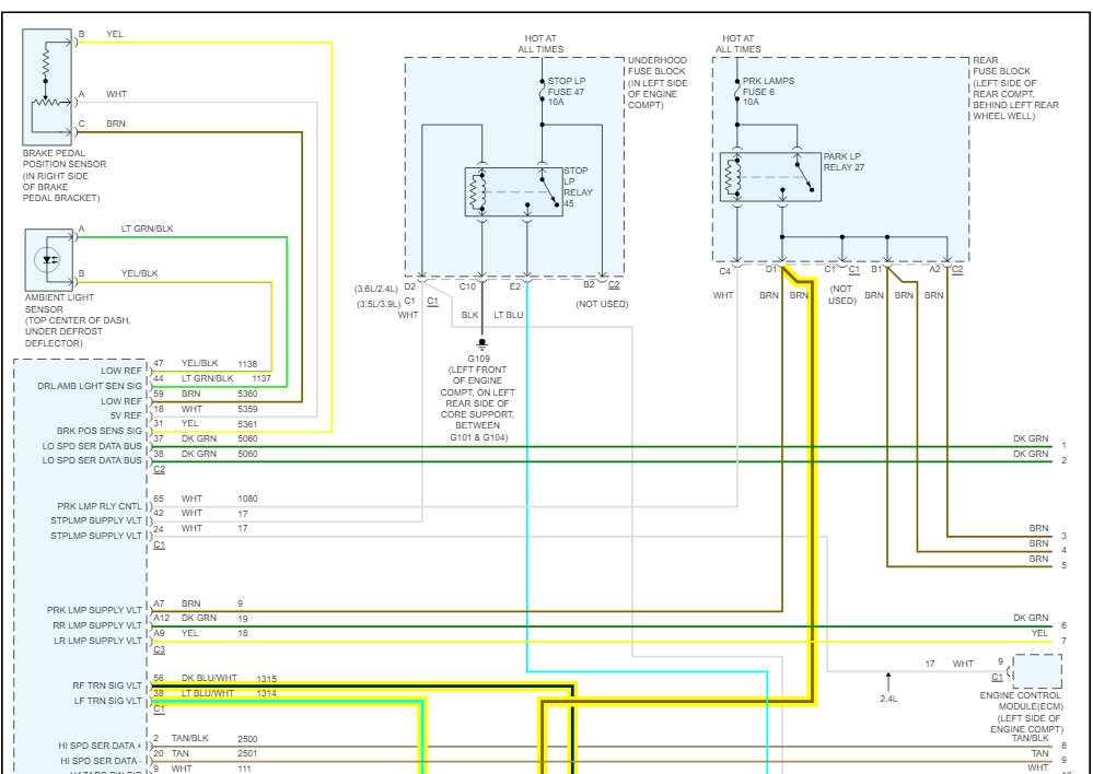
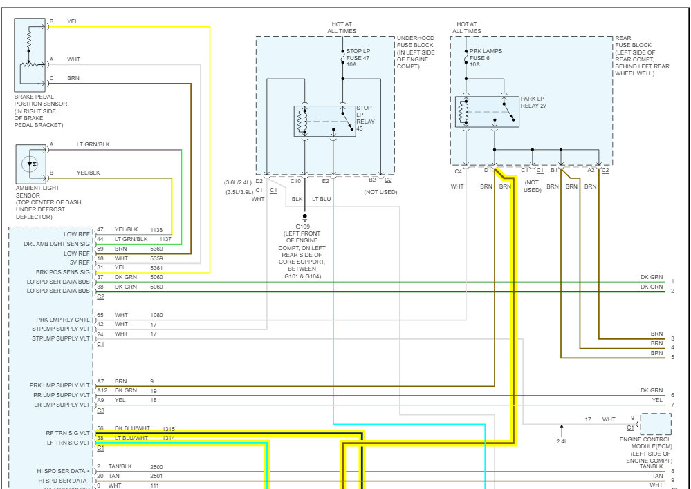
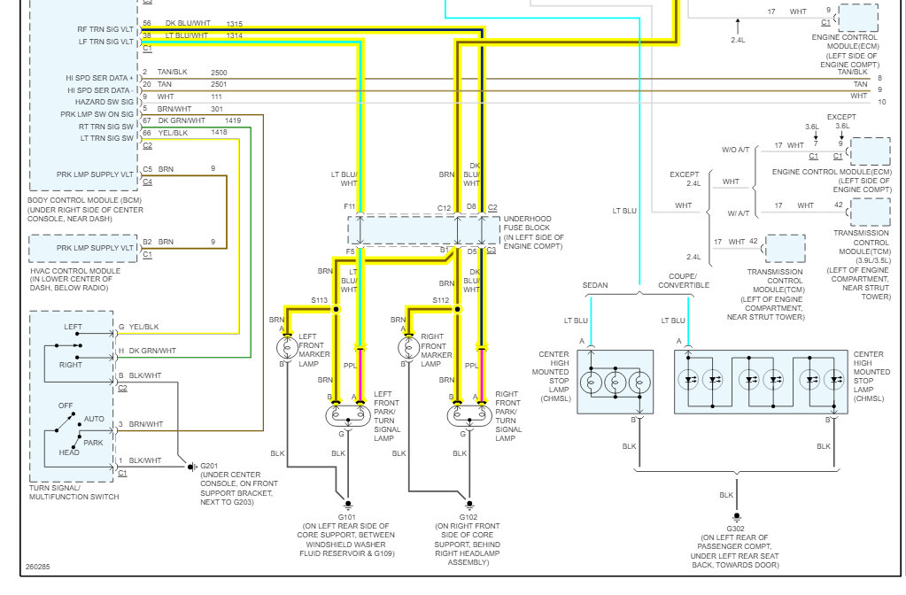
I just need a wiring diagram for the headlights and turn signal lights.
Sunday, May 29th, 2022 AT 7:32 PM
1 Reply
SQM
MECHANIC
6,383 POSTS
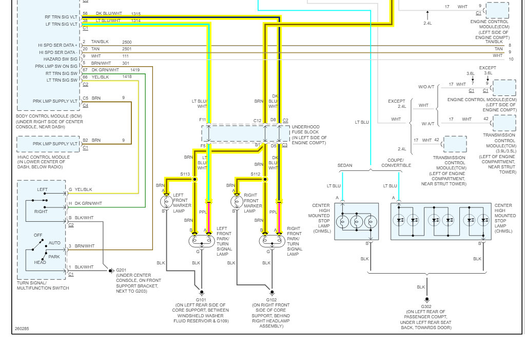
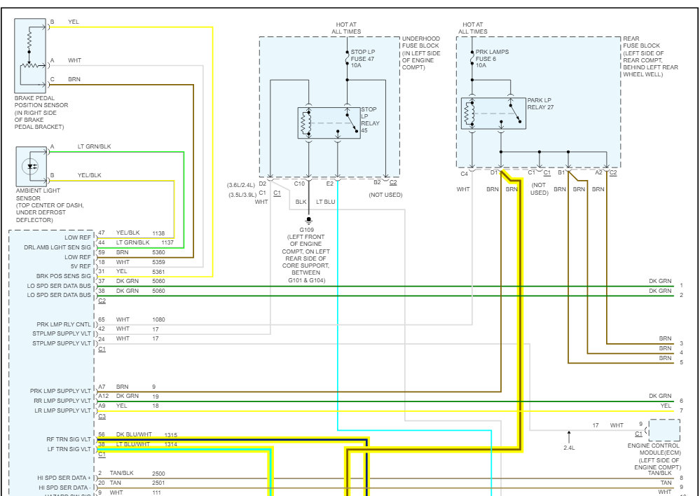
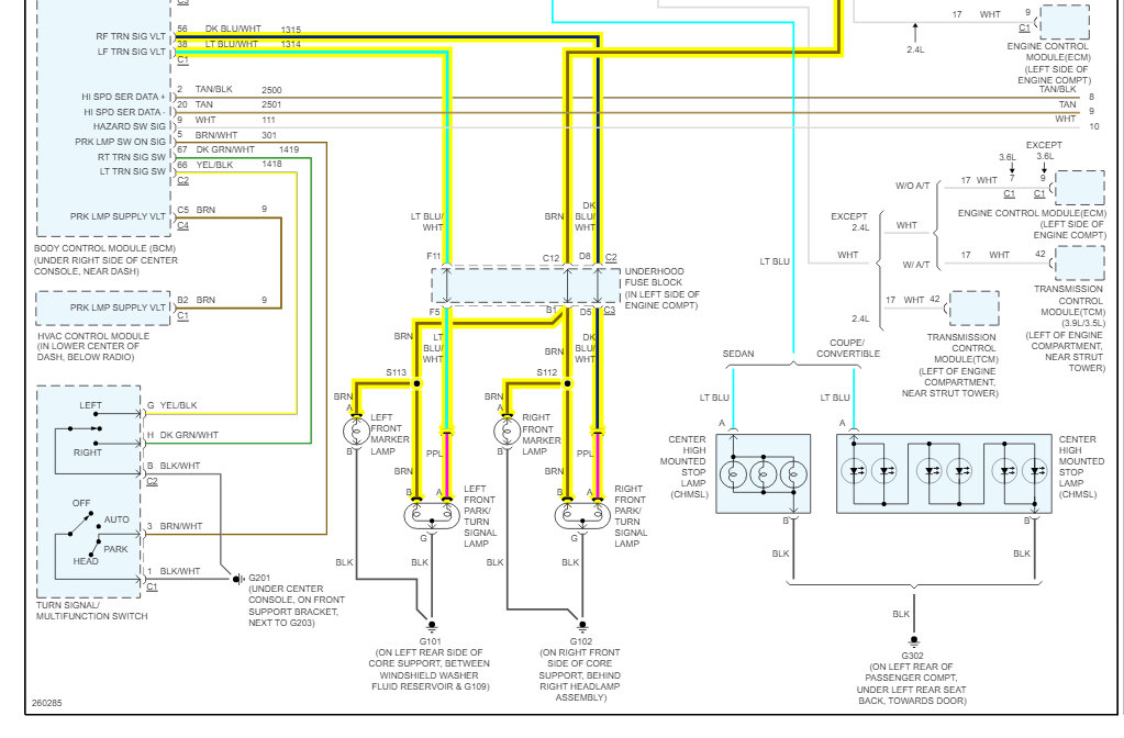
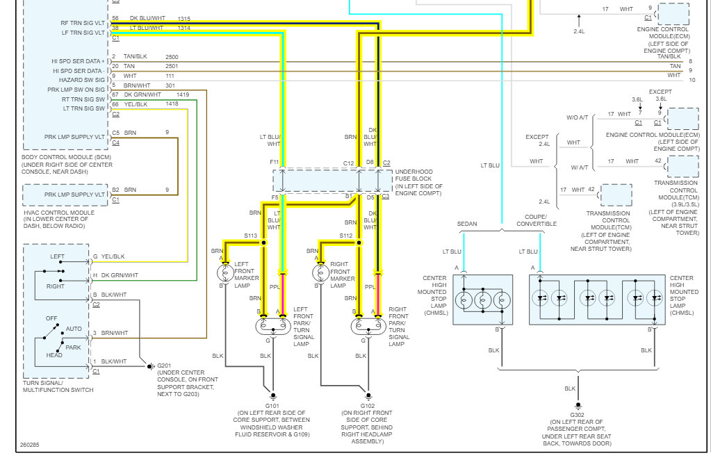
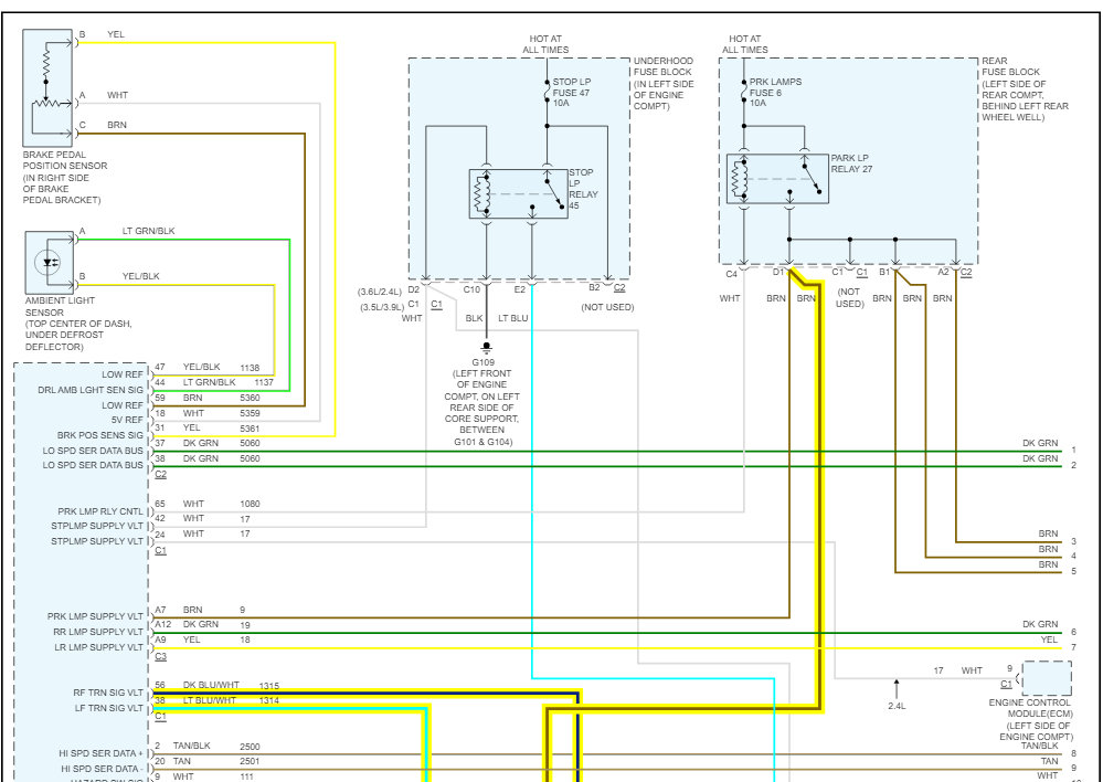
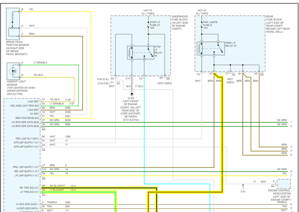
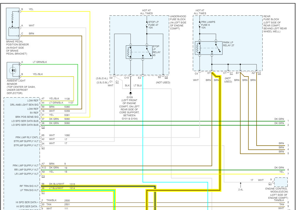
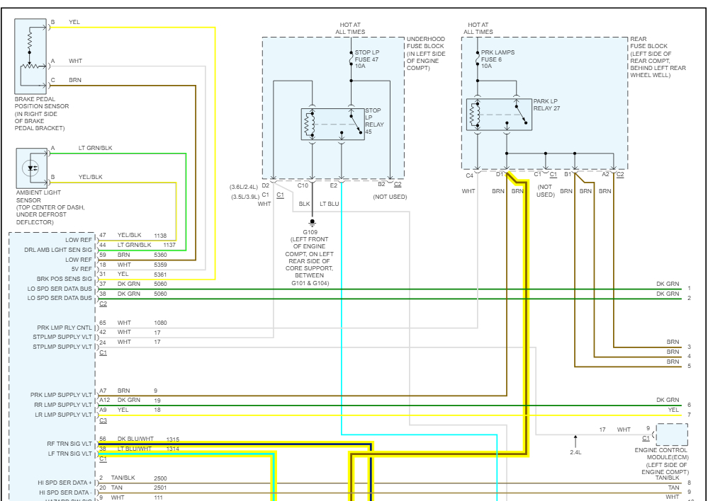
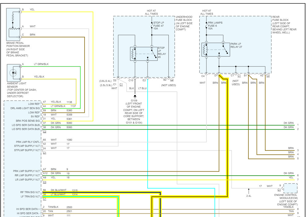
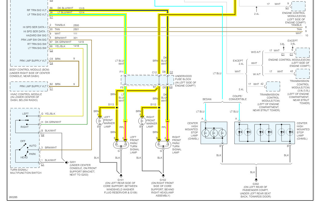
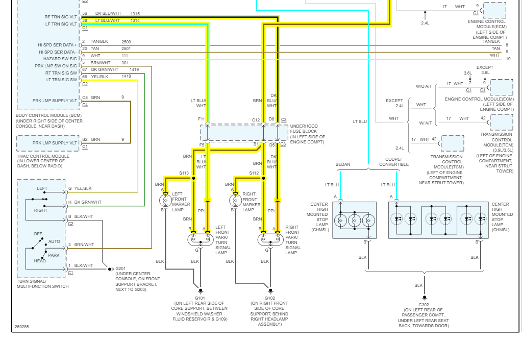
Hello,
See attached for the wiring schematics.
https://www.2carpros.com/articles/how-to-check-wiring
Let me know of any questions.
Thank you.
Images (Click to make bigger)
Was this
answer
helpful?
Yes
No
+1
Sunday, May 29th, 2022 AT 8:41 PM
Please
login
or
register
to post a reply.
Related Headlight Wiring Content
Headlights Have Different Wires Than The Plug
I Want To Replace The Headlight Plugs On A 2008 Pontiac G6. The Plugs I Bought Have 2 Wires. I Noticed The Plug In The Car Has A 3rd Small...
Asked by
kurgon01
·
3 ANSWERS
3 IMAGES
2008
PONTIAC G6
Drivers Side Low Beam Headlight
Low Beam Wiring Has Twelve Volts On The Two Wires Going To The Low Beam Head Light. When You Hook The Power Wire To The Bulb And And The...
Asked by
Lawrence Smith
·
1 ANSWER
2 IMAGES
2007
PONTIAC G6
My Headlight Turned Off On The Passengers Side I...
My Headlight Turned Off On The Passengers Side I Replaced The Light Bulb Nothing I Replaced The Whole Assembly All The Lights Work But The...
Asked by
Anonymous
·
1 ANSWER
1 IMAGE
2007
PONTIAC G6
2007 Pontiac G6 Head Lamp
Electrical Problem 2007 Pontiac G6 4 Cyl Two Wheel Drive Automatic 38k Miles How To Replace Head Lamp Bulb? Thank You
Asked by
Benny121866
·
1 ANSWER
2007
PONTIAC G6
2006 Pontiac G6 Headlight Bulb Replacement
How Do You Remove The Headlight Assembly To Replace The Headlight Bulbs
Asked by
jaybojerry
·
1 ANSWER
2006
PONTIAC G6
VIEW MORE
Ask a Car Question. It's Free!
Headlight Dim or Dull
Have a Dim Headlight? - Try Replacing This!
Turn Signals Blink Fast