Headlights have different wires than the plug

Tiny
KURGON01
  • MEMBER
  • 2008 PONTIAC G6
  • 90,000 MILES
I want to replace the headlight plugs on a 2008 Pontiac G6. The plugs I bought have 2 wires. I noticed the plug in the car has a 3rd small wire. I wonder if it's a ground. Do you think it will be okay to just splice the 2 leads and leave the 3rd wire off?

The low beam headlight plugs are just about finished. I want to cut off the old ones and splice new plugs onto the wires.
Sunday, October 9th, 2011 AT 8:43 PM

3 Replies

Tiny
RIVERMIKERAT
  • MECHANIC
  • 6,110 POSTS
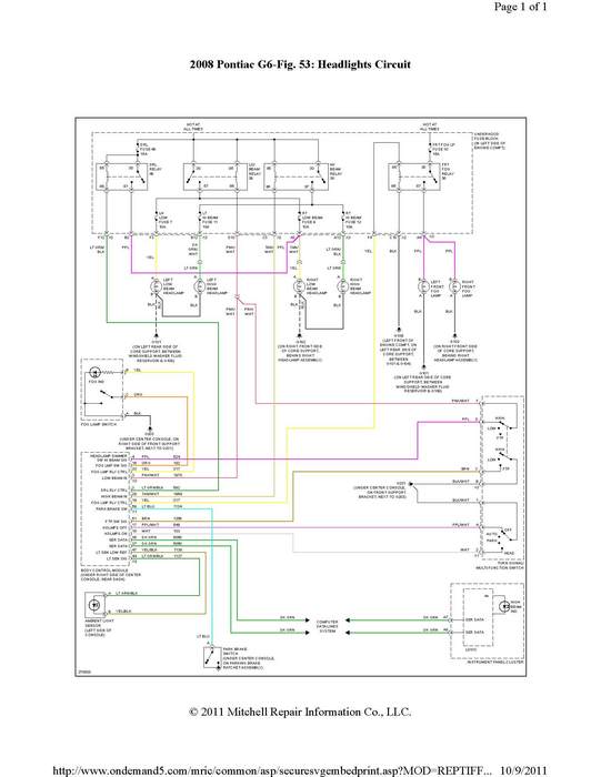
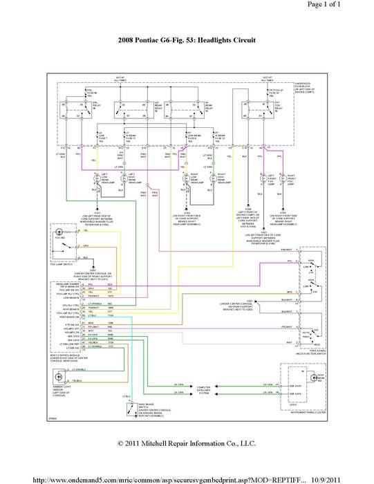
You need to connect the wiring correctly here are the wiring diagrams so you can see how the system works with a guide to help you test the connections.

https://www.2carpros.com/articles/how-to-check-wiring

I attached an exterior lighting schematic. Let me know if it helps. As far as the 3rd wire, check if there is power to it. If there isn't most likely it is a ground.

Check out the diagrams (Below). Please let us know what happens.
Was this
answer
helpful?
Yes
No
Sunday, October 9th, 2011 AT 9:21 PM
Tiny
KURGON01
  • MEMBER
  • 2 POSTS
No I didn't buy the wrong harness. The low beam is H11 and the high beam is H9. I even tried the bulb in the plug and it fits. All the wiring harness's I've looked at have only 2 wires. All I want to know is if I can eliminate the small 3rd wire.
Was this
answer
helpful?
Yes
No
+6
Sunday, October 9th, 2011 AT 10:25 PM
Tiny
RIVERMIKERAT
  • MECHANIC
  • 6,110 POSTS
Here's the schematic Jacob was mentioning.

Does the original connector have 3 plugs or 2? If it only has 2, that means that 2 wires go into one plug.
Was this
answer
helpful?
Yes
No
-3
Monday, October 10th, 2011 AT 2:11 AM

Please login or register to post a reply.