HOME
ASK A QUESTION
REPAIR GUIDES
BECOME A MEMBER
LOG IN
Login with Facebook
OR
Remember me
NOT A MEMBER?
FORGOT PASSWORD?
CONTACT US
PRIVACY POLICY
TERMS AND CONDITIONS
☰
Home
Kia
Optima
Interior
Radio
Wiring
Radio unit wiring diagram needed?
DONELL BANKS
MEMBER
2008 KIA OPTIMA
2.4L
4 CYL
2WD
AUTOMATIC
130,700 MILES
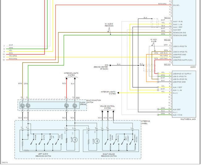
I need exact wiring diagram to install a after market double din radio head unit.
Saturday, September 14th, 2024 AT 5:32 PM
1 Reply
KEN L
MASTER CERTIFIED MECHANIC
54,348 POSTS
Sure, here are the wiring diagrams for the radio w/cruise and an amplifier. Check out the images (below). Let us know if you need anything else.
Images (Click to make bigger)
Was this
answer
helpful?
Yes
No
Sunday, September 15th, 2024 AT 10:51 AM
Please
login
or
register
to post a reply.
Related Radio Wiring Content
Left Front Speaker Does Not Work
I Have A Crappy 2001 Kia Opti - I Know It Is Due To Something Wrong With The Wiring So How Would I Go About Fixing It? Thanks My Right...
Asked by
dluck1993
·
18 ANSWERS
4 IMAGES
2001
KIA OPTIMA
2003 Kia Optima Noise From Speakers
We Just Bought The Car And The Speakers Are Making A Squealing/buzzing Sound. It Has An After Market Radio/cd Player. When We Test Drove...
Asked by
ajkids
·
2 ANSWERS
2003
KIA OPTIMA
Interior Lights Dont Work When Door Opens. I Checked...
Interior Lights Dont Work When Door Opens. I Checked The Bulb And Fuse And They Are Okay. The Switch Is In The Correct Position. Is There...
Asked by
Anonymous
·
1 ANSWER
2 IMAGES
2009
KIA OPTIMA
How To Repair Drivers Side Sun Visor Without Using...
How To Repair Drivers Side Sun Visor Without Using Duct Tape
Asked by
Anonymous
·
1 ANSWER
2007
KIA OPTIMA
2003 Kia Optima Electrical
When Im Driving The Ac Unit And The Radio Start To Flicker.I Had The Battery The Alternator Checked And They Are Both Fine. What Could Be...
Asked by
jmontelo
·
1 ANSWER
2003
KIA OPTIMA
VIEW MORE
Ask a Car Question. It's Free!
How to Use a Test Light
Steering Wheel Removal
Airbag Removal - Drivers Side