Hard to start

Tiny
BLACK60CHURCH
  • MEMBER
  • 1992 FORD F-150
  • 4.9L
  • 6 CYL
  • 2WD
  • MANUAL
  • 179,000 MILES
Truck is hard to start and fuel pump runs all the time with key on and engine not running and missing bad in high gear like starving for gas clears up when you down shift, but sometimes real hard to start. Has 50 lb pressure. New plugs, wires, distributor, relay for fuel pump, new box on side. When you turn key on with engine not running fuel pump runs all the time, it should kick off after about thirty seconds.

I have put ever thing I can think of the 1992 model do not plug into the new scans cannot find any one with the old type.

Please Help.
Sunday, June 11th, 2017 AT 5:11 PM

6 Replies

Tiny
KEN L
  • MASTER CERTIFIED MECHANIC
  • 55,383 POSTS
Hello,

Does this truck have dual tanks? If so they had a big problem with the fuel switching valve which controls the fuel pump and causes the engine to starve for fuel even with the correct amount of pressure.

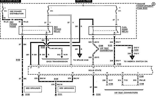
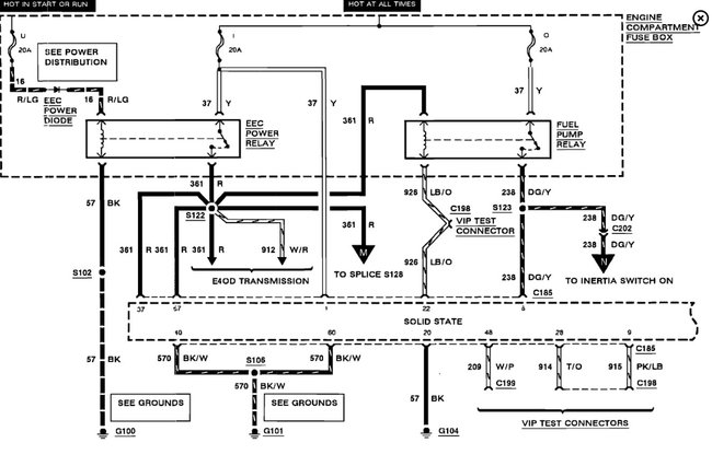
Here is a fuel pump wiring diagram (below) and a guide so you can test which is going on either the relay is having a problem or the computer is not signalling the relay correctly.

https://www.2carpros.com/articles/how-to-check-an-electrical-relay-and-wiring-control-circuit

Please run some tests and get back to us so we can continue helping you.

Cheers, Ken
Was this
answer
helpful?
Yes
No
-1
Monday, June 12th, 2017 AT 5:00 PM
Tiny
HMAC300
  • MECHANIC
  • 48,601 POSTS
If you have a dual tank system I have information on how to test it.
Was this
answer
helpful?
Yes
No
Monday, June 12th, 2017 AT 5:55 PM
Tiny
BLACK60CHURCH
  • MEMBER
  • 6 POSTS
It has dual tanks and they work thanks.
Was this
answer
helpful?
Yes
No
-1
Tuesday, June 13th, 2017 AT 8:20 AM
Tiny
HMAC300
  • MECHANIC
  • 48,601 POSTS
Here is info n how to test dual tank system. See pic
Was this
answer
helpful?
Yes
No
Thursday, June 15th, 2017 AT 1:07 PM
Tiny
BLACK60CHURCH
  • MEMBER
  • 6 POSTS
Checked compression had 40 lbs on one cylinder the problem burnt valve
Was this
answer
helpful?
Yes
No
Friday, June 16th, 2017 AT 7:25 AM
Tiny
HMAC300
  • MECHANIC
  • 48,601 POSTS
That will do it
Was this
answer
helpful?
Yes
No
Friday, June 16th, 2017 AT 9:28 AM

Please login or register to post a reply.