Hard start when weather is below fifty degrees

Tiny
JIMROBIN1995
  • MEMBER
  • 2010 CHEVROLET SILVERADO
  • 5.3L
  • V8
  • 4WD
  • AUTOMATIC
  • 100,000 MILES
When it is cold out below 50 degrees the initial start for the day the truck just does not want to start. After it starts it is running perfect the rest of the day. The computer does not show any issues.
I have already had a complete tune up. What is the problem?
Saturday, February 6th, 2021 AT 5:43 PM

11 Replies

Tiny
JACOBANDNICKOLAS
  • MECHANIC
  • 110,194 POSTS
Hi,

It sounds like you may have a bad coolant temperature sensor. What could be happening is this. Based on the signal from the coolant temp sensor, the computer adjusts the air-fuel mixture. If it is sending the wrong signal, that could cause a hard start. For example, if the sensor says it's 90°F and it's actually 30°, the fuel mixture will be too lean and cause a hard start.

If you have a live data scan tool, see what the temp sensor is saying when it's cold out. It should be close to the outside temp. Interestingly, if it is sending a signal, the computer doesn't know if it is wrong, so it won't set a code.

If you look at the attached two pics, it shows location and removal.

Let me know if this helps or if you have other questions.

Take care and God Bless,

Joe
Was this
answer
helpful?
Yes
No
+1
Saturday, February 6th, 2021 AT 6:48 PM
Tiny
JIMROBIN1995
  • MEMBER
  • 9 POSTS
Thank you for your help. My Chevrolet mechanic leaning towards the MAF replacement.
Was this
answer
helpful?
Yes
No
Sunday, February 7th, 2021 AT 2:10 PM
Tiny
JACOBANDNICKOLAS
  • MECHANIC
  • 110,194 POSTS
Hi,

That is possible. Not being there makes it a bit more difficult. However, I would recommend checking the engine coolant temperature sensor (ECT).

Let me know if the MAF takes care of the issue or if you have other questions.

Take care,
Joe
Was this
answer
helpful?
Yes
No
+1
Sunday, February 7th, 2021 AT 5:59 PM
Tiny
JIMROBIN1995
  • MEMBER
  • 9 POSTS
I went by the garage today and talked to my auto mechanic and he is ordering the parts.
For the ECT and MAF. Thank you for this info. I will keep you posted. Jim
Was this
answer
helpful?
Yes
No
Monday, February 8th, 2021 AT 11:39 AM
Tiny
JACOBANDNICKOLAS
  • MECHANIC
  • 110,194 POSTS
Hi Jim, were you able to have him confirm the ECT is not accurate? I don't want you to waste money.

Let me know.

Joe
Was this
answer
helpful?
Yes
No
Monday, February 8th, 2021 AT 4:28 PM
Tiny
JIMROBIN1995
  • MEMBER
  • 9 POSTS
When we went by and told the mechanic he agreed and was right on the problem. I will let you know how it all comes out and thank you for the help! Jim
Was this
answer
helpful?
Yes
No
Tuesday, February 9th, 2021 AT 5:44 AM
Tiny
JACOBANDNICKOLAS
  • MECHANIC
  • 110,194 POSTS
Jim, you are very welcome. I hope that takes care of the issue. I will watch for your reply.

Take care,
Joe
Was this
answer
helpful?
Yes
No
+1
Tuesday, February 9th, 2021 AT 6:25 PM
Tiny
JIMROBIN1995
  • MEMBER
  • 9 POSTS
Since we had the truck in the shop I can definitely see improvement. About 80 % better just a little hesitation. Thanks for your help. Greatly appreciated. Jim Ferrie
Was this
answer
helpful?
Yes
No
Saturday, February 13th, 2021 AT 5:41 PM
Tiny
JACOBANDNICKOLAS
  • MECHANIC
  • 110,194 POSTS
Jim,

I'm glad to hear it is running better for you now. Please feel free to come back anytime in the future if you have questions. You're always welcome.

Take care of yourself,

Joe
Was this
answer
helpful?
Yes
No
Saturday, February 13th, 2021 AT 7:01 PM
Tiny
JIMROBIN1995
  • MEMBER
  • 9 POSTS
Actually I do have one more question. When they ordered my parts they said it was the mass air flow sensor and that the ECT was connected to that part. I am curious if that is correct. Thanks, Jim
Was this
answer
helpful?
Yes
No
Sunday, February 14th, 2021 AT 10:33 AM
Tiny
JACOBANDNICKOLAS
  • MECHANIC
  • 110,194 POSTS
Hi,

No, that isn't correct. The MAF and the intake air temperature sensor (IAT) are combined. The engine coolant temp sensor (ECT) is a different sensor.

Here are directions for replacing the MAF-IAT. The attached pics correlate with the directions.

_______________________________________________

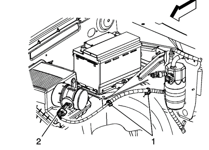
2010 Chevy Truck Silverado 1500 4WD V8-5.3L
Mass Airflow Sensor w/ Intake Air Temperature Sensor Replacement

Pic 1

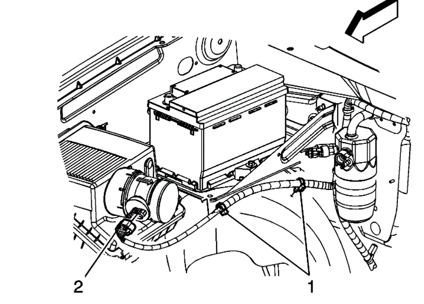
Disconnect the engine wiring harness electrical connector (2) from the MAF-IAT sensor.
Loosen the Maf-IAT sensor adapter clamp.

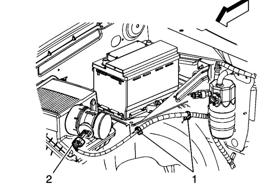
Pic 2

Remove the MAF
Remove the MAF-IAT sensor from the air cleaner assembly.

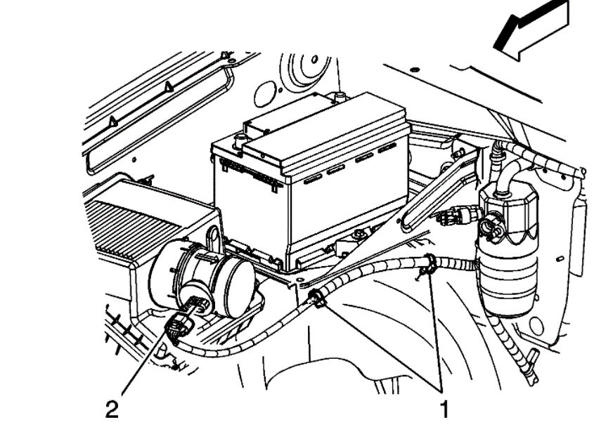
Install
Note: The embossed arrow on the MAF-IAT sensor indicated the proper air-flow direction. The arrow must point toward the engine/

Install the MAF-IAT sensor to the air cleaner assembly.

Pic 3

Tighten the MAF-IAT sensor adapter clamp.
Tighten the clamp to 35 lb in.

Connect the engine wiring harness electrical connector (2) to the MAF-IAT sensor.

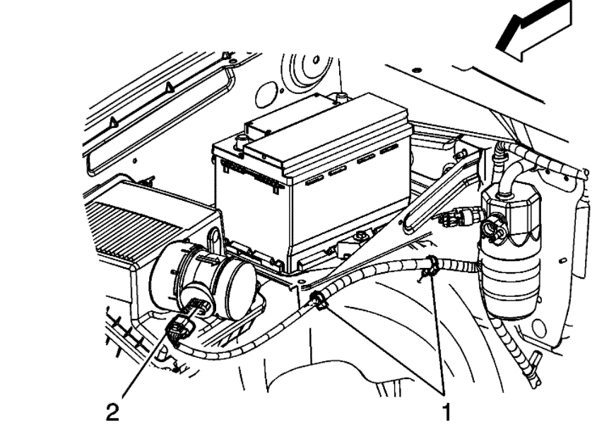
Pic 4

Install the air cleaner outlet resonator.
_______________________________

I hope this helps. Let me know if you have other questions.

Take care,
Joe
Was this
answer
helpful?
Yes
No
Sunday, February 14th, 2021 AT 4:48 PM

Please login or register to post a reply.