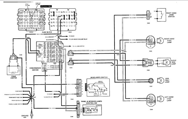
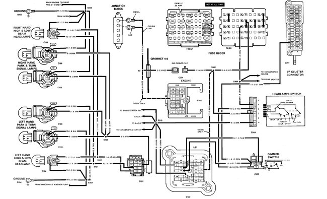
Friday, November 9th, 2018 AT 6:41 AM
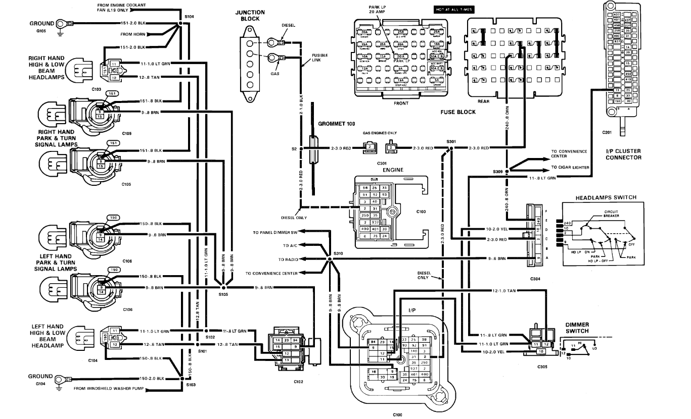
On my truck the gauge lights do not work. I have looked at the fuse and it is not that. I have put a new radio in and I had to rewire the radio so. The radio works but not the gauge lights.




