Thursday, January 23rd, 2020 AT 3:13 PM
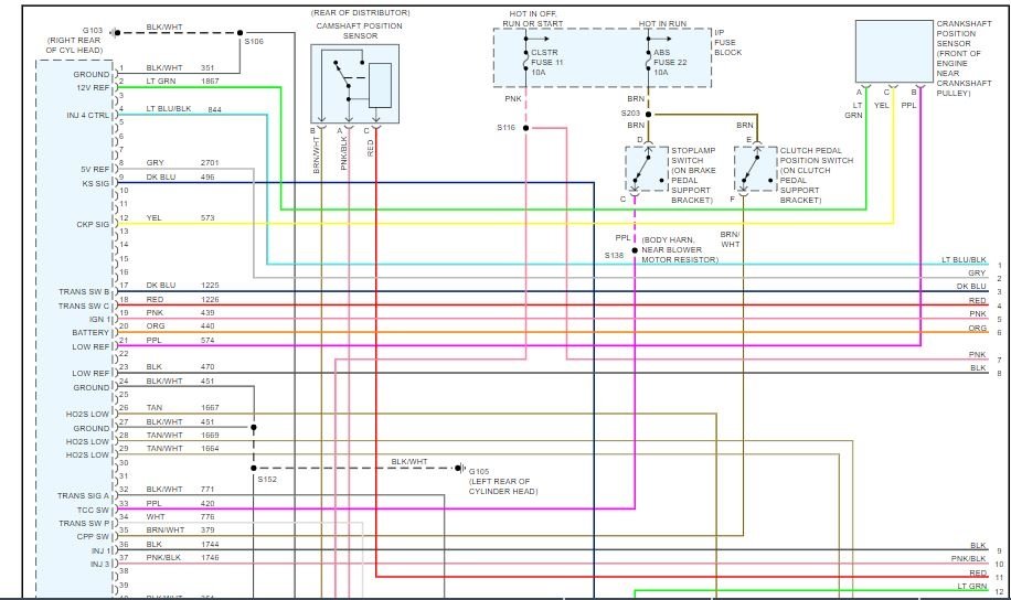
I recently bought the truck listed above from guy that had just replace the Ignition but It had I know crank no start. So I rebuilt the starter which solved that problem of no crank. But then I wasn't getting any fuel so I replaced the fuel pump and now my fuel pump kicks on him time. It's still not start. The other night I had the battery charger/jump starter hooked up as I tried to start it and then the headlights would not turn off. And still wont start. When I turn key over I get a couple good cranks before battery goes down on me. I've got a plug under dash and one under hood that I'm not sure what they plug in to or if there even relevant.












