Wednesday, September 28th, 2022 AT 5:18 AM
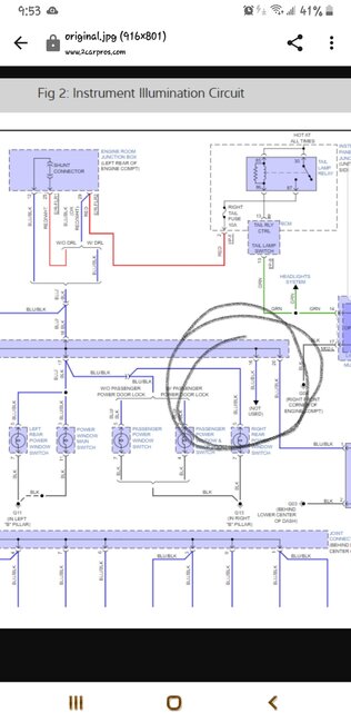
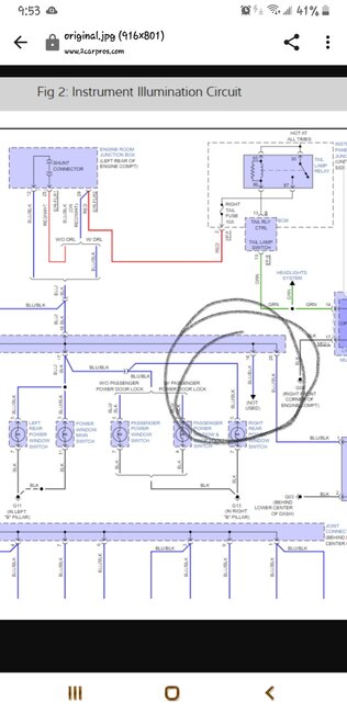
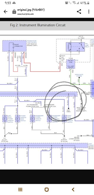
Hello, I have an issue when my headlights are on, then my dashboard doesn't light up vice versa. I have my dash apart. I found a grounded wire running to the stereo that was cut. Can this be the issue?








