Liftgate will not electrically open or close

Tiny
BSTRITTMATTER
  • MEMBER
  • 2 POSTS
  • 2007 GMC YUKON
  • V8
  • AWD
  • AUTOMATIC
  • 45,000 MILES
My 2007 Denali has a power liftgate that simply quit working. It makes noise like it wants to open, but it no longer opens or closes under power. I have checked all connections, fuses and mechanical parts. It appears the problem might be the motor isn't being actuated (since it doesn't move by its own power) or the electric latch is refusing to unlock and tripping the interrupt and shutting the process down. I doubt its the latter since I disconnected the mechanical arm and did some tests and it still doesn't work. Could it be the electric latch or perhaps the motor is bad?
Was this
answer
helpful?
Yes
No
Saturday, December 8th, 2018 AT 6:35 PM (Merged)
Tiny
BRIAN 1
  • MECHANIC
  • 1,030 POSTS
When its unlocked does the liftgate open manualy?From the outside handle or does it not open?When you use the remote does it unlock?Need more info, also have it scanned for any BCM codes. Post back with any other questions.
Was this
answer
helpful?
Yes
No
Saturday, December 8th, 2018 AT 6:35 PM (Merged)
Tiny
BSTRITTMATTER
  • MEMBER
  • 2 POSTS
Yes, it unlocks manually using the outside handle when the toggle switch on the dash is pushed to manual only mode. With the remote, it makes noise and comes open a small bit, but does not want to open without shutting it again and opening manually with the outside handle.

It's out of warranty so didn't take it to the dealer yet. I assume that's the only way to scan for BCM codes? If I take it to the dealer, I'll probably just have them fix it since its there, but was hoping to avoid a costly trip to the dealer.
Was this
answer
helpful?
Yes
No
+1
Saturday, December 8th, 2018 AT 6:35 PM (Merged)
Tiny
BRIAN 1
  • MECHANIC
  • 1,030 POSTS
Could be alot of things, the rear gate might need to be adjusted, the actuator motor for the liftgate could be stripped, or the tailgate module could need to be calibrated. You might have to take some rear panels off and check the operation of the liftgate module. All the parts for this will be expensive, and yes the dealer is the only one to scan for bcm codes. Post back with any other questions.
Was this
answer
helpful?
Yes
No
-1
Saturday, December 8th, 2018 AT 6:35 PM (Merged)
Tiny
JDH55
  • MEMBER
  • 2 POSTS
I have a 2007 Yukon I was having the same trouble. I found that the switch above the rear view mirror was turned off. I turned the switch back on and everything started working fine. Hope this helps you out. Jdh55
Was this
answer
helpful?
Yes
No
+12
Saturday, December 8th, 2018 AT 6:35 PM (Merged)
Tiny
KHLOW2008
  • MECHANIC
  • 41,814 POSTS
Thanks for the input.

Better late than never.

Have a great day.
Was this
answer
helpful?
Yes
No
-2
Saturday, December 8th, 2018 AT 6:35 PM (Merged)
Tiny
WAYNEWAYNEUS
  • MEMBER
  • 1 POST
  • 2007 GMC YUKON
  • 5.4L
  • V8
  • AWD
  • AUTOMATIC
  • 116,000 MILES
The rear hatch keeps unlocking by itself at no particular time. Door works fine but won't operate remotely or when auto-close button is pushed because the hatch keeps unlocking
Was this
answer
helpful?
Yes
No
-1
Saturday, December 8th, 2018 AT 6:35 PM (Merged)
Tiny
KEN L
  • MASTER CERTIFIED MECHANIC
  • 55,488 POSTS
Hello,

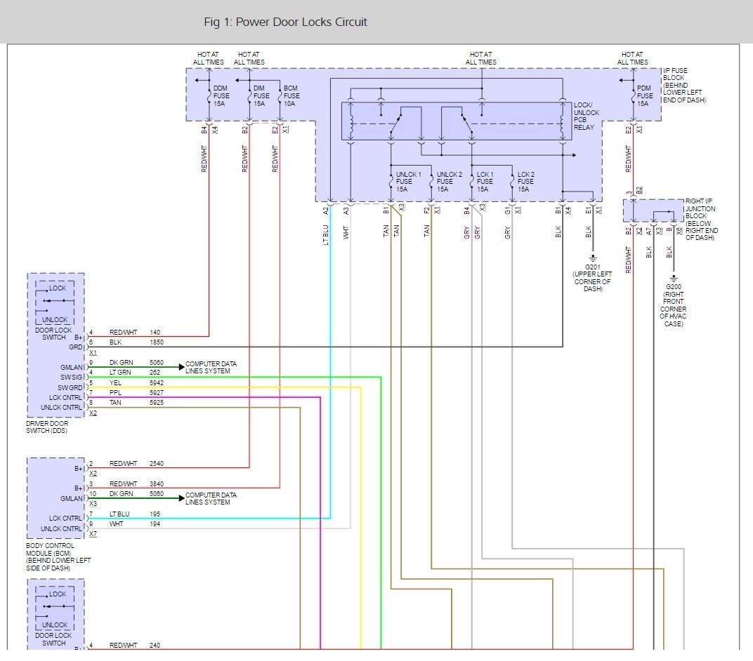
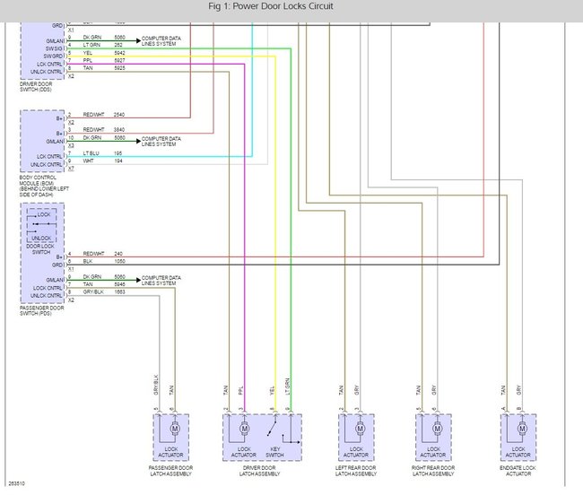
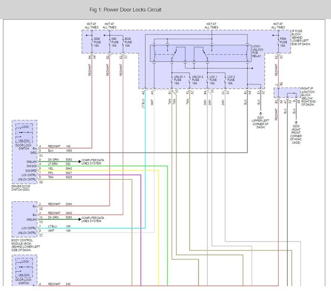
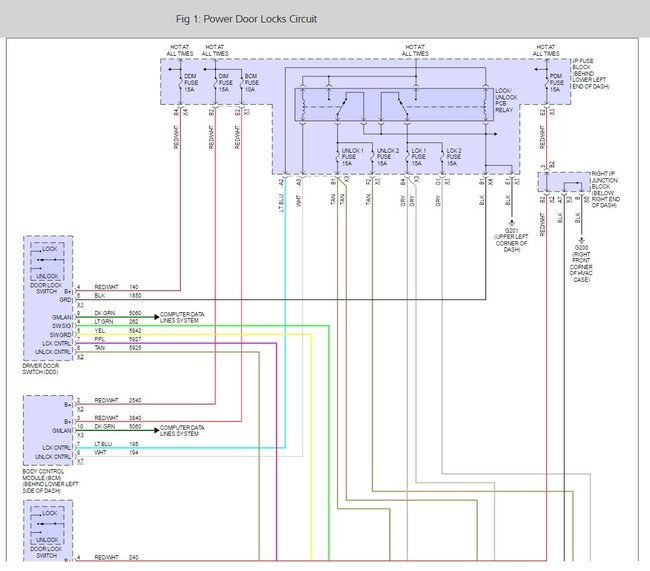
There is a center door lock relay that can be shorting out, here is a guide and diagram that should help you get the problem fixed.

If it all checks out I would have to say the BCM is shorting out which will need to be replaced.

https://www.2carpros.com/articles/how-to-check-an-electrical-relay-and-wiring-control-circuit

Please run some tests and get back to us so we can continue helping you.

Best, Ken
Was this
answer
helpful?
Yes
No
Saturday, December 8th, 2018 AT 6:35 PM (Merged)
Tiny
MIKE MCCANN
  • MEMBER
  • 1 POST
Check the Open/Off Switch

This happened on 10-26-2019. Wedding Dance. Someone else designated driving my 2013 Suburban to the hotel at midnight. Passenger needed a dome light and accidentily turned off the switch on the upper console for the liftgate. Unknown to me, I thought the gate was broke. Turns out a few folks on here said to check the switch (I forgot it even existed). Go check your switch first. Mike McCann cost: I ain't telling my wife.
Was this
answer
helpful?
Yes
No
+2
Thursday, October 31st, 2019 AT 9:43 AM
Tiny
KEN L
  • MASTER CERTIFIED MECHANIC
  • 55,488 POSTS
Excellent addition to this thread! :)
Was this
answer
helpful?
Yes
No
+1
Friday, November 1st, 2019 AT 10:14 AM
Tiny
LOWRY89
  • MEMBER
  • 2 POSTS
You can also check the hatch window! I have a 2007 Yukon and if you’ve accidentally pushed the button on the key fob and it’s opened the hatch won’t unlock.
Was this
answer
helpful?
Yes
No
Saturday, June 10th, 2023 AT 8:34 PM

Please login or register to post a reply.