1999 GMC Suburban A/C compressor not turning, no cold air

Tiny
TWOTHDR1
  • MEMBER
  • 1999 GMC SUBURBAN
  • V8
  • 4WD
  • AUTOMATIC
  • 80,000 MILES
The a/c in the car is not working. When looking under the hood I noticed the the clutch on the a/c compressor is not engaging and thus the compressor is not turning. What should I do next?
Friday, May 29th, 2009 AT 6:03 PM

1 Reply

Tiny
KASEKENNY
  • MECHANIC
  • 18,907 POSTS
We need to start with finding out what the pressures are in the system on the high and low side.

Here is a guide that will help with this:

https://www.2carpros.com/articles/re-charge-an-air-conditioner-system

Below you will find a chart that will help with determining what the cause is based on the pressure.

Clearly the compressor will not be on, so we need to know what the static pressure is. Basically, this will tell us if the system is low on Freon. If it is, then we need to fill it so that we can check the operation of the system.

https://www.2carpros.com/articles/air-conditioner-how-to-add-freon

If it is low, then we have a leak and we need to find it but if it is not low then we need to start checking the voltage going to the compressor.

https://www.2carpros.com/articles/how-to-check-wiring

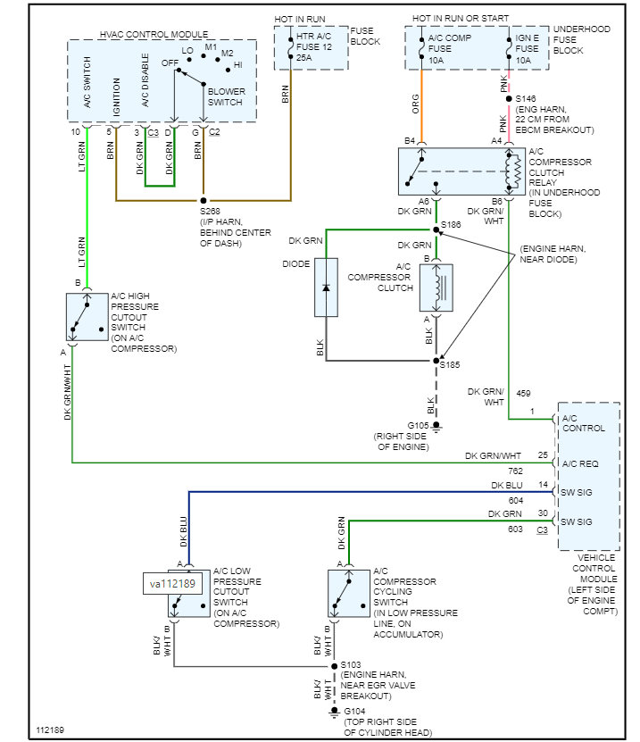
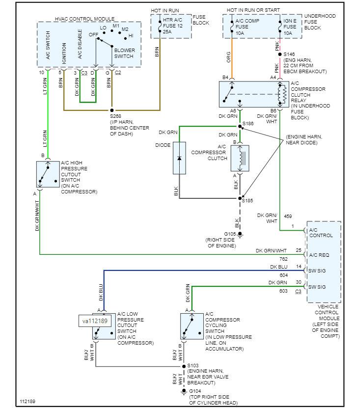
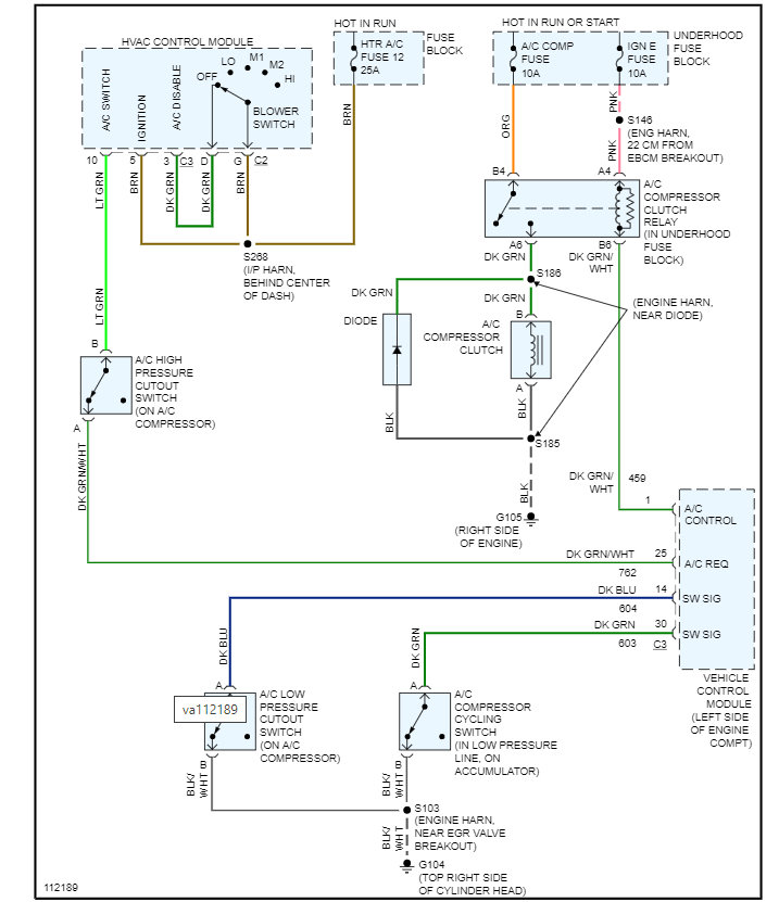
I am attaching the wiring diagram, but we need to start with checking the relay and finding out if you have 12 volts on both terminals from the fuses. If you do then jump the relay and make sure the compressor will come on.

Then you need to make sure the VCM is grounding the relay by checking for a ground on the terminal of the relay to the VCM. If you do then the relay is the issue.

Lastly you need to jump the low pressure and cycling switch and find out if one of them is preventing the compressor from coming on.

Please run through all this info and let us know what questions you have.

Thanks
Was this
answer
helpful?
Yes
No
Sunday, November 14th, 2021 AT 5:43 PM

Please login or register to post a reply.