Thursday, August 12th, 2010 AT 7:03 PM
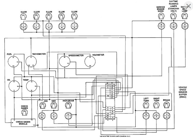
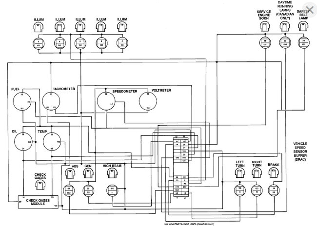
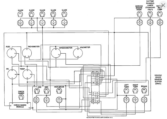
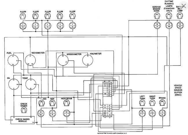
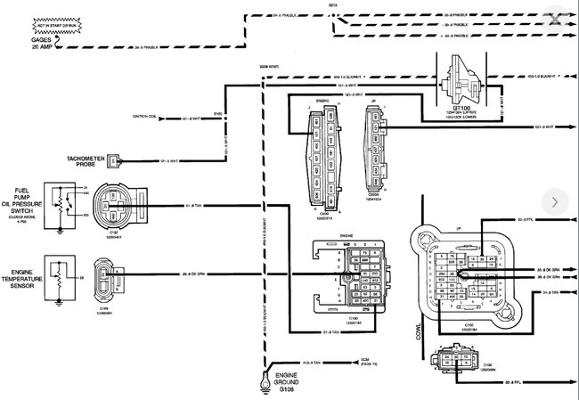
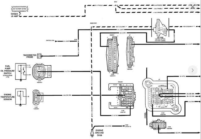
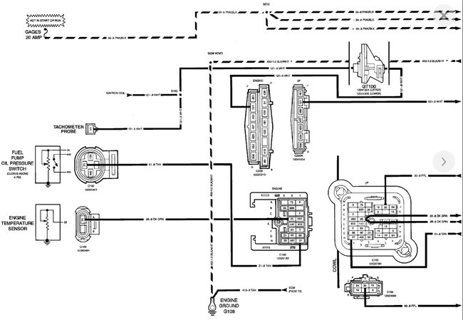
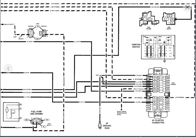
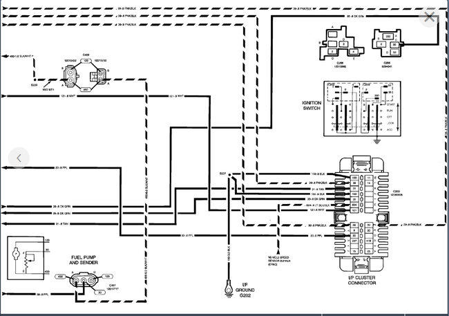
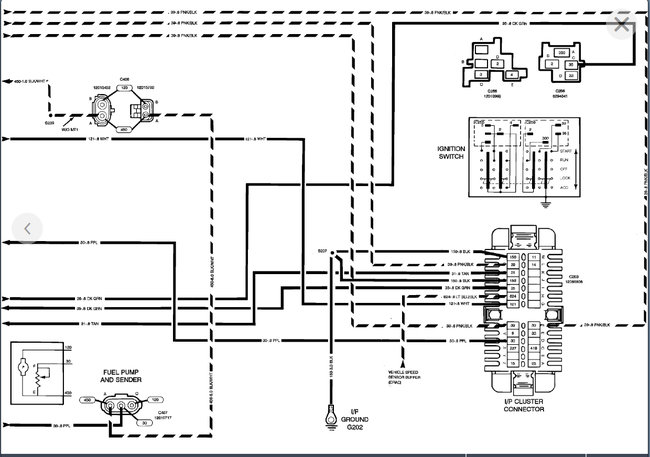
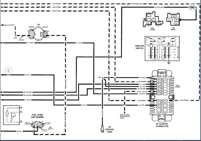
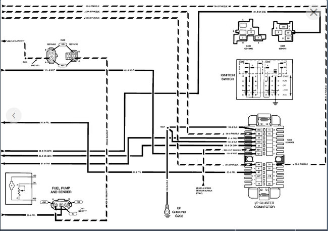
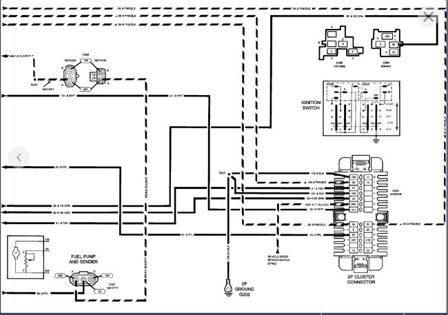
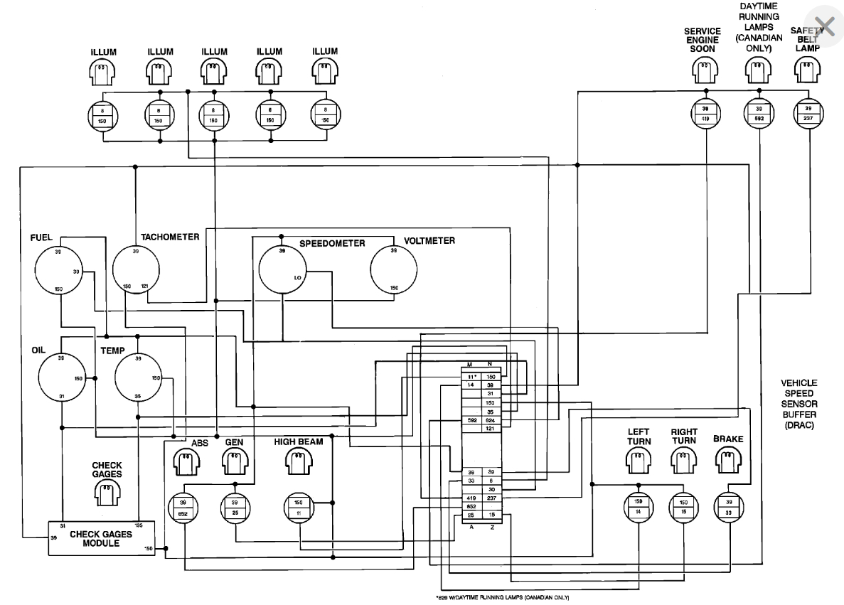
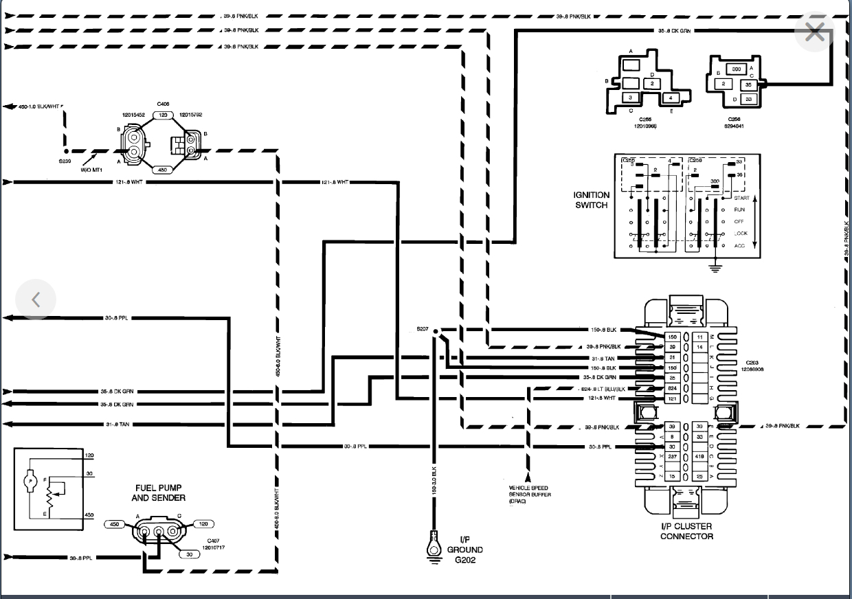
1992 GMC Sierra C1500 4.3L, after complete water damage, instrument panel not working, needles dont work(speedometer, temp, fuel level, etc), illumination night lights work, turn signals, high beams, seat belt bulbs work, while service engine and battery light does not. Is there a relay or is instrument panel bad? Already replace battery and alternator.





