My heater is not working why?

Tiny
JDL
  • MECHANIC
  • 16,098 POSTS
Do you live in an extremely cold region? Does the engine reach normal operating temp? What is your normal operating temp in degrees F? Do the heater hoses get hot? You might check for applicable hvac trouble codes. Some of the national brand autostores check codes for free.
If a temp door under the dash is having a problem, I'd have to get under the dash and check it out.
Was this
answer
helpful?
Yes
No
Friday, February 5th, 2021 AT 10:49 AM (Merged)
Tiny
BRASSHORSE
  • MEMBER
  • 1 POST
  • 1998 GMC JIMMY
Heater problem
1998 GMC Jimmy 6 cyl Four Wheel Drive Automatic

I am having a problem with my heater which has an automatic temp control and it isn't really working. It either blows really hot air or none at all. The air conditioner doesn't work now, either. Chevy garage said it is the automatic temp control auctuator or something else. He wants over $1,000.00 to fix it. I can't afford that, so has anyone else had this same problem and know for sure what is wrong? One person said it is probably the blending door. If it is one of these, how do you know where they are and what do they look like? Please help! Thanks in advance, brasshorse
Was this
answer
helpful?
Yes
No
Friday, February 5th, 2021 AT 10:49 AM (Merged)
Tiny
DEWEYG
  • MEMBER
  • 2 POSTS
Blending door is behind glove box(small release top left, bend down spring loaded tab then lower glove box.) Door is on right. Plastic gear can sometimes break. Can epoxy or replace or could be vacuum line has leak. Check vacuum first by disconnecting line and turn your climate knob from cold to hot(or vise versa) if you feel vacuum on your thumb then probably your gear
Was this
answer
helpful?
Yes
No
+1
Friday, February 5th, 2021 AT 10:49 AM (Merged)
Tiny
FTROOP73
  • MEMBER
  • 1 POST
  • 1998 GMC JIMMY
  • 6 CYL
  • 4WD
  • AUTOMATIC
  • 125,000 MILES
Im only getting high heat out of car vents no matter what I select on climate control selector. A/C works but its just not blowing cold air into vehicle. On heat selection, I cannot control heat either. Could it be blend-door broken or stuck in heat mode, or the blend-door motor failed, or climate control selector failed?
Was this
answer
helpful?
Yes
No
Friday, February 5th, 2021 AT 10:50 AM (Merged)
Tiny
RASMATAZ
  • MECHANIC
  • 75,992 POSTS
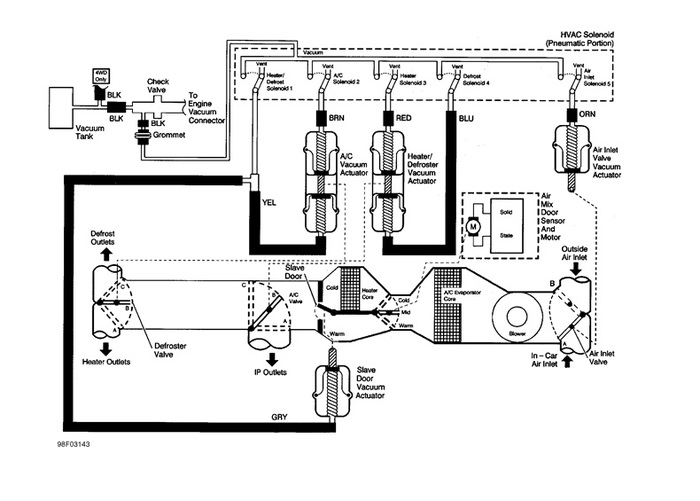
This sounds like the temperature door actuator is not working. I would remove the actuator and try moving the pivot for the door by hand here is a guide to help you see what I am talking about.

https://www.2carpros.com/articles/replace-blend-door-motor

Here is the location on your car.

Check out the diagrams (Below). Please let us know if you need anything else to get the problem fixed.

Cheers
Was this
answer
helpful?
Yes
No
+1
Friday, February 5th, 2021 AT 10:50 AM (Merged)
Tiny
MECHANICSTUD
  • MEMBER
  • 1 POST
  • 1996 GMC JIMMY
  • 6 CYL
  • 2WD
  • AUTOMATIC
  • 192,500 MILES
My a/c was recharged and the system is working normal. My problem is I select max ac cold and it blows as is the heater is on. Also even if I select just vent ac turned to cold position is still should suck outside air and blow somewhat cold but still dont. It all blows hot air. So ac system is charged right and heater is working properly so why does it blow hot when I turn it to ac vent or max ac?
Was this
answer
helpful?
Yes
No
Friday, February 5th, 2021 AT 10:50 AM (Merged)
Tiny
ROBSCARS
  • MEMBER
  • 1 POST
I have the same vehicle, and the same problem. I'm going to replace or fix the temperature selector switch, which controls the damper door. May have to replace the whole hvac control assembly and or the damper door. While there I replace the heater core, hopefully I won't have to go in to the dash, wish me luck!
Was this
answer
helpful?
Yes
No
-1
Friday, February 5th, 2021 AT 10:50 AM (Merged)
Tiny
BHARDEN
  • MEMBER
  • 1 POST
  • 1996 GMC JIMMY
Heater problem
1996 GMC Jimmy 6 cyl Four Wheel Drive Automatic

Temperature gauge only seems to go to 160 even after installing a new thermostat. Heat is only luke warm at best. Is there any other valve in the system that controls coolant to the heater core? Is the engine temp not high enough and what else can we look for besides the thermostat?
The engine was replaced this summer, and the heat worked great last winter.
Was this
answer
helpful?
Yes
No
Friday, February 5th, 2021 AT 10:50 AM (Merged)
Tiny
SWILLIAMS
  • MECHANIC
  • 597 POSTS
What is the new thermostat rated at? The factory unit is 195 degrees. I would measure the actual coolant temp with a mechanical gauge to see if it is actually heating up. Also check to see if your fan clutch is operating. If it is locked up the extra airflow over the radiator could be causing it to stay cool. With the engine off you should be able to move the fan, if you cannot the clutch may be bad.
Was this
answer
helpful?
Yes
No
Friday, February 5th, 2021 AT 10:50 AM (Merged)
Tiny
MULLETM
  • MEMBER
  • 1 POST
  • 1996 GMC JIMMY
  • 6 CYL
  • 4WD
  • AUTOMATIC
  • 210,000 MILES
I have changed the thermostat and it is still not operating at normal engine temp - it runs cool. I have no heat but the vents work fine at all levels. Any suggestions?
Was this
answer
helpful?
Yes
No
Friday, February 5th, 2021 AT 10:50 AM (Merged)
Tiny
MERLIN2021
  • MECHANIC
  • 17,250 POSTS
Try warming the Vehicle, then carefully feel the heater hoses, are they both hot? If one is cooler than the other, You need to flush the core, or do a replacement job on the heater core. Also if the system has a heat control valve on the heater hose, make sure it is working! Also check the thermostat, and the temperature blend door, thats under the dash, in the heater plenum. You can flush this yourself, buy the prestone flush kit and install the tee in the heater return line. Disconnect the heater hose at the waterpump, clamp the hose in back of the tee you installed and back flush till it runs clear.20 mins or so. As far as running cool is it a low reading on the gauge? Or have you used a thermometer in the radiator?
Was this
answer
helpful?
Yes
No
-1
Friday, February 5th, 2021 AT 10:50 AM (Merged)
Tiny
DELSIBAO
  • MEMBER
  • 1 POST
  • 1993 GMC JIMMY
  • 6 CYL
  • 4WD
  • AUTOMATIC
  • 111,000 MILES
Hello everyone.I recently purchased a jimmy and I spoke to the previous owner and said there was nothing wrong with it except that it has no heater and I would have to replace the heater core and so I did.I got nothing.I did some research and found that the heater cores tubes are supposed to be connected to either the engine or the radiator in order for anti freeze to enter into the core to transfer heat.I realized that the guy just had one hose runnin from one of the core tubes(larger opening) directly into nothing, so its not plugged into anything and the other one doesnt even have a hose.I checked the control valve and everything looks under control. Im not sure if my heater blower is working like it is but I get a feeling that isnt my problem right now so im trying to focus on this situation of the dangling hose. If you can please tell me where that hose(connected to one of the core's tubes) goes. Is there supposed to be a hose connected to something from each of the core's tubes?
Was this
answer
helpful?
Yes
No
Friday, February 5th, 2021 AT 10:50 AM (Merged)
Tiny
JACOBANDNICKOLAS
  • MECHANIC
  • 110,192 POSTS
The heater core should have two pipes coming from the firewall. Both should have a hose attached to them. One is the supply line and the other is a return hose. One will come from the waterpump and the other goes (I believe to the intake).
Was this
answer
helpful?
Yes
No
Friday, February 5th, 2021 AT 10:50 AM (Merged)

Please login or register to post a reply.