Hello
Here is the info you requested.
Also, looks like you may have some recalls on your vehicle. The dealer may fix these for free. Please contact the dealer service department, give them the VIN number of your car and have them check on these to see if they apply to you.



REMOVAL PROCEDURE
Raise the vehicle.
Remove the fuel tank. Refer to Fuel Tank .
Remove the fuel tank vapor pressure sensor electrical connector.
Remove the fuel tank pressure sensor.
INSTALLATION PROCEDURE
Install the fuel tank vapor pressure sensor.
Install the fuel tank vapor pressure sensor electrical connector.
Install the fuel tank. Refer to Fuel Tank .
Lower the vehicle.

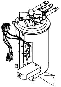
DESCRIPTION
The Fuel Tank Pressure sensor is a 3 wire strain gauge sensor much like that of the common Manifold Absolute Pressure (MAP) sensor. However, this sensor has very different electrical characteristics due to its pressure differential design. The sensor measures the difference between the air pressure (or vacuum) in the fuel tank and the outside air pressure. The sensor mounts at the top of the fuel tank sending unit. A three wire electrical harness connects it to the Control Module.
OPERATION
The Control Module supplies a 5 volt reference voltage and ground to the sensor. The sensor sends a voltage between 0.1 and 4.9 volts. When the air pressure in the fuel tank is equal to the outside air pressure, such as when the fuel fill cap is removed, the output voltage of the sensor will measure 1.3 to 1.7 volts.
When the air pressure in the tank is 4.5 inches H2O (1.25 kPa), the sensor output voltage should measure 0.5 + 0.2 volts. The sensor voltage will be approximately 1.5 volts when the fuel tank pressure is equalized with ambient pressure. The sensor voltage increases to approximately 4.5 volts at 14 inches of H2O (-3.75 kPa).
Recall

Sunday, December 7th, 2008 AT 8:24 PM