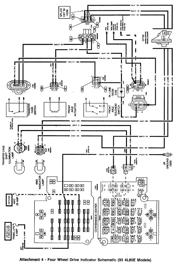
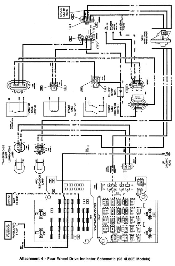
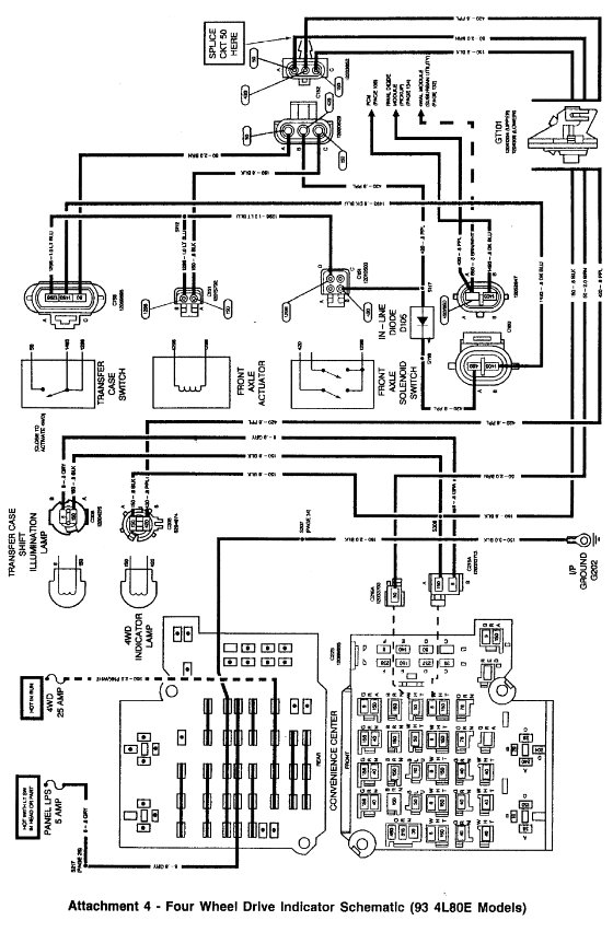
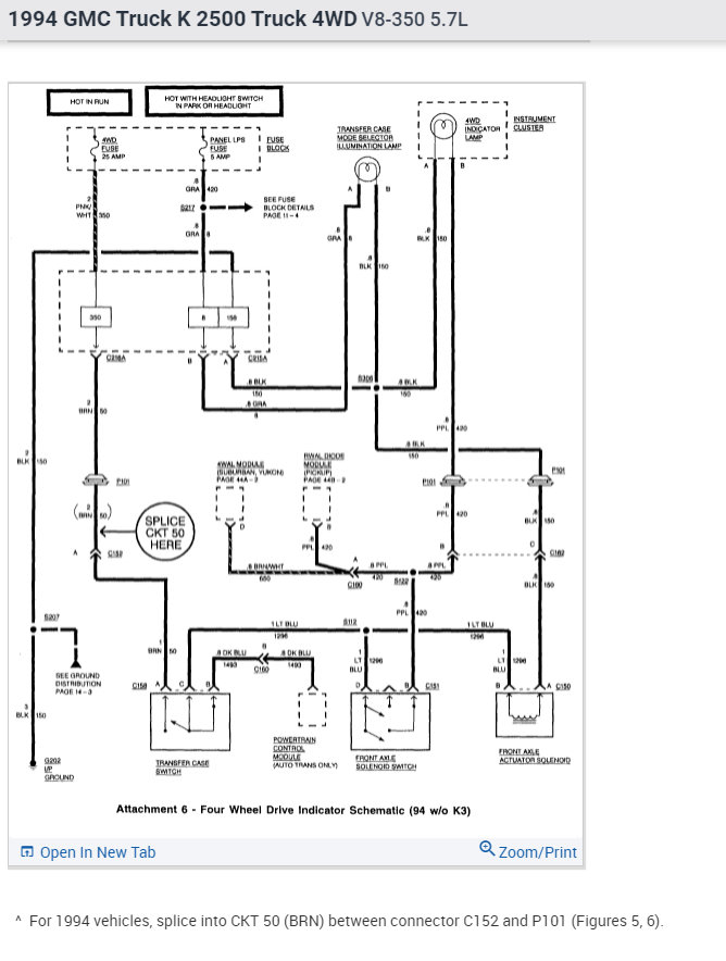
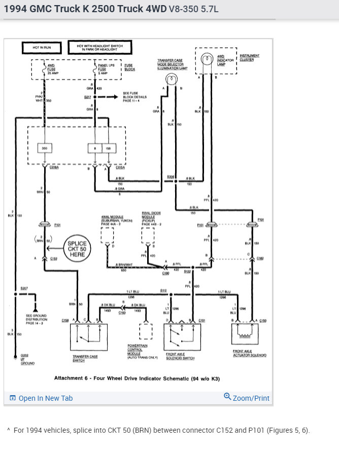
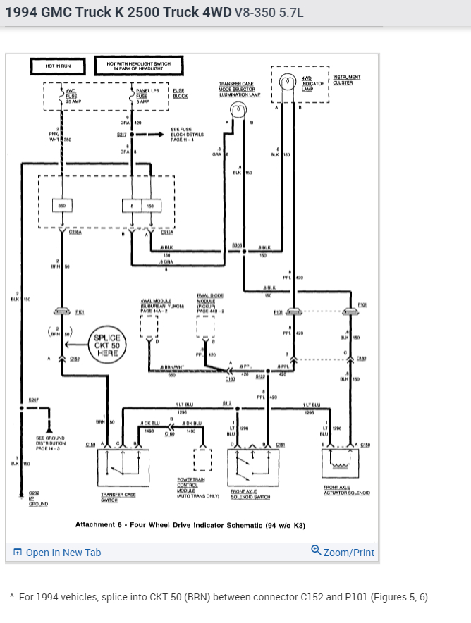
Saturday, November 1st, 2008 AT 4:43 PM
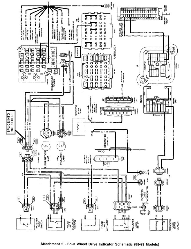
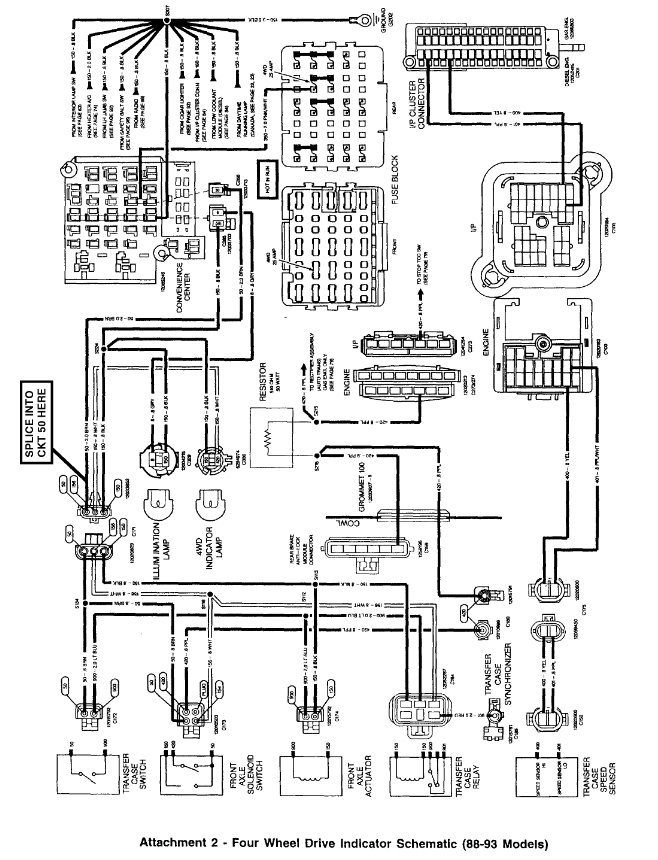
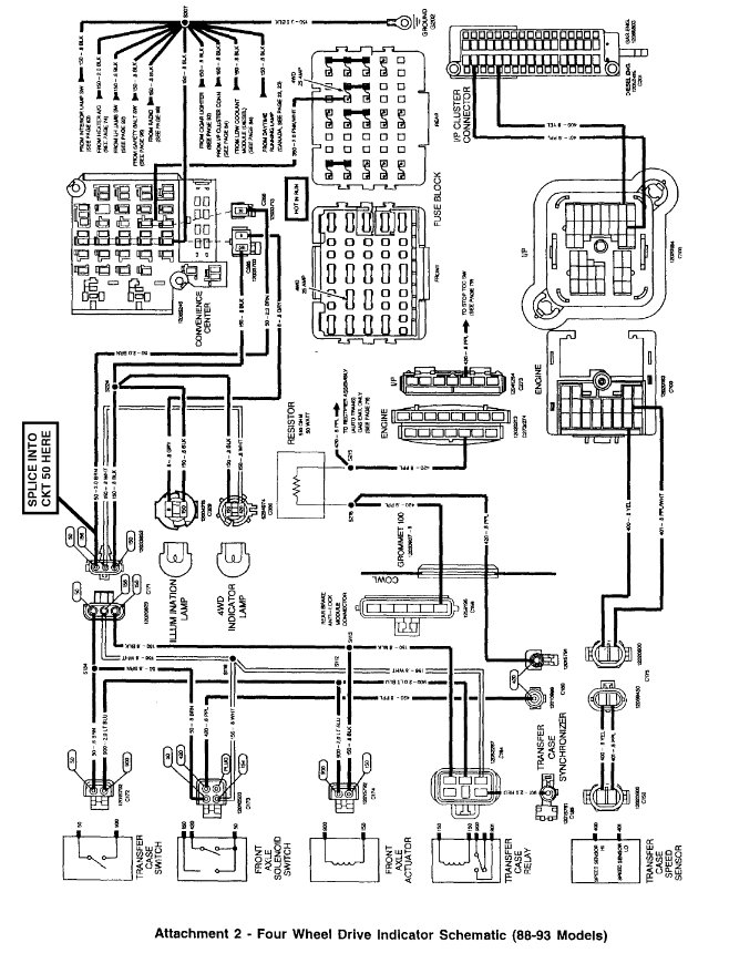
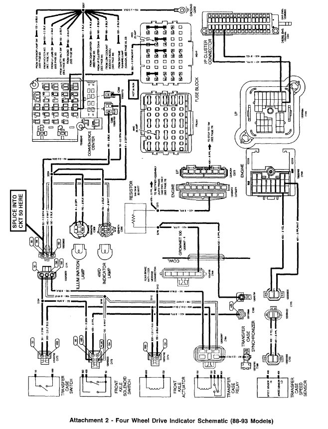
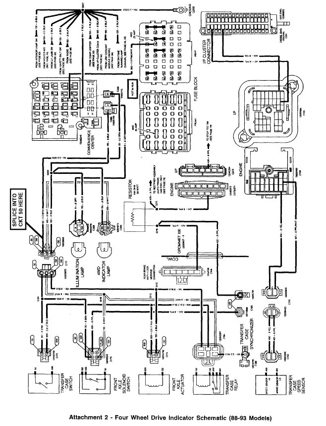
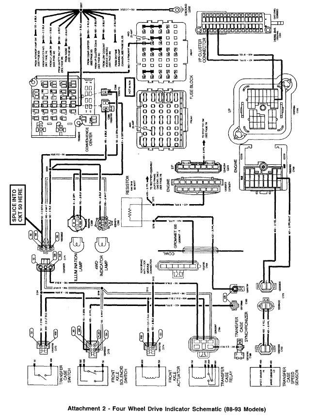
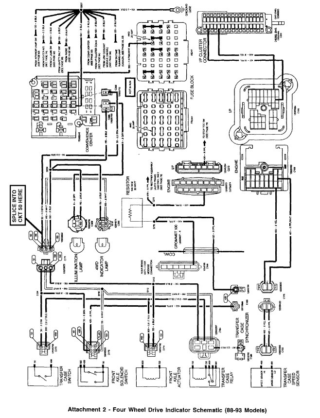
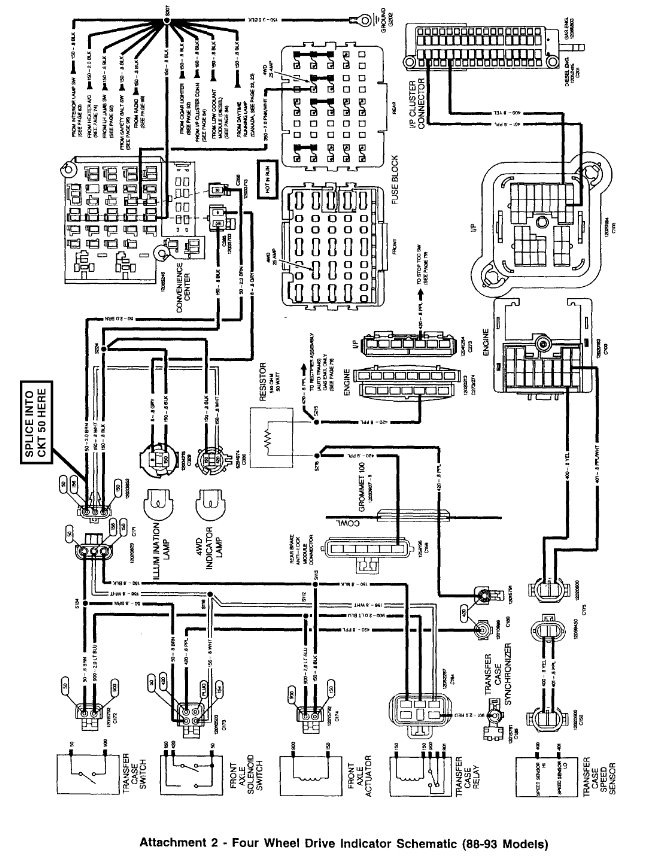
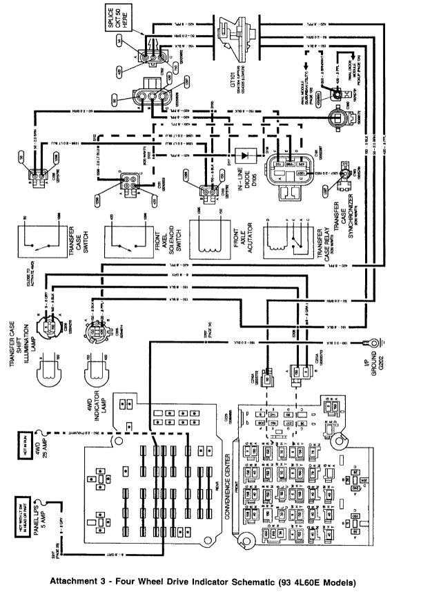
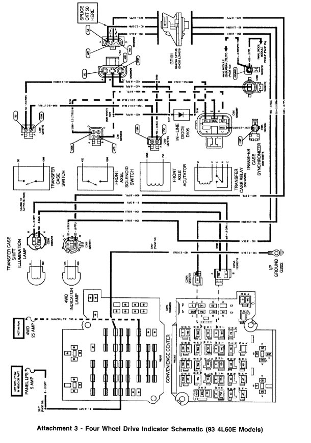
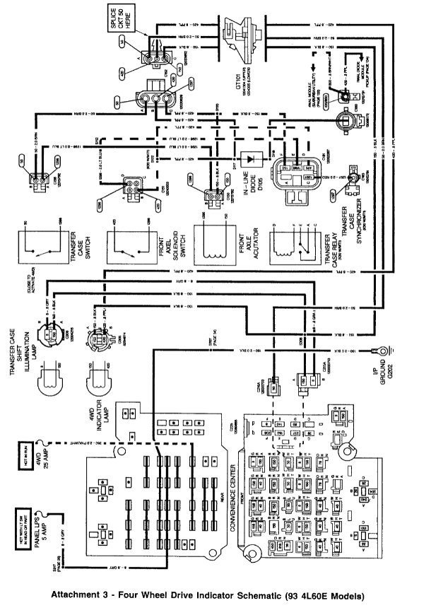
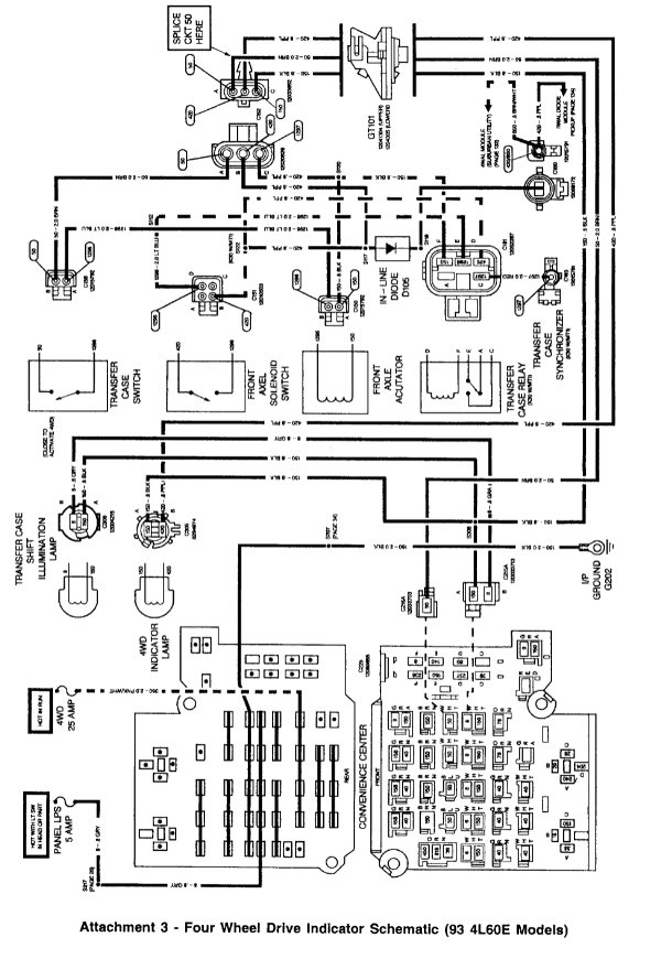
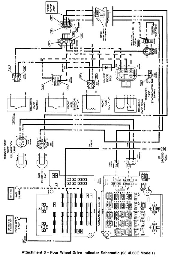
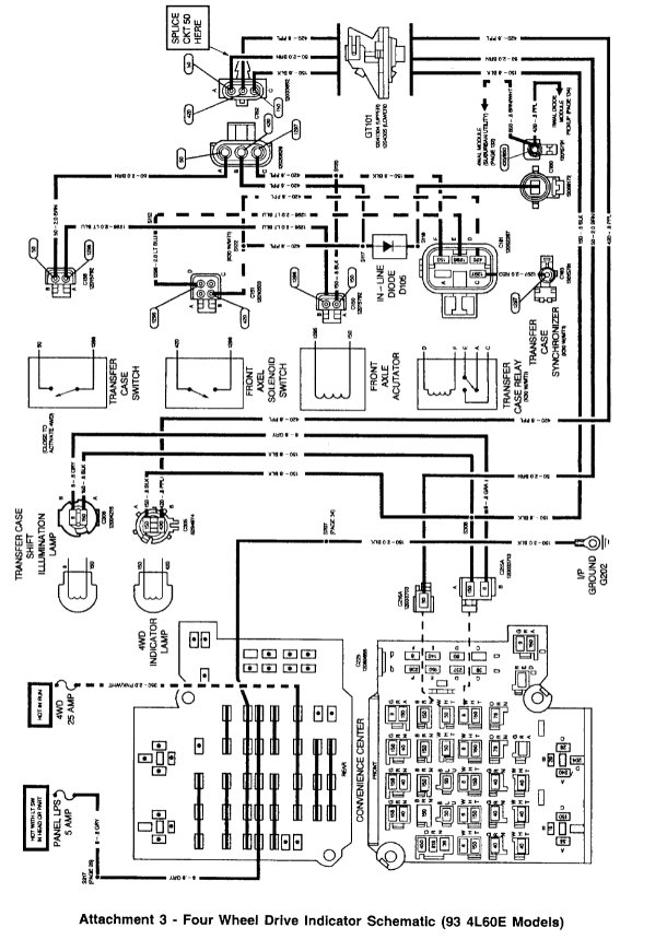
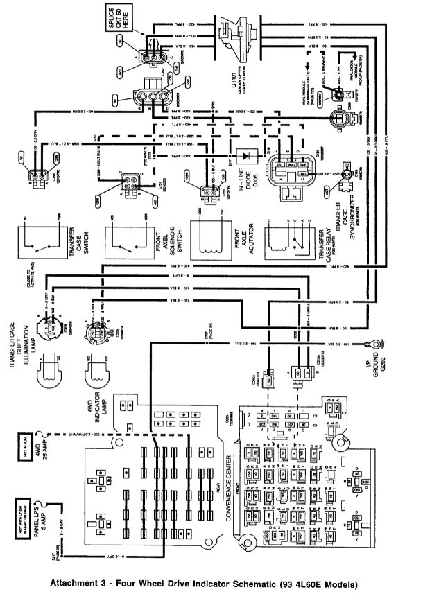
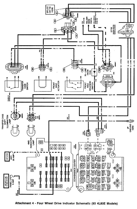
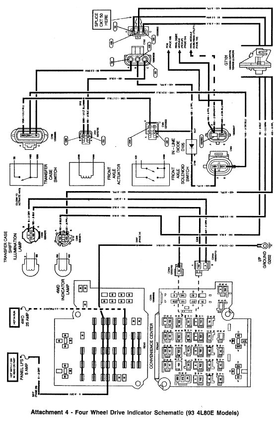
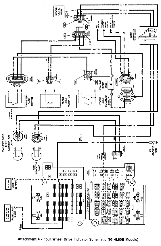
Cannot engage 4WD. It was engaged this AM but when in a parking log I disengaged. It will not go back into 4WD.I tested the little module in the front end with 12VDC and it extends Also checked fuse for 4WD and swapped with another 25Amp. Please advise Thanks









